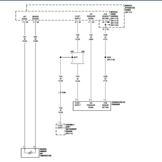
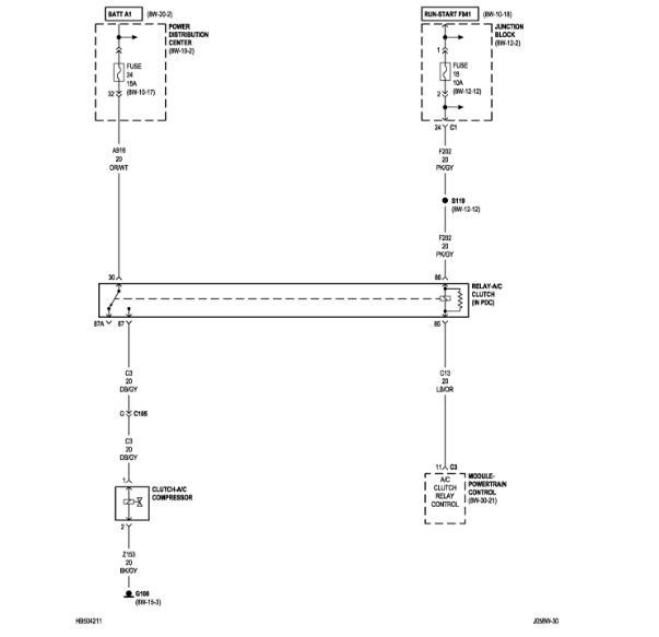
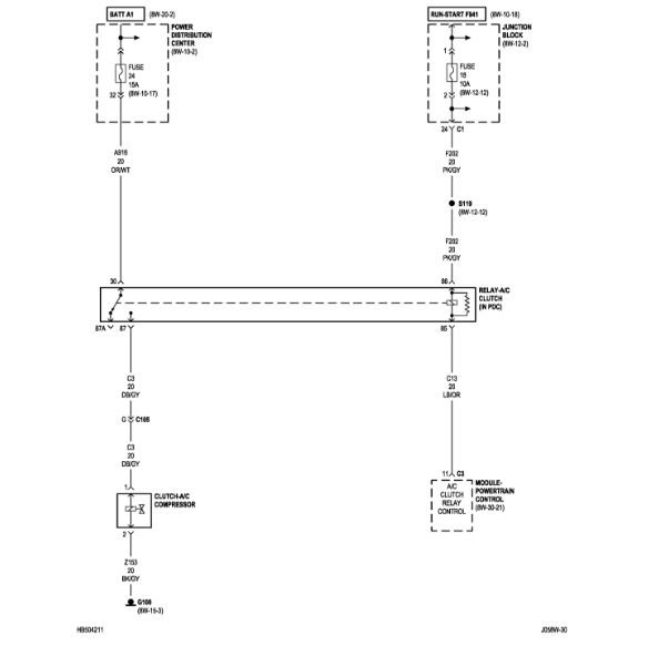
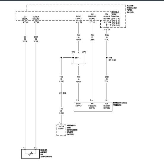
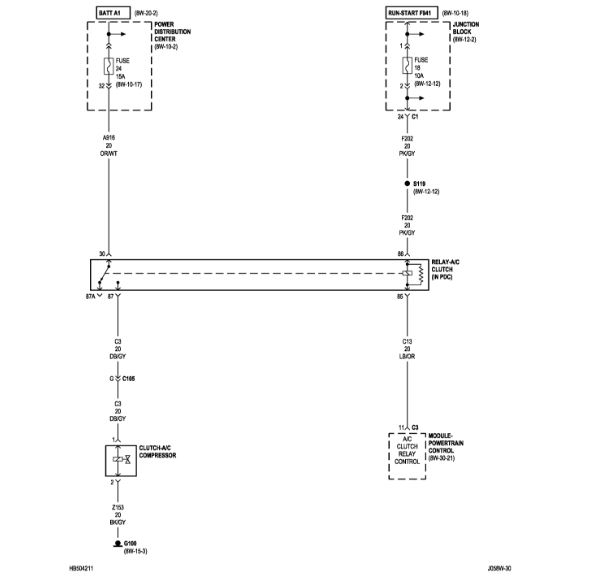
Thursday, June 14th, 2018 AT 6:37 PM
New compressor. Kept going on and off on and off. Was cooling great, then just quit working. Compressor will not come on. Will not take any more Freon.



