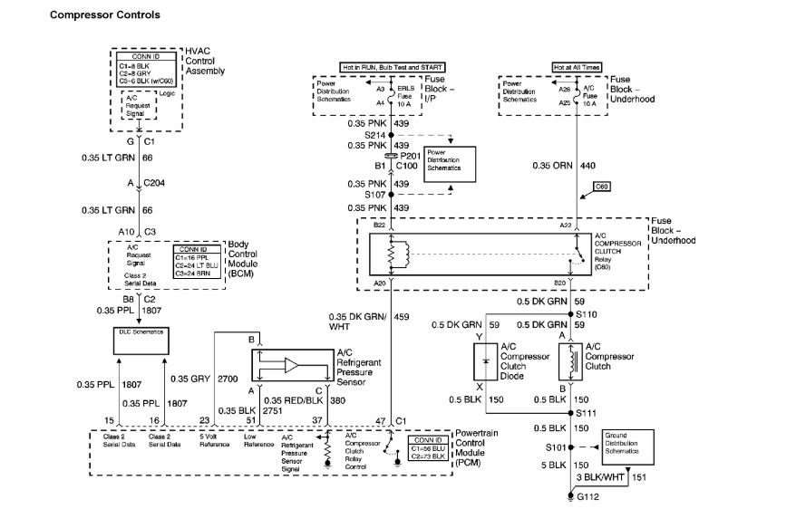
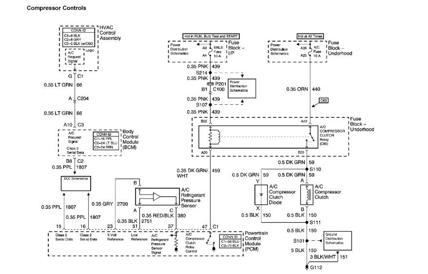
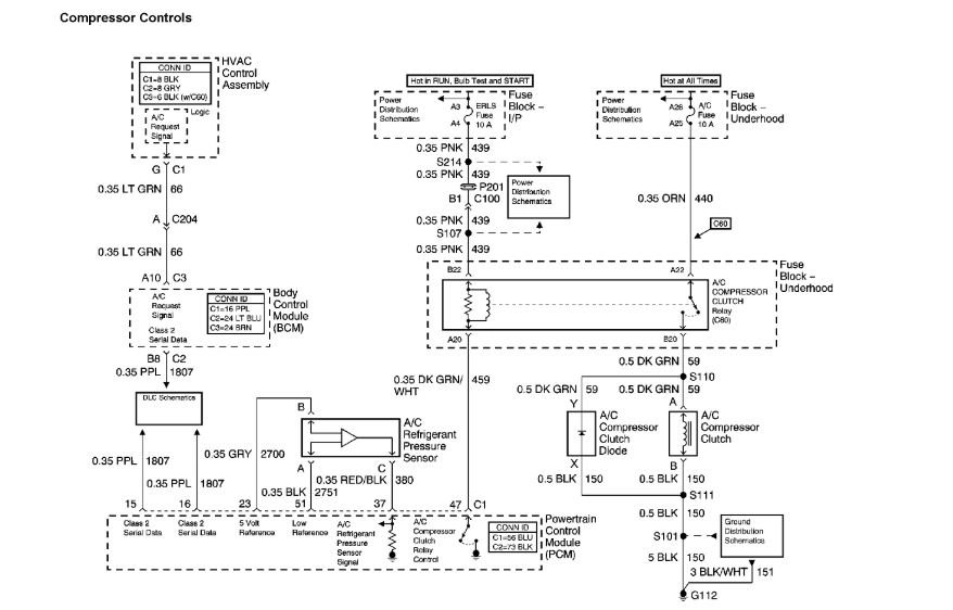
Sunday, July 8th, 2018 AT 12:23 PM
Air conditioner will not work. When turned on from panel compressor does not come on. I have jumped compressor it does come on and air blows cold. Relay is good. Seems there is no signal from BCM or a connector. Not sure?



