Heater hot or cold nothing else

Tiny
ZIGGYZ
  • MEMBER
  • 1999 CHEVROLET TRACKER
  • 1.6L
  • 4 CYL
  • 4WD
  • MANUAL
  • 123,000 MILES
My car has a heater problem. The temperature is either full hot or full cold. I say cold but it does not have an air conditioning system just the heater and vent. I have traced the temperature control slider cable down to the damper box and it moves the levers and seems adjusted properly. Even if I manually move the lever I never get anything but full hot or full cold. It is random. Moving the lever never makes any difference. It either turns on hot, or cold. Some times I hear a thump and I know then it will work. Everything else on the heater works fine, blower, re-circulation vent etc, seems fine.
any ideas would be great.
Sunday, September 24th, 2017 AT 9:03 PM

1 Reply

Tiny
STEVE W.
  • MECHANIC
  • 15,697 POSTS
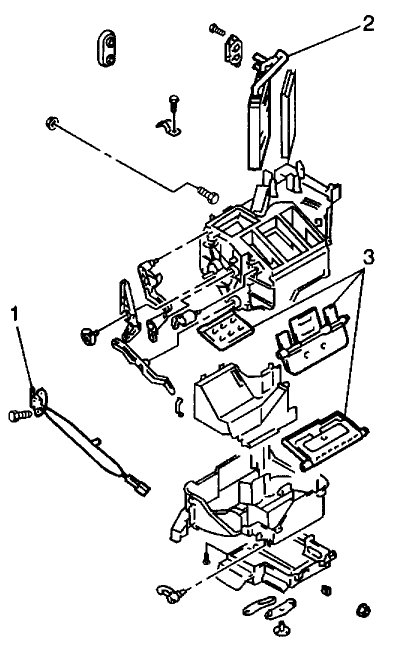
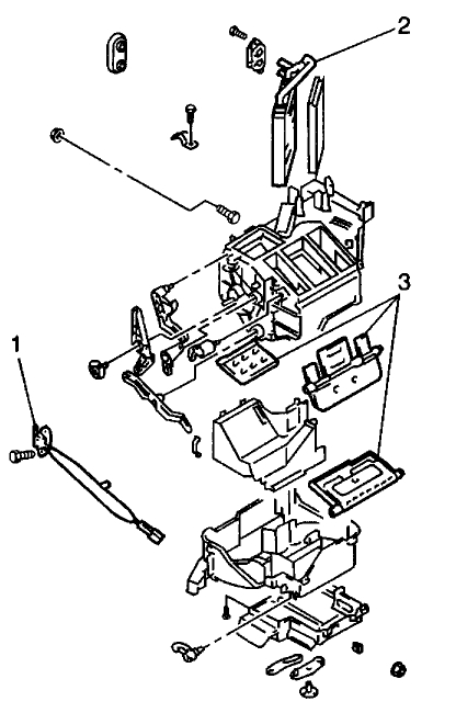
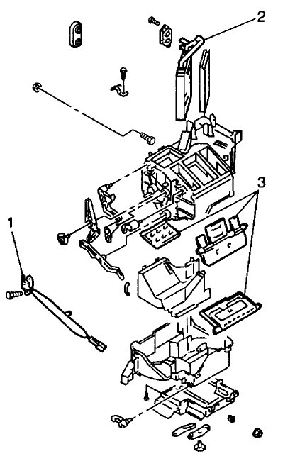
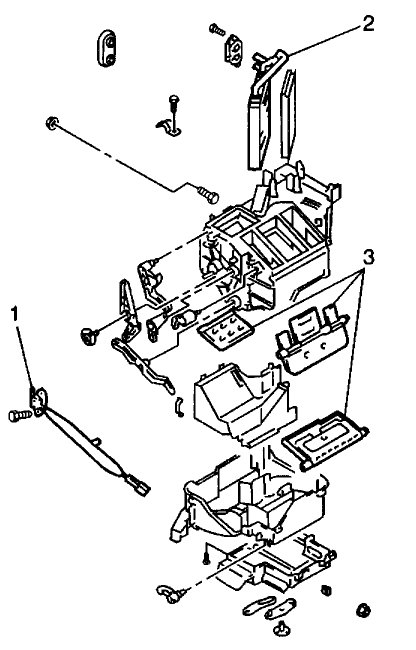
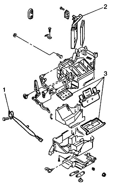
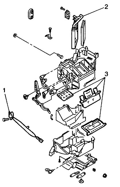
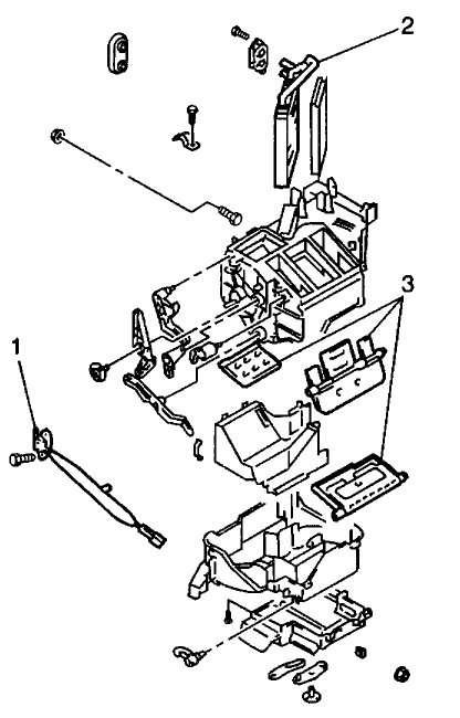
Best guess is a broken blend door inside the case or the shaft sheared at the control. They are plastic and can break. Items tagged with 3 in the picture. I would try removing the cable and see if you can move the door manually right at the shaft. If you have a bore scope you could snake it into the system and look at the doors themselves. If they are broken, it depends on where. I have repaired a couple that the shaft was broken by drilling through the shaft from the end and installing a long small screw coated with epoxy.
Was this
answer
helpful?
Yes
No
Tuesday, September 26th, 2017 AT 4:35 AM

Please login or register to post a reply.