Taillights not working?

Tiny
E EUGENE
  • MEMBER
  • 1997 HONDA ODYSSEY
  • 4 CYL
  • 2WD
  • AUTOMATIC
  • 230,000 MILES
Lights quit working then they started working again now they stopped working when they were working, they were all working now they've been not working for like a week or more.

What most likely is the problem I've checked the fuses check the bulbs well like I said before all the bulbs were working when they were working.
Friday, February 14th, 2025 AT 1:30 PM

7 Replies

Tiny
KEN L
  • MASTER CERTIFIED MECHANIC
  • 55,499 POSTS
I would check the "small light fuse #32" to make sure it is not loose in the holder, if everything is good there, I would replace the headlight switch, (combination switch). There are a few grounds, but I don't think this can be the issue since all of the lights go out. Here is the location of the fuse and how to change the switch out in case the fuse is good. Check out the images (below). Please let us know what happens.
Was this
answer
helpful?
Yes
No
Saturday, February 15th, 2025 AT 11:02 AM
Tiny
E EUGENE
  • MEMBER
  • 5 POSTS
I have put in a new combination switch on the column that switch turns on the headlights and the turning signals
And taillights. That has been replaced and is new.
So that's not it. The no 32fuse has been checked, replaced tested, checked to see if it's loose. That's not it.

Couldn't it be the brake switch that's causing the problem?
Was this
answer
helpful?
Yes
No
Saturday, February 15th, 2025 AT 11:13 AM
Tiny
KEN L
  • MASTER CERTIFIED MECHANIC
  • 55,499 POSTS
There is not much between the switch and the bulbs, can you tell me if you have power to the reg/grn wire at the switch?

This guide can help:

https://www.2carpros.com/articles/how-to-use-a-test-light-circuit-tester

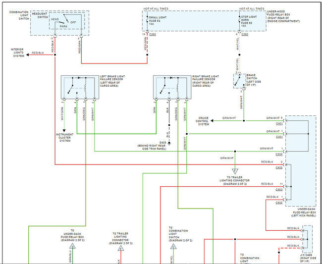
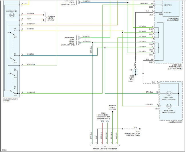
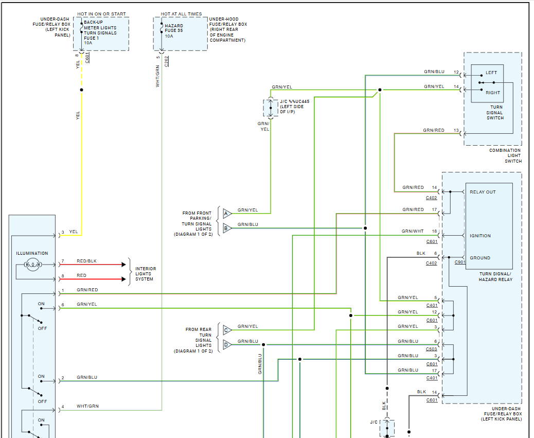
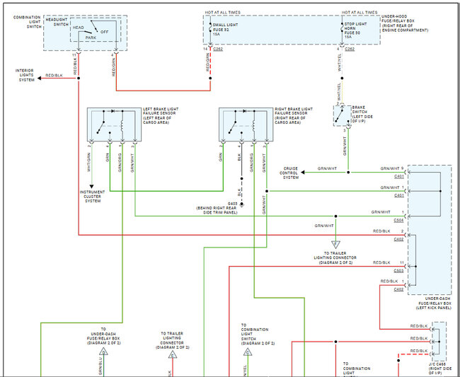
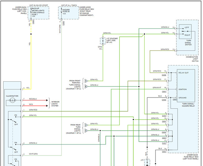
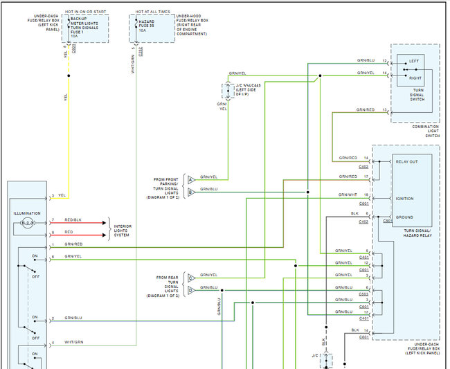
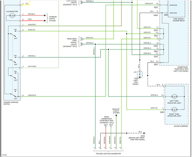
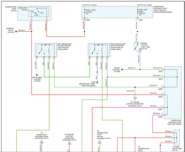
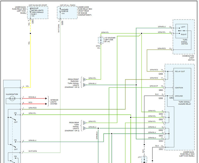
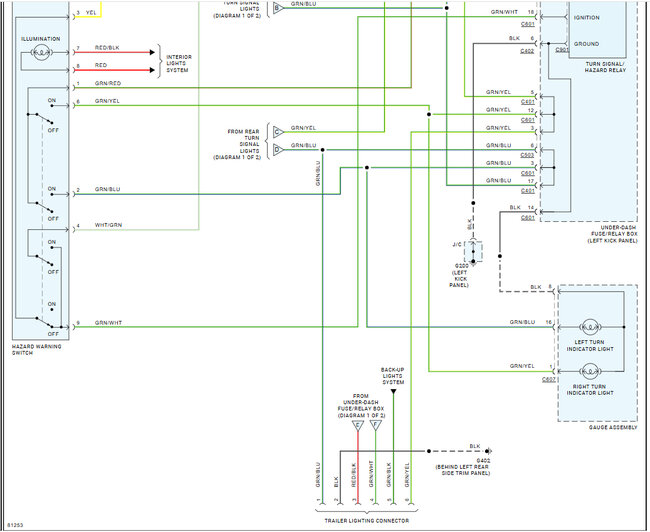
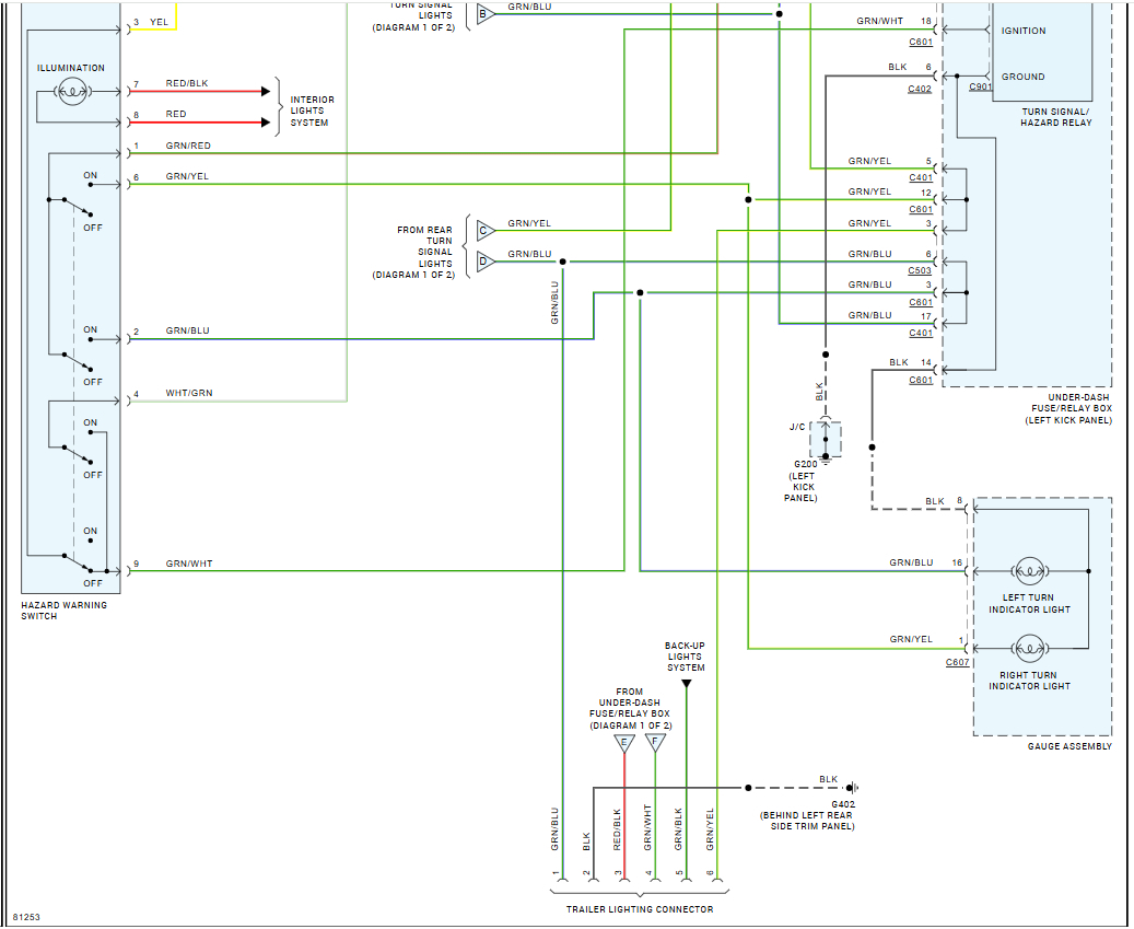
Here are the running light wiring diagrams so you can see how the system works.

Check out the images (below). Please let us know what happens.
Was this
answer
helpful?
Yes
No
Monday, February 17th, 2025 AT 8:38 AM
Tiny
E EUGENE
  • MEMBER
  • 5 POSTS
So, I've replaced the combination switch I've checked the fuses 100 times. I'm wondering if any relay might be a problem. Also, somebody said maybe it's the brake switch. It seems like it's got to be something simple.
Was this
answer
helpful?
Yes
No
Monday, February 17th, 2025 AT 3:07 PM
Tiny
KEN L
  • MASTER CERTIFIED MECHANIC
  • 55,499 POSTS
Can you tell me if you have power to the reg/grn wire at the switch?

This guide can help:

https://www.2carpros.com/articles/how-to-use-a-test-light-circuit-tester

Please let me know.
Was this
answer
helpful?
Yes
No
Tuesday, February 18th, 2025 AT 9:30 AM
Tiny
E EUGENE
  • MEMBER
  • 5 POSTS
So I think I may just sing somewhere clear. I've changed the combination switch on the column. I've checked the bulbs. I've checked the fuses, and I have no idea where they teg/ gtn wire is.
So how can I tell you if there's power there?

I'm pretty sure that there is an easy answer to this problem it just simply is like a relay if there is a relay also, I've mentioned many times if some people are saying it could be the brake switch.
Was this
answer
helpful?
Yes
No
Tuesday, February 18th, 2025 AT 12:37 PM
Tiny
KEN L
  • MASTER CERTIFIED MECHANIC
  • 55,499 POSTS
Okay, does the fuse #32 have power? please use this guide to find out:

https://www.2carpros.com/articles/how-to-check-a-car-fuse

Was this
answer
helpful?
Yes
No
Wednesday, February 19th, 2025 AT 9:49 AM

Please login or register to post a reply.