Engine cranks but does not start?

Tiny
XCODY22X
  • MEMBER
  • 1997 GMC SIERRA
  • V8
  • 2WD
  • AUTOMATIC
  • 169,000 MILES
Truck will crank over but not start. When cranking, it turns and then stops and sounds like it is restarting then repeats. Replaced crank shaft position sensor. Replaced distributor and cap. Replaced camshaft position sensor. Replaced ignition coil. Replaced PCM module. Replaced ignition. Replaced ignition housing. Replaced ignition coil module. Nothing has worked! I need help!

When the truck first shut off, I replaced the distributor, and it worked after that but a month later it shut off again. When I replaced the ignition coil it worked and shut off again a month later, now it won't start at all after replacing all these parts. All spark plugs are sparking blue, and fuel is pushing through the fuel line.
Monday, September 5th, 2022 AT 6:21 PM

6 Replies

Tiny
JACOBANDNICKOLAS
  • MECHANIC
  • 110,194 POSTS
Hi,

If you have spark, then it isn't getting fuel into the engine. You may have fuel pressure at the rail, but the injectors are likely not getting power. You could test it by seeing if it starts using starting fluid and then stalls. If it does, then go to the injectors. Each injector will have a pink wire. That is the power supply for each injector. With the key on, see if there is power to the pink wire at each injector.

Here is a link that you may find helpful:

https://www.2carpros.com/articles/how-to-check-wiring

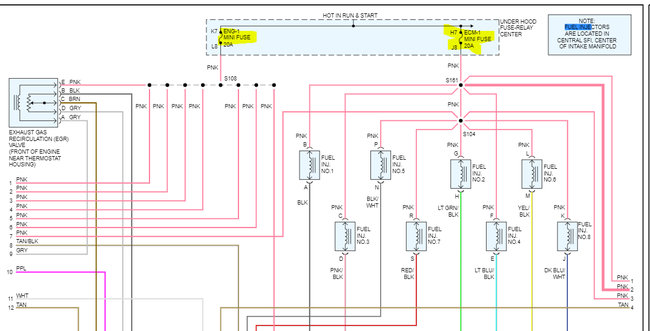
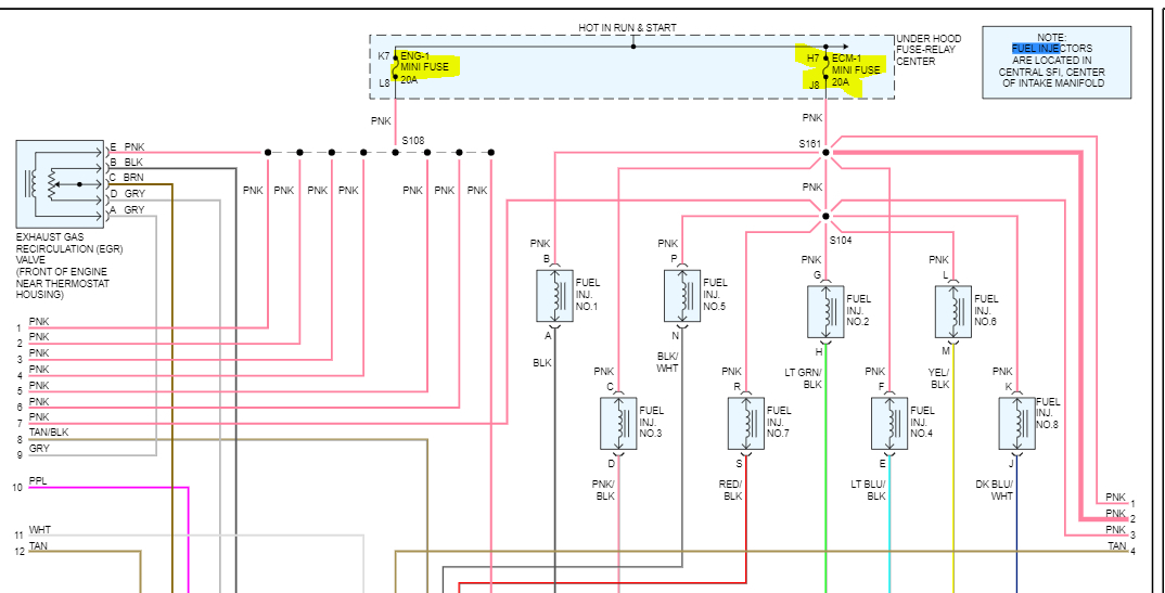
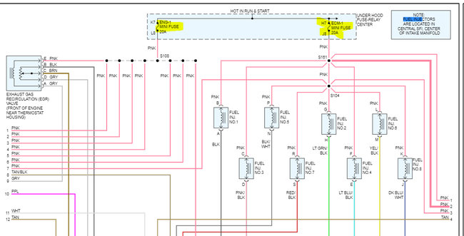
Also, I attached the schematic of the fuel injectors. Note the pink wire is spliced. There could be corrosion or damage at a splice.

Let me know what you find.

Joe

Was this
answer
helpful?
Yes
No
Monday, September 5th, 2022 AT 9:46 PM
Tiny
XCODY22X
  • MEMBER
  • 4 POSTS
This could explain a lot! I will let you know if this turns out to be the case. Thank you so much!
Was this
answer
helpful?
Yes
No
Tuesday, September 6th, 2022 AT 10:18 AM
Tiny
XCODY22X
  • MEMBER
  • 4 POSTS
So, the spark plugs have a very weak spark. Could it be a ground issue?
Was this
answer
helpful?
Yes
No
Tuesday, September 6th, 2022 AT 10:47 AM
Tiny
JACOBANDNICKOLAS
  • MECHANIC
  • 110,194 POSTS
Hi,

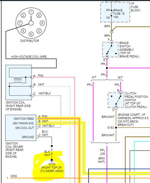
Yes, there could be a ground issue, a faulty coil, a faulty control module, and so on. So, let's start with testing the coil.

Take a look at the attachments below. Those explain how to test an ignition coil. Let me know if you are comfortable performing them.

Take care and let me know what you find.

Joe

See pics below.
Was this
answer
helpful?
Yes
No
Tuesday, September 6th, 2022 AT 6:09 PM
Tiny
XCODY22X
  • MEMBER
  • 4 POSTS
The coil was replaced and the coilodupe was replaced twice. I was getting code for high voltage in coil. After the second replacement of coil module the code went away. That's why I'm thinking it's a ground wire somewhere. Is there any way to test ground wires? Or should I just test all of them?
Was this
answer
helpful?
Yes
No
Tuesday, September 6th, 2022 AT 7:20 PM
Tiny
JACOBANDNICKOLAS
  • MECHANIC
  • 110,194 POSTS
Hi,

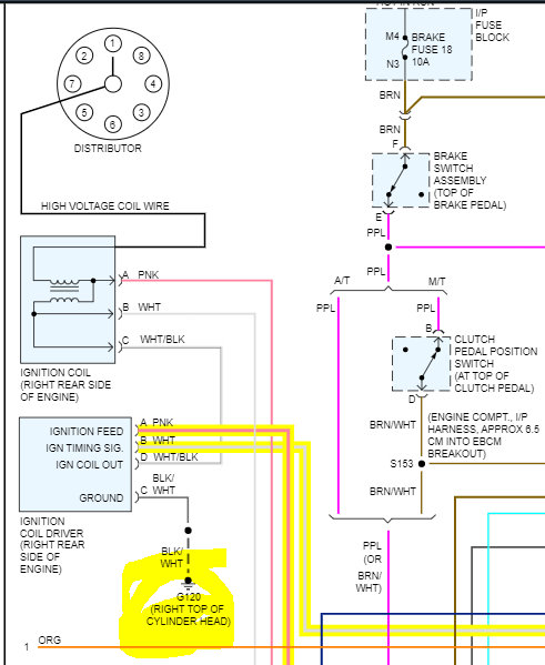
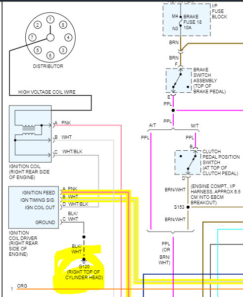
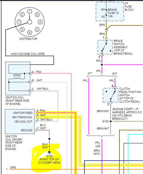
If you suspect an issue with a ground circuit, check to see if there is continuity to ground from the coil driver to its grounding point via the wire in question. In this case, it is a black wire.

Here is a link that you may find helpful:

https://www.2carpros.com/articles/how-to-check-wiring

As far as the ground location, it will be at the rear of the right cylinder head. See pic below.

Joe

See pic below.
Was this
answer
helpful?
Yes
No
Wednesday, September 7th, 2022 AT 6:39 PM

Please login or register to post a reply.