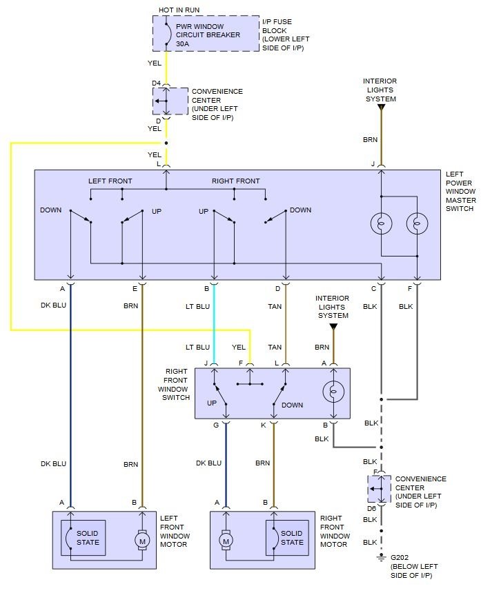
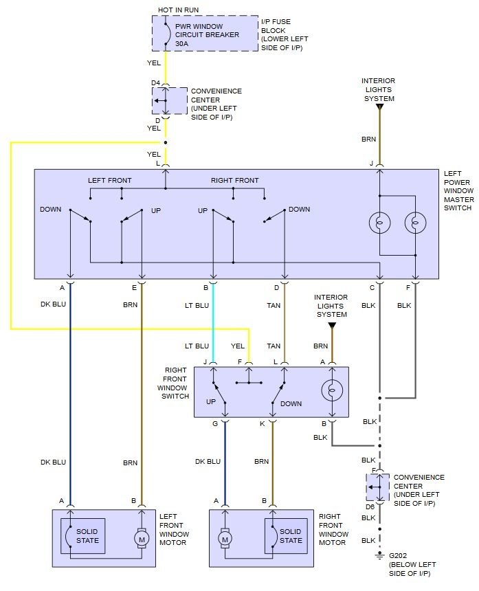
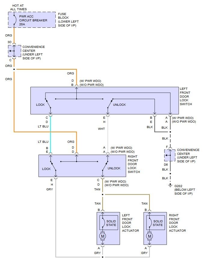
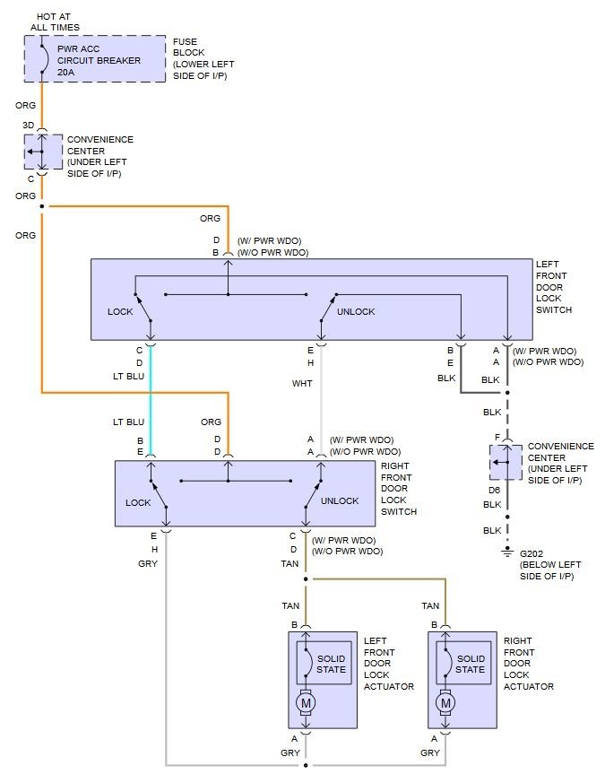
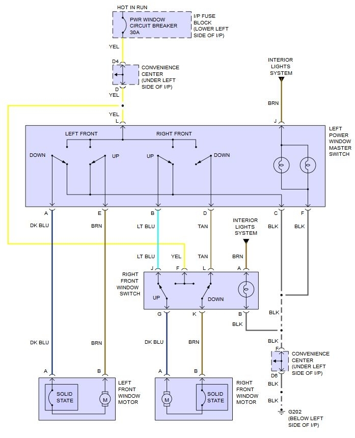
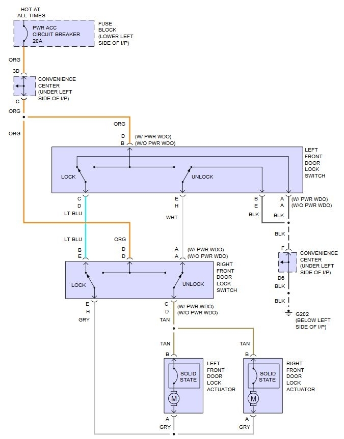
The wires you are using at the moment are the 4wd indicator and the ground. The "new" harness would have those an the power feed for the locks in connector D3 and the power windows in D4. The biggest thing though is that you need the connectors and the cross over wiring to allow the controls in the drivers door to control the passengers door.
On the wiring diagrams you can see all the wires. It looks more complex than it actually is because they show all the wiring, even the stuff inside the doors. Then you have the ground in D6 which is shared between the locks, windows and 4wd light.
Personally I would get the connectors from a salvage truck along with as much of the wires I could, then wire it myself. I would also "repair" a couple of the issues GM didn't. For instance I would ground the wiring at both the pillar and the con. Center.
Was this helpful?
Yes
No
Tuesday, January 10th, 2017 AT 10:03 AM





