Won't crank

Tiny
GRAHAMWISE
  • MEMBER
  • 1995 CHEVROLET BLAZER
  • 4.3L
  • V6
  • AUTOMATIC
  • 140,000 MILES
Will not crank over but all the dash lights come on and the fuel pump powers up.

I was driving in town, and the engine cut out a few times, then while coming back down the hill it just died while doing about 45mph

At first I thought starter, but that wouldn't make it die while driving.

Ideas?
Sunday, February 28th, 2016 AT 3:34 PM

2 Replies

Tiny
KASEKENNY
  • MECHANIC
  • 18,907 POSTS
We need to start at the basics with the info that we have. I think we will get in trouble if we make assumptions. So, if the engine will not crank then let's go to the starter and check the voltage.

If the voltage is there then the starter is the issue. You could have a different issue that caused the stall.

So, let's just deal with the facts that we have, and the starter does not appear to be working so that could be a fuse, relay or a starter issue.

Here are some guides that will help with this:

https://www.2carpros.com/articles/how-to-check-wiring

https://www.2carpros.com/articles/starter-not-working-repair

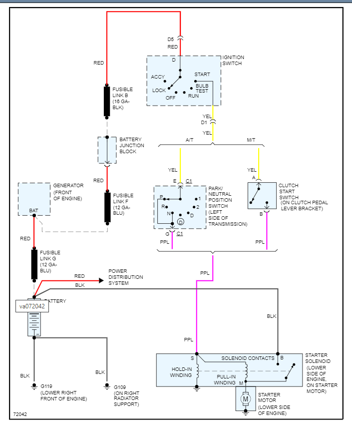
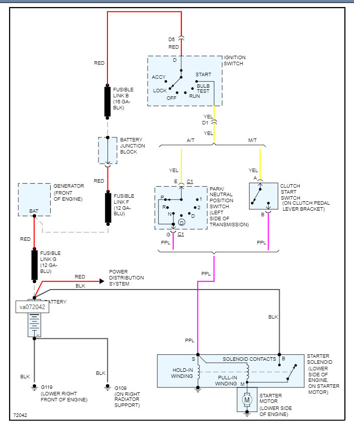
Please see the wiring diagram below as well that will give the wiring that we need to test but let's check for 12 volts at the starter when cranking the engine and you should have 12 volts on both wires.

Let me know what you find.

Thanks
Was this
answer
helpful?
Yes
No
Tuesday, March 1st, 2022 AT 6:58 PM
Tiny
GRAHAMWISE
  • MEMBER
  • 1 POST
I got another starter and it worked great. Thanks
Was this
answer
helpful?
Yes
No
Tuesday, March 1st, 2022 AT 6:58 PM

Please login or register to post a reply.