Wednesday, October 3rd, 2018 AT 3:30 PM
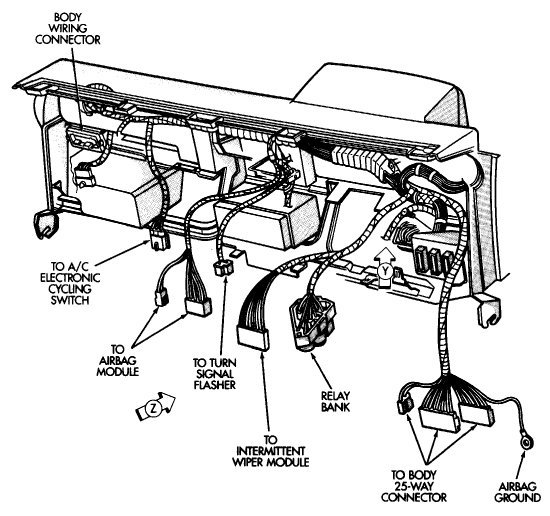
The turn signals do not work! Hazard flashers work, lights work, wipers work. When move arm for signals it stays in that position and does not release. And turn signals do nothing. Only found one fuse box. All spots are not filled with fuses either.



