Friday, November 29th, 2013 AT 1:55 PM
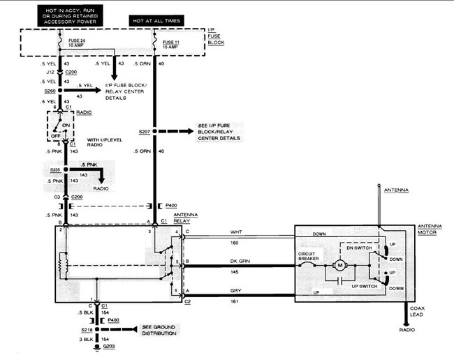
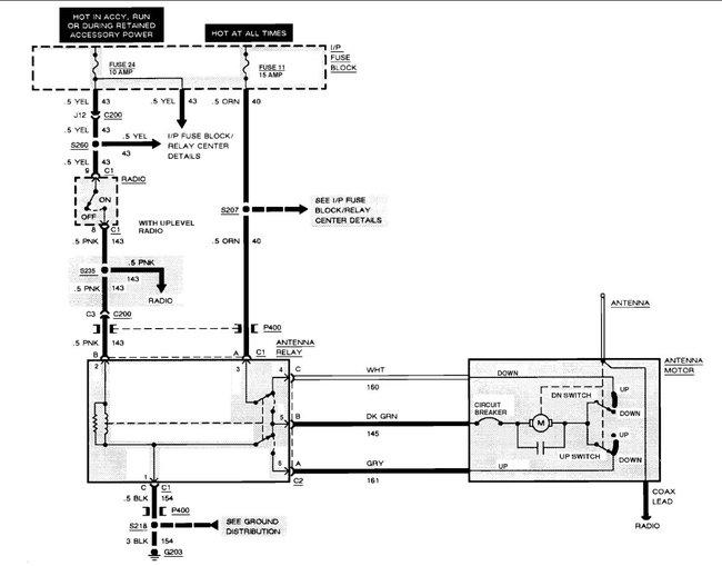
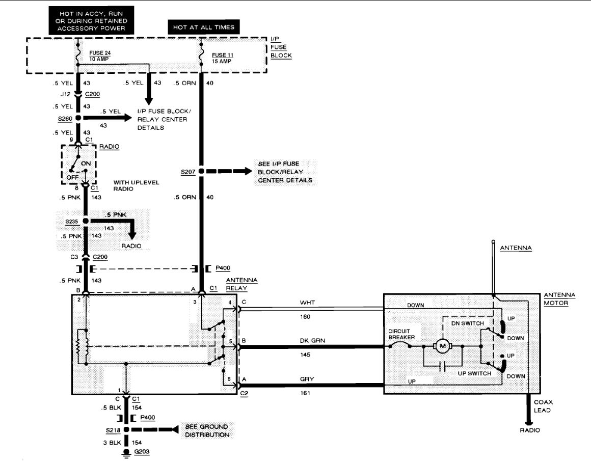
I just bought this car and the dealer told me the radio doesn't work, and it doesn't. There seems to be two radio units. The one is part of the dash display to the right of the speedometer. It has a tape player built-in. The other is lower on the dash next to the cig lighter. It has no power button but plays CD's. When I try to put a CD into the player it makes a noise and won't pull-in the CD. There is an LED display on the CD unit but it's not lit-up. I need to know how to get this unit out so I can replace it. Also the upper dash radio does have a power button and the LED's do light. I was able to change the time fine, but when I select AM or FM I just get static on all stations. I checked the auto antenna and it goes up and down properly. The antenna wire is plugged into the antenna. I want to check the dash unit to ensure the antenna wire is connected properly. How do I do that? I checked the fuses 24, 11, 9 and a random few others. All fuses were good but radio still just static. Suggestions for me to try and/or manuals on how to remove both units (Owners Manual doesn't have instructions) is appreciated.




