Seatbelt Starter Interlock System Bypass?

Tiny
JJZALUSK
  • MEMBER
  • 1974 CHEVROLET CORVETTE
  • 5.7L
  • V8
  • 2WD
  • AUTOMATIC
  • 70,000 MILES
Need some help folks. I am about 50% through a restoration on my 1974 with a 350/automatic. Engine is ready to fire up. I have installed a new engine wiring harness and new dash wiring harness with fuse box. Seatbelt interlock relay (mounted to orange connector on passenger side firewall, which I do not have) and seat belt interlock module (typically mounted under one of the seats) have not been wired. Is there any way to start the car without the interlock relay and interlock module installed, using the ignition key? I want to make sure the engine is solid before I move forward completing the interior and installing the forward/rear wiring harnesses. Need directions down to the wire color if possible. Thanks.
Tuesday, July 9th, 2024 AT 1:32 PM

6 Replies

Tiny
KEN L
  • MASTER CERTIFIED MECHANIC
  • 55,077 POSTS
Sorry we do not have any information that goes that far back, you need to get a wiring diagram from a restoration manual. I would use jumper wires for the ignition system then jump the starter solenoid using an exterior push button switch to test the engine. Good luck on the rebuild, please upload images when possible, we like these kinds of projects.
Was this
answer
helpful?
Yes
No
Tuesday, July 9th, 2024 AT 4:30 PM
Tiny
STEVE W.
  • MECHANIC
  • 15,610 POSTS
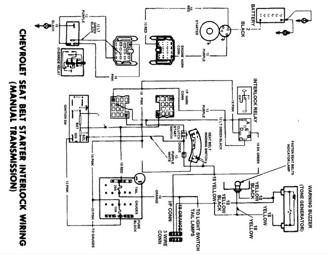
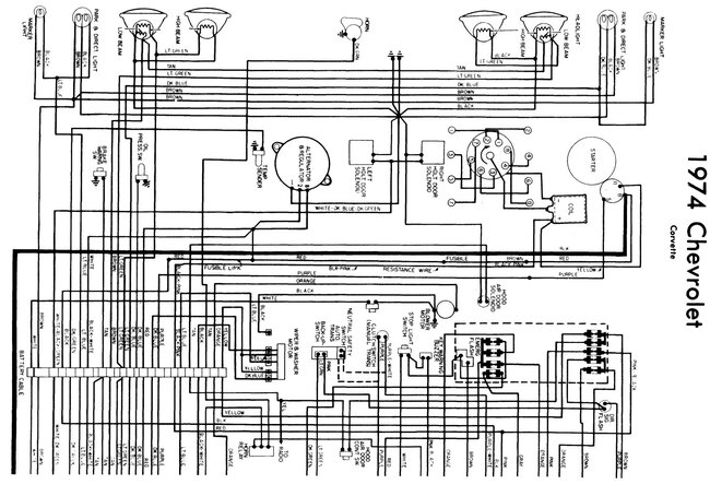
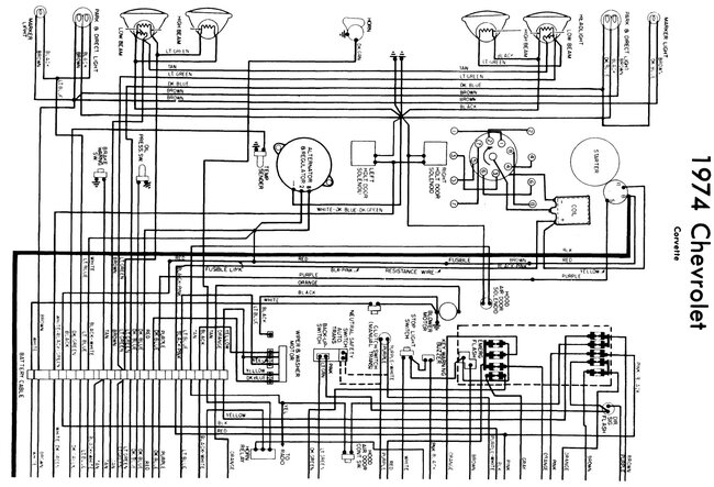
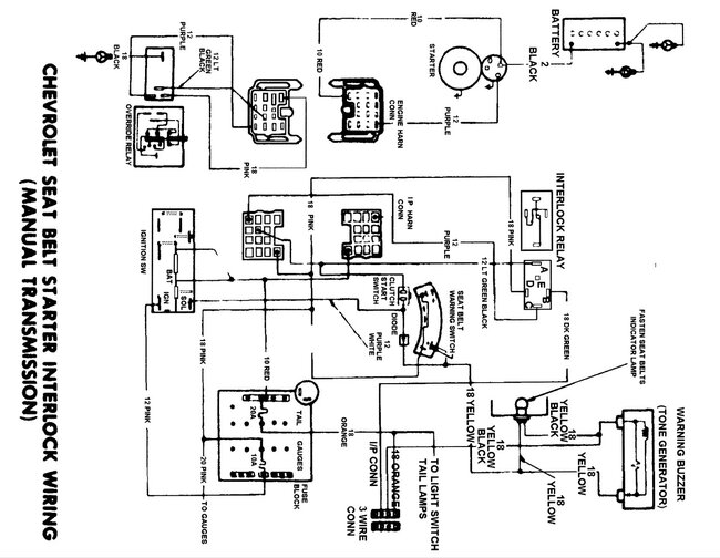
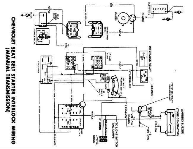
The relay is part of the system but isn't that difficult to bypass. The catch is that it isn't the only item that has to be bypassed to get the key to turn the engine over. You have to bypass the override relay as well. Attached is the wiring for the system. Note that the override relay isn't hard to jumper if you simply connect the two terminals at the end, they go to the pink wire and the purple wire. The interlock relay isn't an issue either, you simply bridge it out, but without the park and neutral and the rest that will only get the starter to turn, it won't run because the power to the coil is on different circuits.
What I would do if you just wanted to test the engine is what Ken suggests. Simply bypass all the electronics and run the engine on its own. However, that will not allow you to see oil pressures, temperatures or if the alternator operates. What I would do is get one of the gauge sets that uses mechanical inputs, connect the oil pressure and temperature up and then grab a multimeter. Now one thing, the 74 used a separate coil and points from the factory If you still have those you will want to get a ballast resistor when you get the gauges. That will keep the points from burning up. The 74 used a resistance wire in the power feed to the coil, in start the coil got full 12 volts from the Run terminal on the starter, then when the engine started and the key drops to run the power goes through the resistance wire which drops the voltage down to 6-7 volts. (Personally, I convert points over using a Pertronix kit, makes it look stock but eliminates the need to adjust the points)
So to run it, you would connect the battery to the starter, then run a wire from the Start terminal on the starter through a switch or just leave it loose, Connect a wire through the battery positive through a switch or clip to the ballast resistor and the other side of the ballast resistor goes to the coil +Plus terminal. Also make a short jumper that you can clip across the ballast resistor. Connect the clip or flip the switch to the resistor on with the bypass jumper across it and then touch the wire to the S terminal to battery positive. Warning be sure the tires are blocked, and the transmission is in neutral or park. You are bypassing all of the safety systems doing this and it's really easy to forget those items. As soon as you touch the wire the starter solenoid should engage, and the engine will turn over. Because it has been set for a while it might take a bit to start up. When it does start, remove the bypass jumper across the ballast resistor, it was there to give the coil full voltage for starting. Removing it will drop the voltage to save the coil and points.
If it runs OK and has good oil pressure, I would run it long enough to break in the cam following their instructions (if you converted it to a roller this isn't quite as important)
Once you are through testing you can shut it off by cutting the power to the ballast resistor.
Was this
answer
helpful?
Yes
No
Wednesday, July 10th, 2024 AT 1:49 AM
Tiny
JJZALUSK
  • MEMBER
  • 3 POSTS
Thank you. Additional information. I have installed a new modern distributor (no points), and also a MSD Blaster 2 coil, no ballast resistor, no seat belt interlock override relay, and no seat belt interlock module. None of the old technology. Does this simply your recommendation?
Was this
answer
helpful?
Yes
No
Wednesday, July 10th, 2024 AT 6:56 AM
Tiny
STEVE W.
  • MECHANIC
  • 15,610 POSTS
Whose harness are you using? I might be able to look it up and see what they did for the systems. With a modern distributor and coil you can eliminate the ballast resistor from the above and the override jumper. You will still want a way to disconnect the coil so you can shut it off.
Was this
answer
helpful?
Yes
No
Wednesday, July 10th, 2024 AT 9:44 AM
Tiny
JJZALUSK
  • MEMBER
  • 3 POSTS
I purchased both dash and engine harness from Zip Corvette. 1974, 350, automatic, with A/C.
Was this
answer
helpful?
Yes
No
Wednesday, July 10th, 2024 AT 9:59 AM
Tiny
STEVE W.
  • MECHANIC
  • 15,610 POSTS
So, it's basically an OE harness with modifications. Should make things easier. You can still use the bypass methods to run it, basically turns the chassis into a test stand.
Was this
answer
helpful?
Yes
No
Wednesday, July 10th, 2024 AT 4:10 PM

Please login or register to post a reply.