Number seven PCM fuse keeps blowing

Tiny
KEVIN DEAN HALLMARK
  • MEMBER
  • 2006 MITSUBISHI TRUCK
  • 3.7L
  • 6 CYL
  • 2WD
  • AUTOMATIC
  • 215,000 MILES
The number 7 PCM/RAD/AC COILS keeps blowing out. Back six months ago I had a fuel rail assembly replaced because the same thing happened and they thought that was problem. I'm at a loss now. Thank you for your time.
Friday, June 18th, 2021 AT 11:38 AM

10 Replies

Tiny
JACOBANDNICKOLAS
  • MECHANIC
  • 110,192 POSTS
Hi,

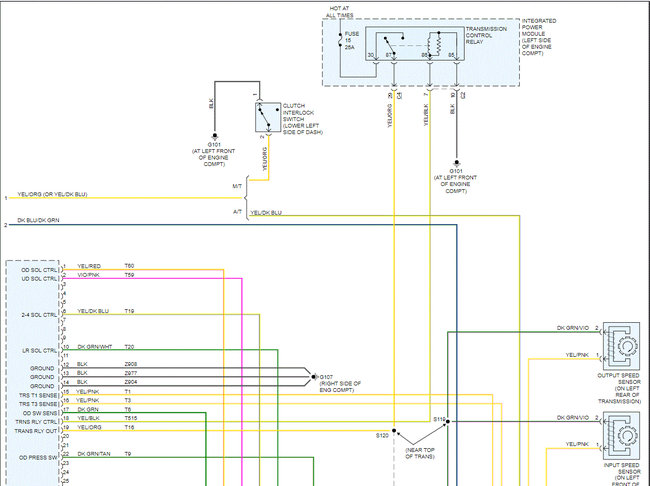
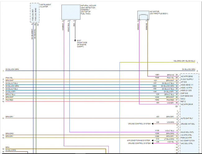
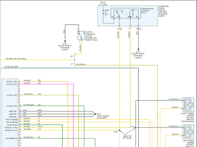
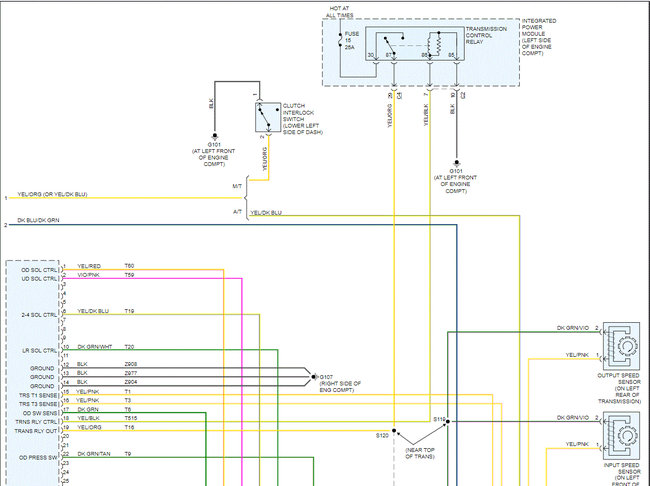
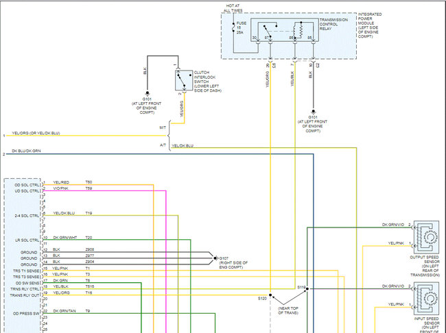
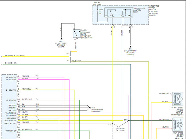
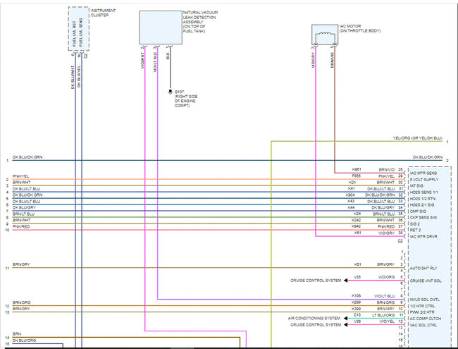
First, I attached the entire wiring schematic for the powertrain management system below. I had to cut each pic in half to make them readable, but I did overlap them so you can follow from one to the next.

First, does the fuse blow as soon as it's installed? The fuse, which you likely already know, is the ignition start/run fuse. Looking at the schematic, there is a splice between the fuse and the PCM. I have a feeling that is where the problem is. There is a chance it is shorting there.

If you look at the pics below, I highlighted what I'm referring to in pic 1.

The splice is in the wiring harness near the ABS module (under the hood driver's side). You need to open that harness carefully and locate the pink wire with a gray tracer. Follow it until you locate the splice and inspect it.

The last pic below shows the approx location of the splice.

Let me know what you find or if you have other questions.

Take care,

Joe
Was this
answer
helpful?
Yes
No
Friday, June 18th, 2021 AT 10:02 PM
Tiny
KEVIN DEAN HALLMARK
  • MEMBER
  • 8 POSTS
I followed that wire and I couldn't find anything wrong with it, I'm not saying I didn't overlook anything. I'm still having the same issue it will blow the fuse about 15 minutes into driving it sometime as soon as I put the fuse and turn the key on it will blow it again, and sometimes I can drive it for days and it not blow fuse. Any more ideas would be greatly appreciated.
Thank you
Was this
answer
helpful?
Yes
No
Thursday, August 26th, 2021 AT 7:12 PM
Tiny
JACOBANDNICKOLAS
  • MECHANIC
  • 110,192 POSTS
Hi,

Were you able to locate the splice? Also, did you check the connectors to make sure there isn't an issue with one of the pins or the connection itself?

Joe
Was this
answer
helpful?
Yes
No
Thursday, August 26th, 2021 AT 9:32 PM
Tiny
KEVIN DEAN HALLMARK
  • MEMBER
  • 8 POSTS
I was not able to find this place and I did not check the connectors. I'll check those are you talkin about the connectors at the fuse box.
Was this
answer
helpful?
Yes
No
Thursday, August 26th, 2021 AT 10:30 PM
Tiny
JACOBANDNICKOLAS
  • MECHANIC
  • 110,192 POSTS
Check them as well as what they power. There could be a damaged pin causing a short. Here is a link you may find helpful:

https://www.2carpros.com/articles/how-to-check-wiring

Let me know.

Joe
Was this
answer
helpful?
Yes
No
Thursday, August 26th, 2021 AT 10:34 PM
Tiny
KEVIN DEAN HALLMARK
  • MEMBER
  • 8 POSTS
I will thank you.
Was this
answer
helpful?
Yes
No
Friday, August 27th, 2021 AT 2:00 AM
Tiny
KEVIN DEAN HALLMARK
  • MEMBER
  • 8 POSTS
  • 2006 MITSUBISHI TRUCK
  • 3.7L
  • V6
  • 2WD
  • AUTOMATIC
  • 125,000 MILES
I traced that wire the pink one with a great racer and I didn't see where there's any problems on it. I don't know if I was overlooking something but I'm still having the same problem. Any other ideas please?
Was this
answer
helpful?
Yes
No
Friday, August 27th, 2021 AT 9:54 AM (Merged)
Tiny
JACOBANDNICKOLAS
  • MECHANIC
  • 110,192 POSTS
Hi,

Is this question already asked on a different thread? If not, can you provide more info?

Thanks,

Joe
Was this
answer
helpful?
Yes
No
Friday, August 27th, 2021 AT 9:54 AM (Merged)
Tiny
KEVIN DEAN HALLMARK
  • MEMBER
  • 8 POSTS
The number 7 PCM/RAD/AC COILS keeps blowing out. Back six months ago I had a fuel rail assembly replaced because the same thing happened and they thought that was problem. I'm at a loss now. Thank you for your time.
Was this
answer
helpful?
Yes
No
Friday, August 27th, 2021 AT 9:54 AM (Merged)
Tiny
JACOBANDNICKOLAS
  • MECHANIC
  • 110,192 POSTS
First, I attached the entire wiring schematic for the powertrain management system below. I had to cut each pic in half to make them readable, but I did overlap them so you can follow from one to the next.

First, does the fuse blow as soon as it's installed? The fuse, which you likely already know, is the ignition start/run fuse. Looking at the schematic, there is a splice between the fuse and the PCM. I have a feeling that is where the problem is. There is a chance it is shorting there.

If you look at the pics below, I highlighted what I'm referring to in pic 1.

The splice is in the wiring harness near the ABS module (under the hood driver's side). You need to open that harness carefully and locate the pink wire with a gray tracer. Follow it until you locate the splice and inspect it.

The last pic below shows the approx location of the splice.

Let me know what you find or if you have other questions.

Take care,

Joe
Was this
answer
helpful?
Yes
No
Friday, August 27th, 2021 AT 9:54 AM (Merged)

Please login or register to post a reply.