Thursday, February 11th, 2021 AT 12:17 PM
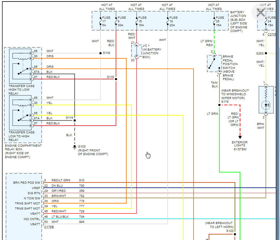
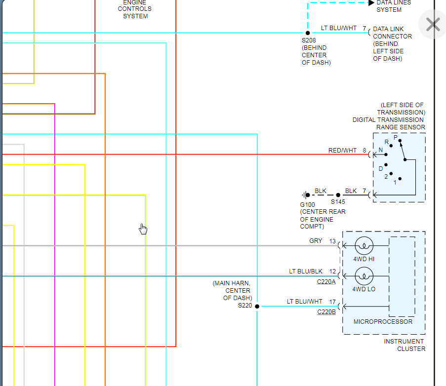
Suv listed above is an Eddie Bowers Edition. Okay, someone borrowed that you when they returned it it feels like the four-wheel drive low is locked in. So I thought maybe the motor so I changed the motor that didn't seem to do nothing. Well, then I went to the switch a little button 3 button pusher on there which says 4lo 4hi and all-wheel drive and I thought okay maybe that could be the problem, but before I replace it I wanted to test the wiring harness make sure that one of the wires didn't get burnt or nothing. However, I cannot find the wiring harness information online anywhere and I do out of the six wires have two hots when the key is on and three grounds and one all-time hot now here's the thing here's the real kicker when I hit the for high the light comes on on the dash. Now when I hit the for low the light doesn't come on on the dash but the light on the button starts blinking about 20 times. So I'm not sure what the problem is. I don't know where to go is it the transfer case, is it a bad wire, is it the bad button, is it the computer. However I took a pair of pars and I tried to manually move the transfer case to see if it was locked in it does seem to move a little however according to the trigone there and according to what I think it actually says it's in 4 high. So is it possible that the button is making it going for high even though it doesn't tell it that it's for high, it's actually feeling like low. Not really sure it's very odd and I have no idea where to go next. So a wiring diagram would help or somebody actually has had this freaked up sideways problem that can help me out and tell me what they did to fix there's.















