4WD not engaging

Tiny
CHEVY FLATBED
  • MEMBER
  • 2000 CHEVROLET 3500
  • 7.4L
  • V8
  • 4WD
  • AUTOMATIC
  • 102,000 MILES
I have the vehicle listed above with the 454 4l80 and manual 4x4 on the floor. I was using it one day on a job 4wd was working fine put truck back okay in 2wd got to dump went to put it in 4 lo and nothing happened. No lights, no engagement of front axles and no low range. I replaced a switch on top of the front drive shift on the transfer case. I'm not getting power to the actuator on the front axle and my driver side CV axle has a good amount of play and needs replaced. Not really sure where to start on this problem. If some could give me some ideas I would appreciate it. Thank you
Sunday, September 13th, 2020 AT 11:42 AM

7 Replies

Tiny
4DRTOM
  • MECHANIC
  • 467 POSTS
Hello,

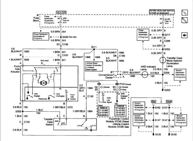
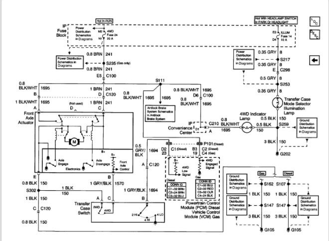
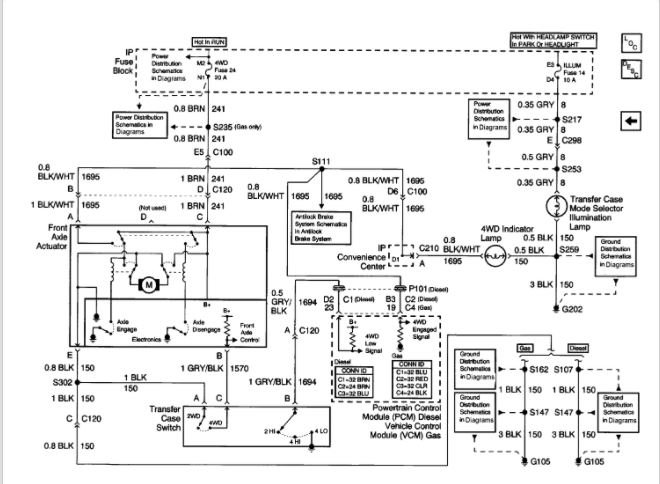
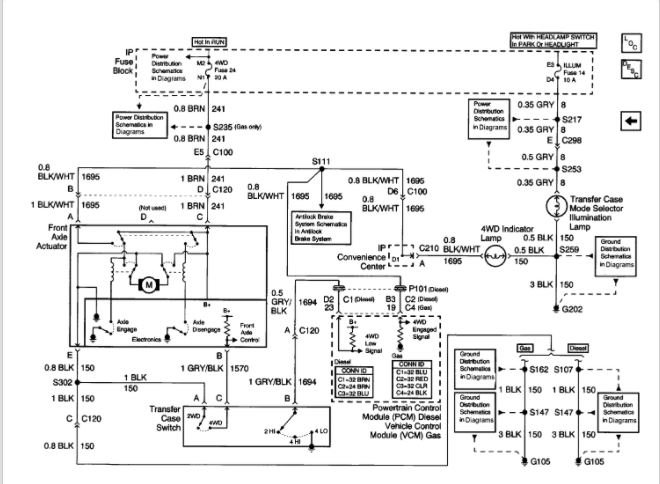
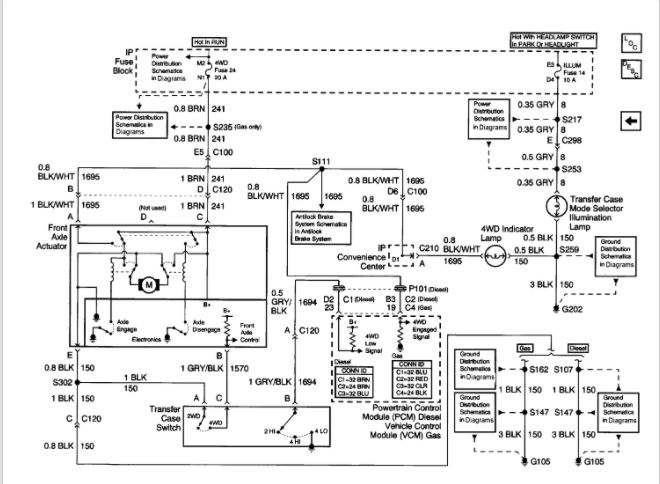
Did you check the switch at the shifting lever for power when you changed it out? Checking the fuse for that should be the start of your investigation. I would check all the fuses. It does sound like you have an electrical issue this happening after dumping a load also check all around any wires that may have been hit during that especially and grounds that could have been hit. I have attached diagrams that should help with testing. Is this the 2 speed Borg Warner case?
Let me know,
Tom
Was this
answer
helpful?
Yes
No
Sunday, September 13th, 2020 AT 6:03 PM
Tiny
CHEVY FLATBED
  • MEMBER
  • 14 POSTS
There is power getting to the switch and the truck is a flatbed no dump bed. But the switch is getting a steady 12.2 volts. Also do you know where the fuse is? I have looked everywhere and cannot find it. Thank you
Was this
answer
helpful?
Yes
No
Sunday, September 13th, 2020 AT 6:54 PM
Tiny
4DRTOM
  • MECHANIC
  • 467 POSTS
Hello,

Check out this article on transmissions give it a look it may help:

https://www.2carpros.com/articles/automatic-transmission-problems

Here is the TSB (Technical Service Bulletin) that applies to this year.
File In Section: 06 - Engine/Propulsion System

Bulletin No.: 99-06-04-053

Date: November, 1999

INFORMATION

Subject:
Power-train Control Module (PCM) Reprogramming
(Do Not Reprogram Using the Same Download Files as Those Already Present in The Control Module)

Models:
1990-2000 Passenger Cars and Trucks with Re-programmable PCM

It is strongly recommended to NOT reinstall the same software and/or calibration download file(s) into the power-train control module as those that are already present in the PCM. There is no technical reason that the download files inside the PCM would ever become corrupted after the control module had previously been successfully programmed. A P0601 (Control Module Read Only Memory) Diagnostic Trouble Code would set in memory and the MIL would be illuminated if the controller memory became corrupted.

The Techline Information System 2000 (TIS 2000) PC, combined with vehicle information gained through the Tech 2, can determine when an attempt to reprogram a PCM using the same download files (as those already in the control module) is being requested. If this is attempted, the TIS 2000 PC currently displays the following message:

Notice:
THE CALIBRATION SELECTED IS THE CURRENT CALIBRATION IN THE CONTROL MODULE. PROGRAMMING WITH THE SAME DOWNLOAD FILES IS NOT AN EFFECTIVE REPAIR. SELECT ( YES ) TO CONTINUE PROGRAMMING THE CONTROL MODULE,OR ( NO ) TO CANCEL.

Effective in the first quarter of 2000, the TIS 2000 PC will indicate:

Important:
THE CALIBRATION SELECTED IS ALREADY THE CURRENT CALIBRATION IN THE CONTROL MODULE. REPROGRAMMING WITH THE SAME DOWNLOAD FILE IS NOT ALLOWED.

Certain learned values, such as: (but not limited to)

fuel trim (previously known as block learn memory),

IAC learned position in various park/neutral and air conditioning on/off combinations,

certain OBDII diagnostic thresholds,

automatic transmission shift adapts

will revert back to their unlearned starting point values after a reprogramming event occurs.

It is feasible that the engine or transmission might temporarily operate differently after a reprogramming event, until these values are re-learned. Relearning occurs while operating the vehicle through normal driving routines. If the same download files are simply reinstalled, any changes noticed in engine operation will likely disappear in a short amount of time and/or driving distance.

Reprogramming the control module with the same download files that already exist in the module will only accomplish a warranty claim for a non-effective repair, and a likely comeback.
Let us know if this helps.
Tom
Was this
answer
helpful?
Yes
No
Monday, September 14th, 2020 AT 7:47 PM
Tiny
CHEVY FLATBED
  • MEMBER
  • 14 POSTS
This actually helps a lot with another issue I've been having with the truck but couldn't find anything to do with the transfer case. Today I found that the 4x4 relay power wire was grounded so I ran a jumper wire and got the transfer case to go into low range again I replaced the front axle actuator but the axles still will not engage not really sure where to go from here. Thank you for the post above though.
Was this
answer
helpful?
Yes
No
Monday, September 14th, 2020 AT 8:11 PM
Tiny
DANNY L
  • MECHANIC
  • 5,648 POSTS
Hello, I'm Danny.

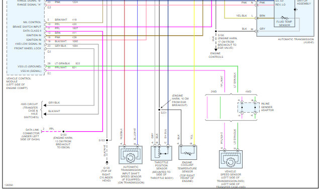
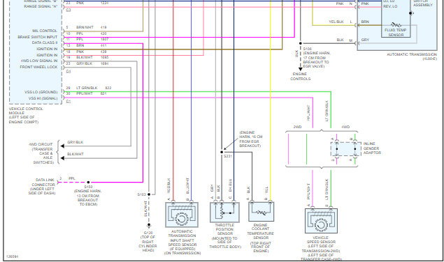
Since you were doing electrical diagnostics today and used a jumper wire I decided to add my 2 cents. I've attached the transmission and 4x4 wiring diagram below. I've cut the picture in half so you can view larger. Keep us updated. Hope this helps and thanks for using 2CarPros.
Was this
answer
helpful?
Yes
No
Wednesday, September 16th, 2020 AT 7:53 PM
Tiny
CHEVY FLATBED
  • MEMBER
  • 14 POSTS
Thank you. Will check this first thing in the morning.
Was this
answer
helpful?
Yes
No
Wednesday, September 16th, 2020 AT 7:57 PM
Tiny
DANNY L
  • MECHANIC
  • 5,648 POSTS
You're welcome!
Keep us updated and let us know if you have any further questions on this issue. Hope this helps and thanks again for using 2CarPros.

Danny-
Was this
answer
helpful?
Yes
No
Wednesday, September 16th, 2020 AT 9:31 PM

Please login or register to post a reply.