Monday, February 3rd, 2020 AT 8:24 AM
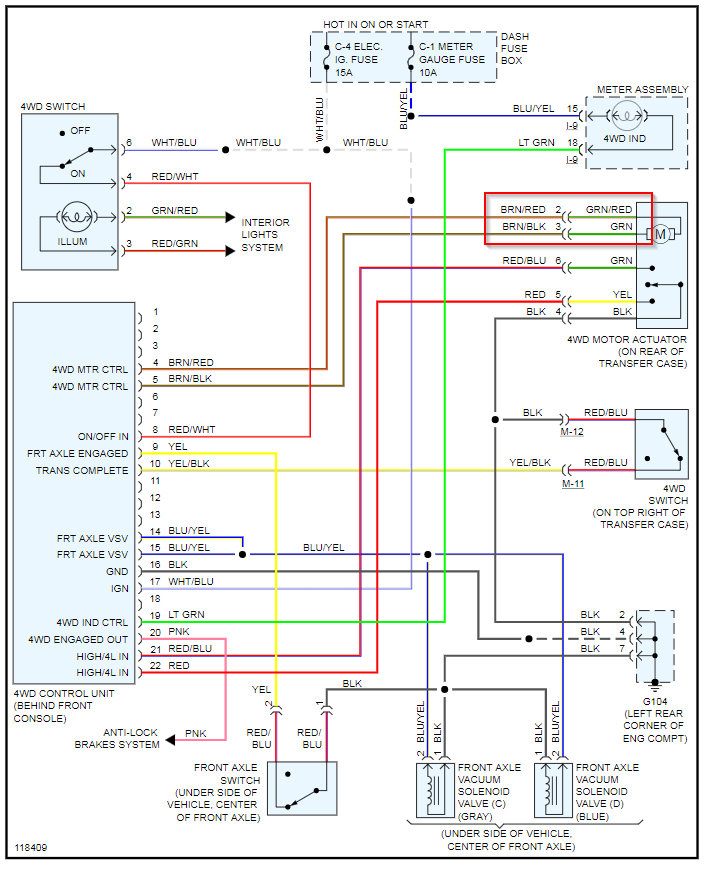
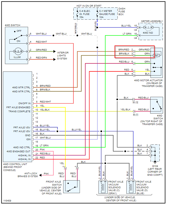
When we try to put the car in 4H the red check light starts blinking as well as when we try to use the 4WD/Auto button. What the heck is wrong with the car? We live where there is lots of snow and have a baby coming in about a month and I really need this car to be working properly and safe come baby time. Please help!









