4low flashing engine light on after replacing both cylinder head gaskets

2008 TOYOTA LANDCRUISER
200,000 MILES • V6 • 4WD • AUTOMATIC
Avatar
SHUAIB SAINULABDEEN
  • MEMBER
  • 1 POST
Hi, i changed both cylinder head gaskets after 4low flashing engine light remains on. after one hour starting again restart after a long crank started,still the lights flash and on.why this giving a long crank?
Jan 15, 2020 at 6:40 AM
Repair Safety Notice: This information is for general instructional purposes only. Vehicle repair can be dangerous. Verify all information, follow manufacturer service procedures, use proper tools and safety equipment, and consult a qualified repair shop when needed.
Advertisement
Avatar
TOUGHDIVER
  • CAR REPAIR CONTRIBUTOR
  • 224 POSTS
Hi,

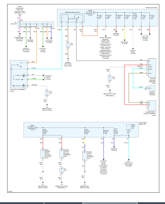
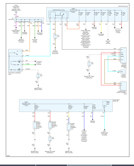
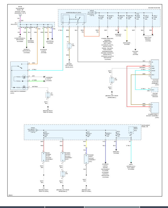
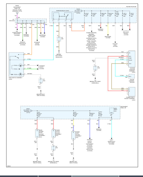
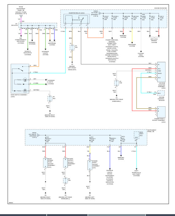
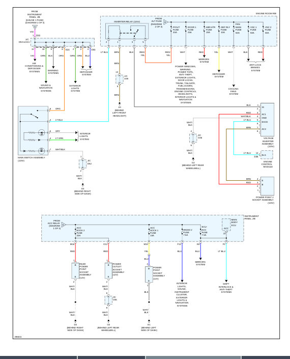
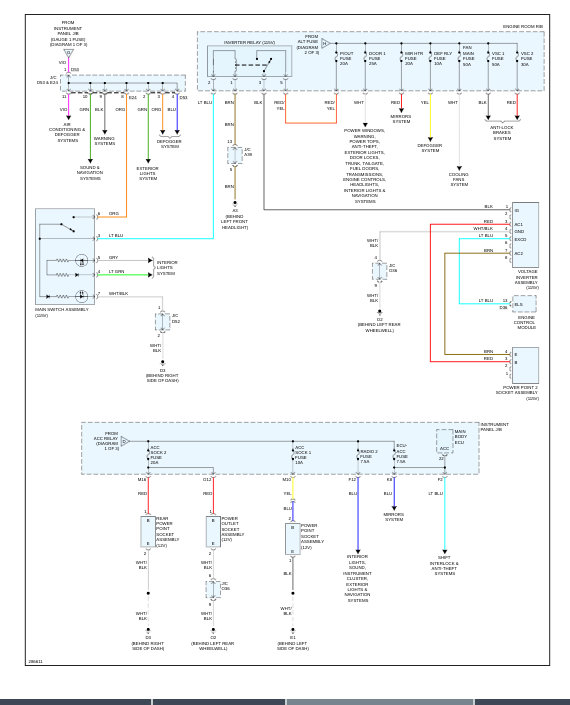
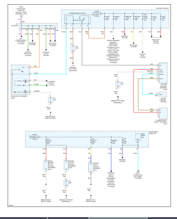
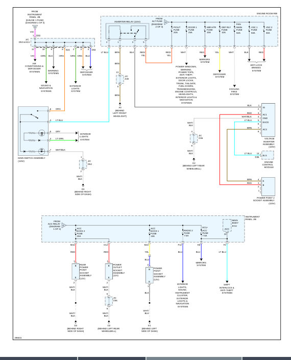
Make sure no engine immobiliser DTCs are present and if the security is set. If present, It will have to go to Toyota dealer. Recheck all the connections and ground wires that was removed and make sure their in place and tight. I'm attaching repair guides and wiring diagrams for to reference and here are some preliminary checks to do first.
Review available vehicle history.
Review wiring diagrams and connector views for your specific vehicle application.
Check any fuses applicable to the circuit you are working on.
Follow all manufacturer warnings and cautions.
Check to confirm there are no aftermarket alarm or remote start systems.

https://www.2carpros.com/articles/how-to-reset-a-security-system

https://www.2carpros.com/articles/how-to-check-wiring
Jan 15, 2020 at 8:44 PM
Advertisement