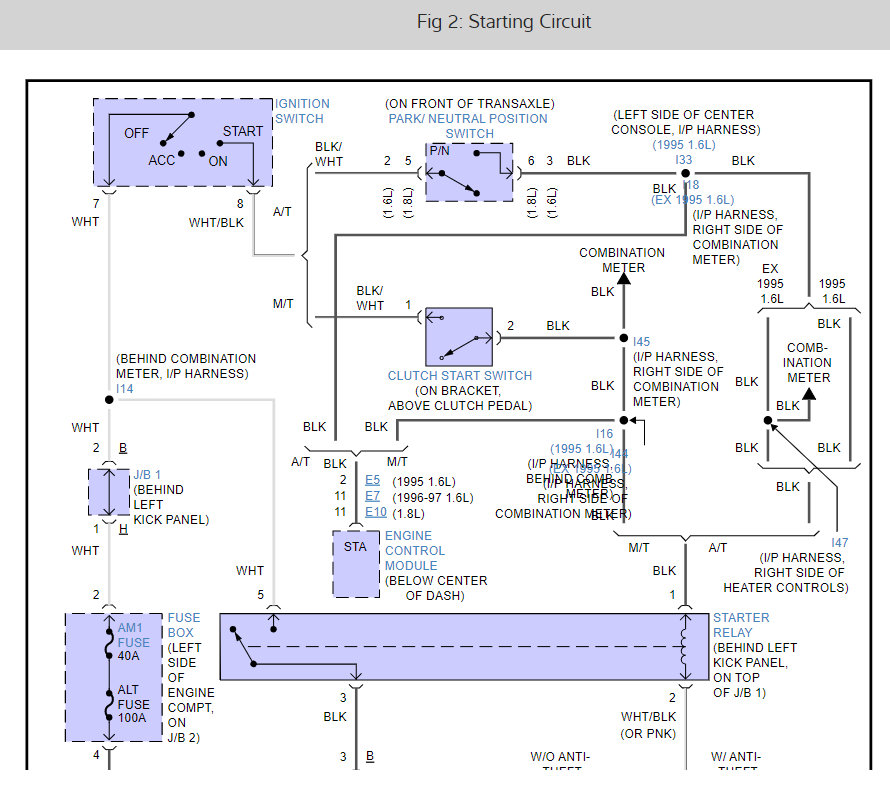
I had the starter tested at an auto parts store and they said it "failed" (whatever that means) so I replaced it, and I thought that was it but I just had the same blown fuse again, so it appears not.
One thing that seems strange to me is if I remove the fuse that keeps blowing and test the side that goes to the starter relay, it shows as having continuity to ground. Same thing for the pin 5 of the starter relay socket that should be connected to that fuse- it shows continuity to ground if the fuse is removed (if fuse is in it shows hot as expected). I would expect both of these connections to just show open when the fuse is removed. I assume if I had a short to ground on this wire the fuse would blow immediately (and not just when I try to start the car) but I am confused why there would be continuity to ground on that wire when it seems to just run from the fuse (which is open when blown) to the starter relay pin 5 (which is also open when not turning the ignition)-so I would expect it to just show open unless there is some other path to ground not in the starter wiring diagram. I went through all the wiring diagrams in the Haynes manual and cannot find the 40amp fuse in any other place.
Any suggestions on what could be causing this intermittent excess current draw, which even in the worst case I can get enough power to the starter solenoid by just bypassing the fuse, but that is obviously not ideal.
Monday, May 2nd, 2022 AT 7:15 PM



