What is the purpose of a 40A cartridge fuse?

Tiny
MISTYDAWN
  • MEMBER
  • 1998 NISSAN PATHFINDER
  • 240,000 MILES
40A cartridge fuse.
Friday, May 6th, 2022 AT 8:09 AM

1 Reply

Tiny
KEN L
  • MASTER CERTIFIED MECHANIC
  • 55,499 POSTS
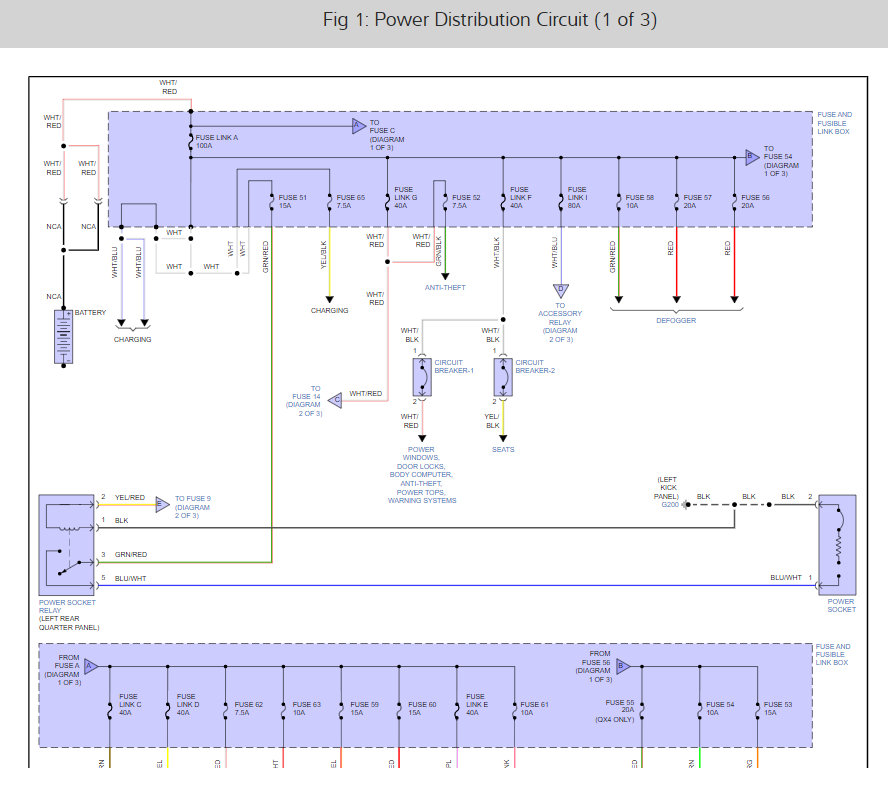
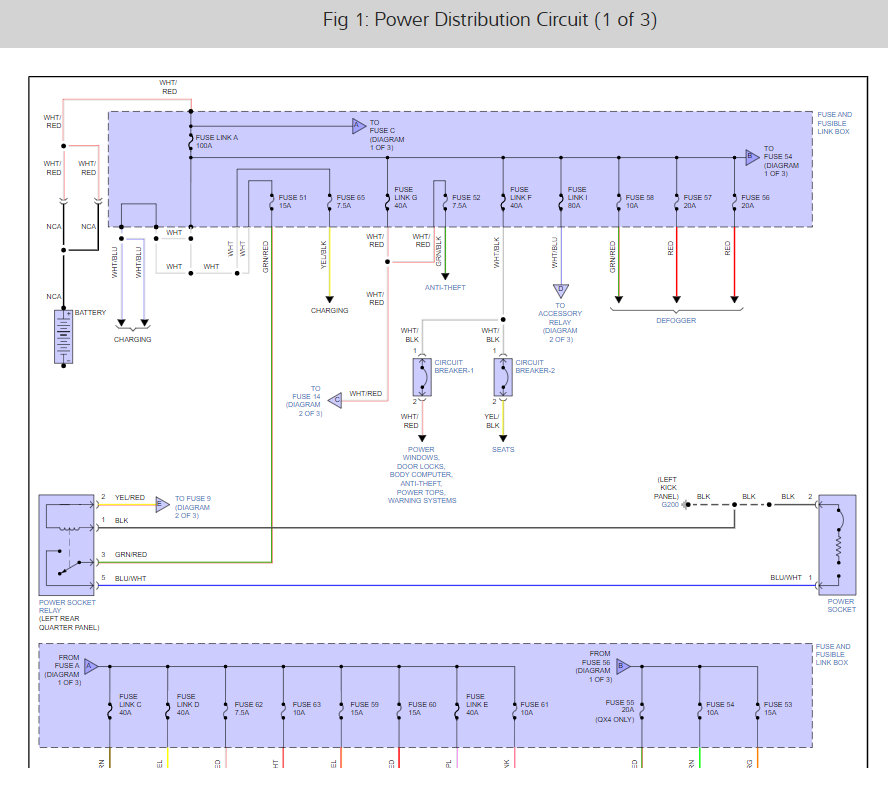
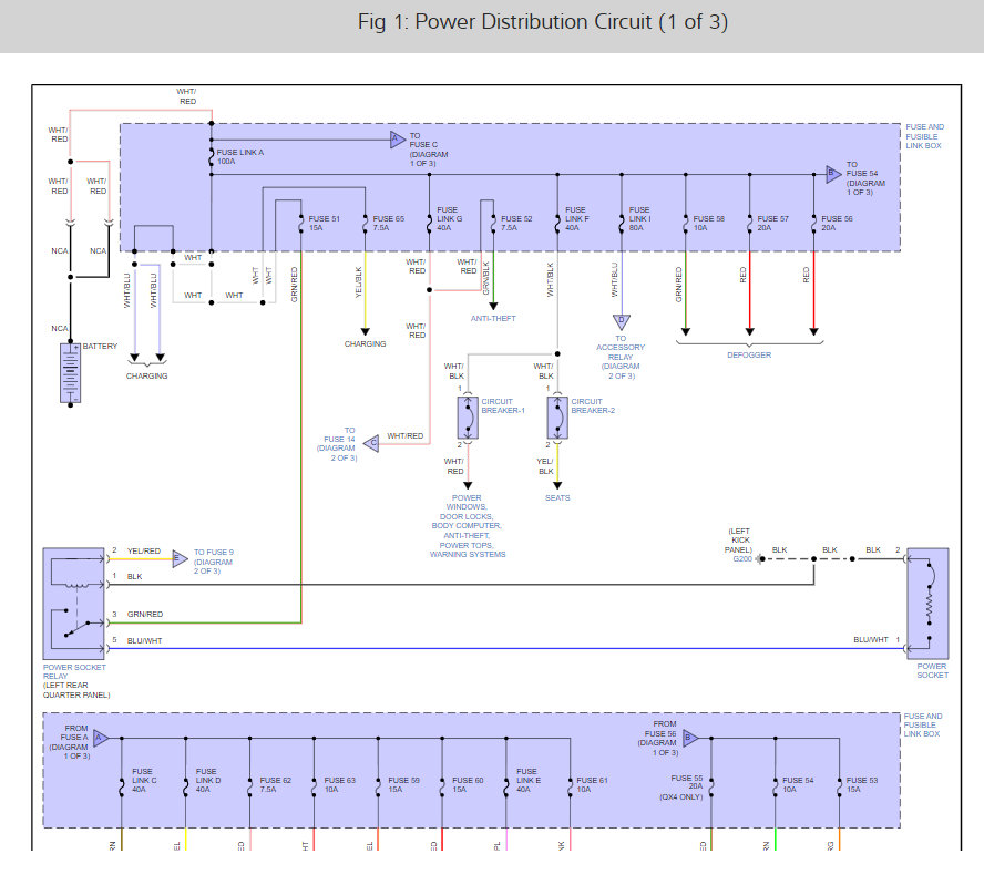
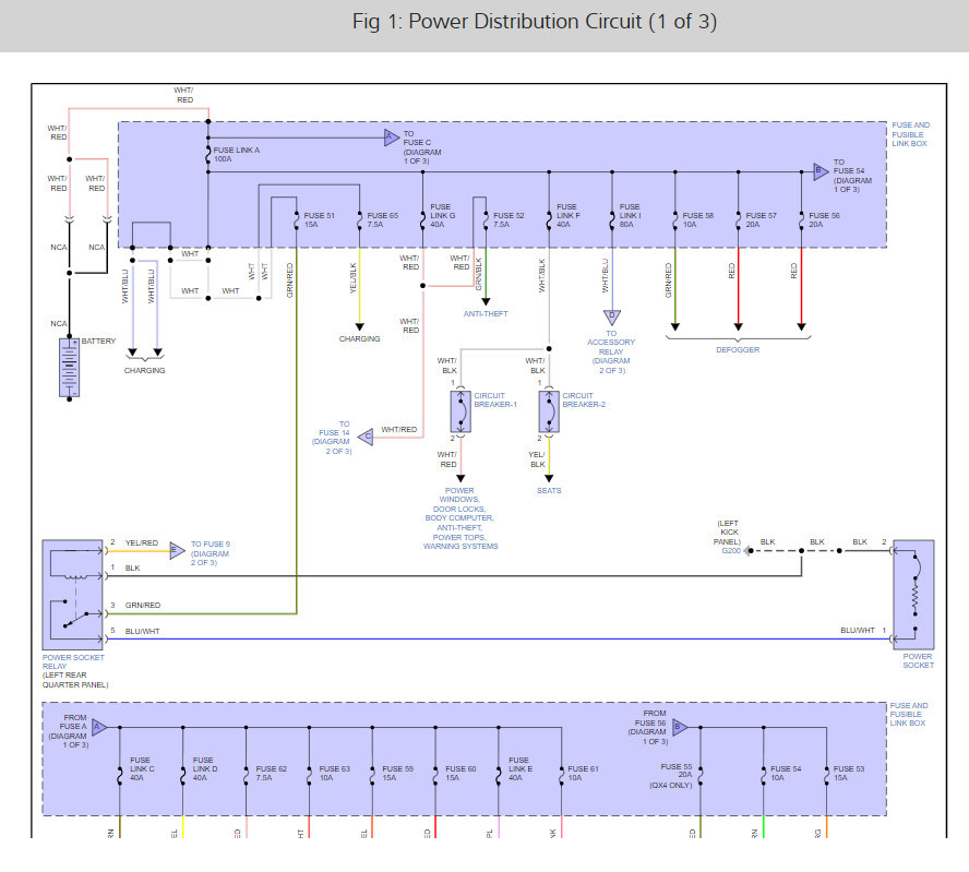
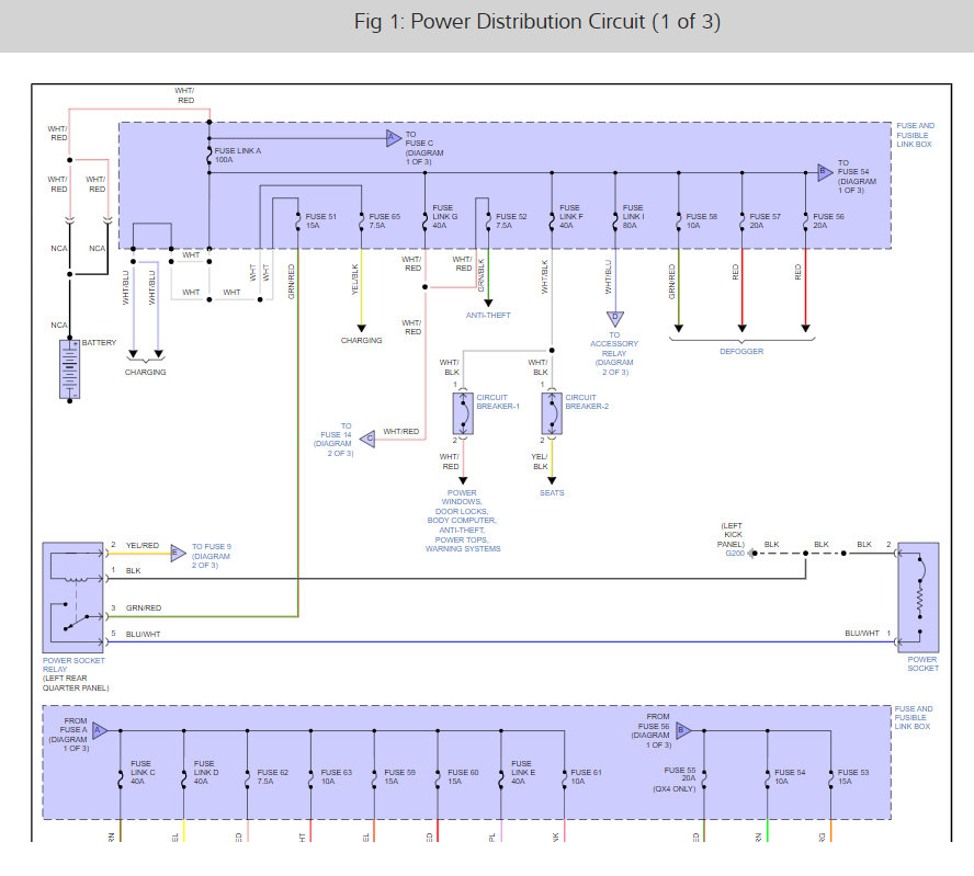
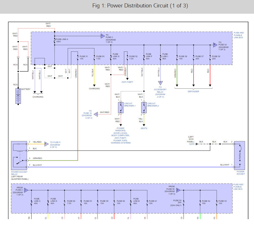
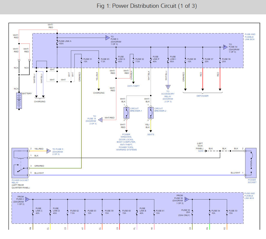
There are 5, 40-amp fuses in this car, can you check to see which one it is I found wiring diagrams of the fuses if you want to check it out. This guide check help as well:

https://www.2carpros.com/articles/how-to-check-a-car-fuse

Check out the diagrams (below). Let us know what happens and please upload pictures or videos of the problem.
Was this
answer
helpful?
Yes
No
Friday, May 6th, 2022 AT 2:55 PM

Please login or register to post a reply.