Third brake light not working?

Tiny
KGETZ
  • MEMBER
  • 2009 CHEVROLET MALIBU
  • 2.4L
  • 4 CYL
  • 2WD
  • AUTOMATIC
  • 102,955 MILES
I am having an issue where my 3rd brake light does not work. I am aware GM is notorious with this problem in their 2008-2012 lineup.

Sometimes:

1. It won't come on at all.

2. It will illuminate dim, then slowly brighten.

3. It will work perfectly; then stop out of the blue the next time the brake pedal is depressed.

4. It will light up at full brightness, then slowly dim

I replaced the CHMSL, but this has provided no remedy. I am beginning to suspect the issue is the BCM. From the forums I read online, a lot of the other owners of this same year have found the BCM to be at fault. Connections are secure.
Wednesday, November 22nd, 2023 AT 12:44 AM

1 Reply

Tiny
AL514
  • MECHANIC
  • 5,590 POSTS
Hello, do you have the means to check the voltage level right at the 3rd brake lamp? I would see if it's holding a steady 12-volts, the BCM does provide power to the Stop LP Relay which powers up the 3rd brake lamp. But that brake lamp uses a different Ground than the rest, so using a multimeter Id check the voltage right at the connector with the brake pedal depressed, Have someone hold the pedal for you, or rig something up to hold the pedal, and while you're checking the voltage move the harness around and see if the voltage drops out at any point. If it doesn't, and I'm not sure how easy it is for you to duplicate the fault, but you can go right to the BCM and check power there as well. Since this is a power side switched relay that controls the 3rd brake lamp, we can get the diagrams for the BCM connectors if you need, but you should verify the lamp doesn't have a corroded Ground or some other issue with that Ground. GM BCM do fail all the time, but if it does you want to make sure there isn't something that caused that, like too much current draw on that circuit, since LEDs pull very little current. Much less than an incandescent bulb.
And don't use a regular test light to check this circuit, use a multimeter or a very low current LED test lamp.,
Here is the service info for testing the Center Mount 3rd brake lamp,
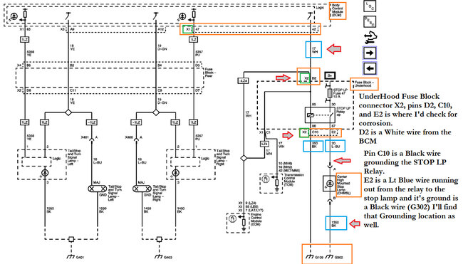
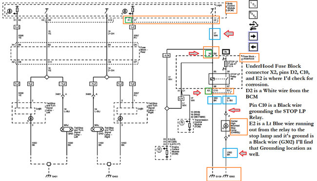
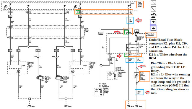
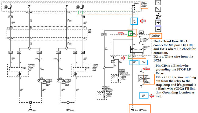
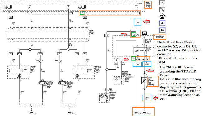
It's odd for an LED to dim like that, most of the time to dim an LED a pulse width modulated signal is needed. GM wants 5 ohms or less on the Ground side of the circuit in this case, but I would voltage drop the Ground pin from the 3rd brake lamp connector to Ground while it's on and see if there is any reading. There might be a corroded connection in the Under-hood fuse block causing this since this circuit runs through there from the BCM. I'll post the diagram for you.
But the fuse blocks in the engine compartment are exposed to the elements the most and can become corroded underneath.
I've added the Under-hood Fuse Block and X2 connector pinout.

https://www.2carpros.com/articles/how-to-use-a-voltmeter
Was this
answer
helpful?
Yes
No
Wednesday, November 22nd, 2023 AT 9:18 AM

Please login or register to post a reply.