Wednesday, February 22nd, 2023 AT 7:37 PM
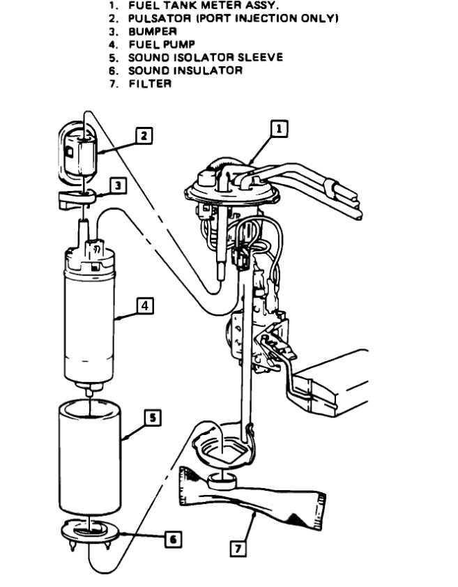
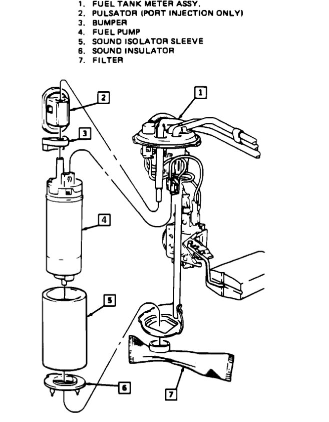
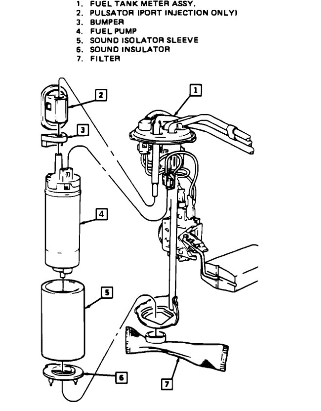
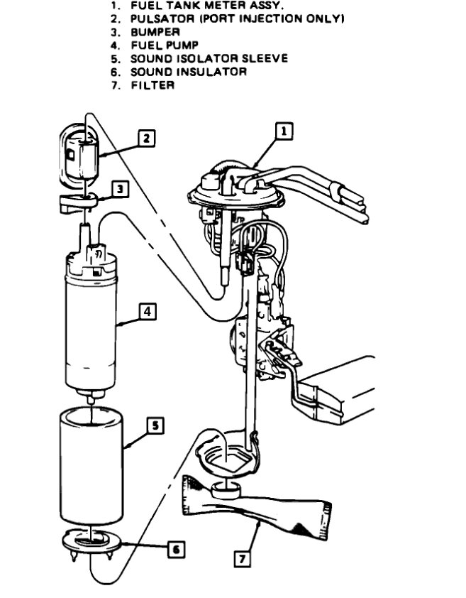
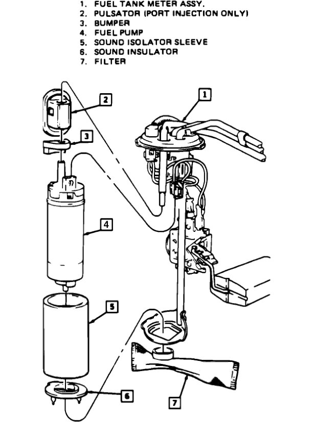
Occasionally it has a 3,000 RPMs upon startup, I have sprayed carburetor clean around whole engine and replaced TPS and IAC valve as well as new air filter and cleaned throttle body. I am thinking its fuel related as fuel pump doesn't pick up last 4 gallons of fuel and is accompanied with a hard start unless fuel tank is full.









