"service battery charging system" after jump - Battery light on

Tiny
SARAH MAY
  • MEMBER
  • 2009 CHEVROLET IMPALA
  • 3.4L
  • V6
  • 2WD
  • AUTOMATIC
  • 180,000 MILES
Today my battery died pretty randomly. We were sitting in the car using battery power, but not really long enough to cause the battery to die I would think. And the dash board showed the battery light, and screen said "service battery charging system" and "battery saving mode"We got a jump, and the "battery saving mode" notification turned off, but the battery light remained on as well as the "service battery charging system" notification.

Had battery and alternator tested as soon as we got the car started, and everything tested fine. So the battery and the alternator are not the issue.

So I am trying to find out why the light and notification is still on. I read some things about a voltage regulator, and some other stuff. Could this be a code that just needs to be cleared or should I have other things looked at?
Sunday, December 1st, 2019 AT 5:27 PM

22 Replies

Tiny
SCGRANTURISMO
  • MECHANIC
  • 4,897 POSTS
Hello,

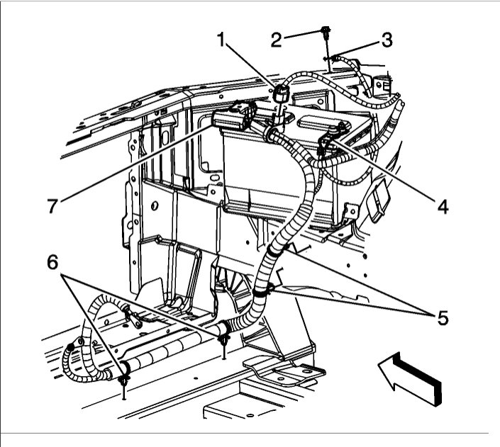
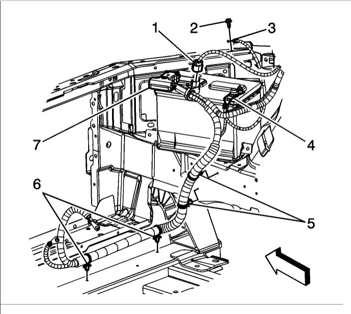
The voltage regulator is an internal component in the alternator that regulates the output of the alternator to keep it from overcharging the battery. If the alternator tested good, then the voltage regulator is good too. The battery tested good as well, so this could be a problem with the wires running from the alternator to the battery or the connections on the battery terminals themselves. In the diagrams down below I have included the charging circuit wiring diagram for your vehicle as well as guides on how to find unwanted resistance in an automotive electrical circuit using the voltage drop method. You will need to use a Digital MultiMeter[DMM] to do this, so here is a link below for you on how to use one, if needed.

https://www.2carpros.com/articles/how-to-use-a-voltmeter

Please go through these guides, check the connections on the battery terminals and get back to us with what you are able to find out. We will go from there. P.S. I have highlighted the wires in question for you on the wiring diagram.

Thanks,
Alex
2CarPros
Was this
answer
helpful?
Yes
No
-2
Monday, December 2nd, 2019 AT 3:48 AM
Tiny
MUBARAK
  • MEMBER
  • 1 POST
  • 2006 CHEVROLET IMPALA
  • 6 CYL
  • FWD
  • AUTOMATIC
  • 1,001 MILES
How to service charging system On my tash is saying that it need servicing?
Was this
answer
helpful?
Yes
No
Thursday, October 22nd, 2020 AT 9:54 AM (Merged)
Tiny
MMPRINCE4000
  • MECHANIC
  • 8,548 POSTS
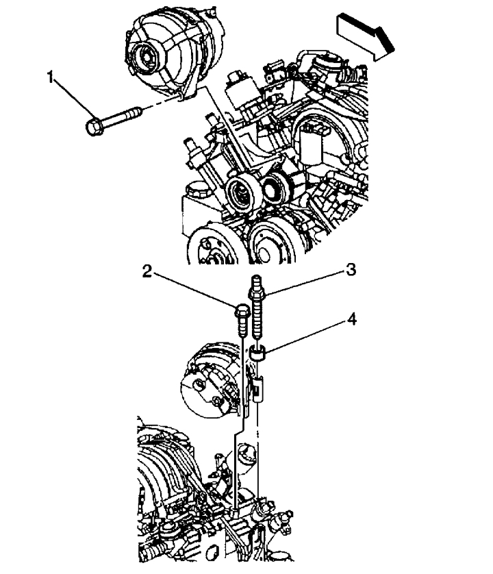
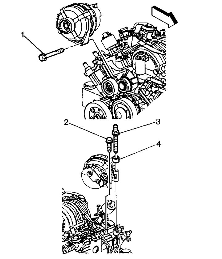
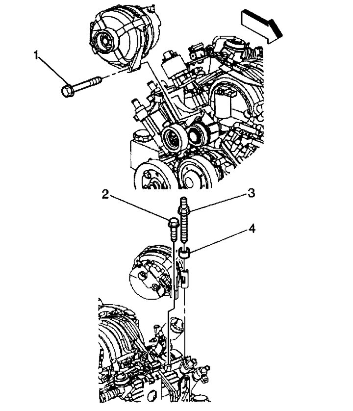
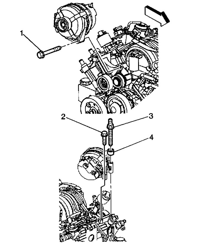
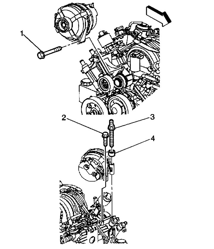
This means the alternator needs to be replaced here is a guide to help you step by step with diagrams below to show you how on your car.

https://www.2carpros.com/articles/how-to-replace-an-alternator

Check out the diagrams (Below). Please let us know what you find.
Was this
answer
helpful?
Yes
No
-3
Thursday, October 22nd, 2020 AT 9:54 AM (Merged)
Tiny
2CP-ARCHIVES
  • MEMBER
  • 4,540 POSTS
  • 2006 CHEVROLET IMPALA
  • 101,000 MILES
Have 2006 Impala, The check charging system light and battery light come on, Then head lights started flicking. I checked the battery found some corrtion on red termail cleaned and teasted battery all good, then checked volts 12.5 when running 14.5 volts, Checked cables from fuse box to battery all in good shape all secure, Still having issues radio fades out high beams lights work sometime then sometime not when turn on. Its like something is not making a good conduction cant find anything lose or in bad conductions? Also front radio speakers dont work just back speakers also cant hear on star no sound . Thanks
Was this
answer
helpful?
Yes
No
-1
Thursday, October 22nd, 2020 AT 9:54 AM (Merged)
Tiny
ASEMASTER6371
  • MECHANIC
  • 52,796 POSTS
You still may have a alternator issue here. Check for ac voltage at the battery.

Make sure those battery cables are cleaned internally too.

Roy
Was this
answer
helpful?
Yes
No
-1
Thursday, October 22nd, 2020 AT 9:54 AM (Merged)
Tiny
ARIEL.OTTO1
  • MEMBER
  • 1 POST
  • 2006 CHEVROLET IMPALA
  • 3.9L
  • AUTOMATIC
  • 140,000 MILES
Hey, I am a owner of the car listed above LTZ model. I am having a bit of a problem with my car! I got into a accident. At that point I seen things that would have to be fixed such as: the front and back bumper, the left muffler, the windshield and the driver side mirror. The car shut on and off completely fine after the accident with no lights showing up on the dash board. The next day I went to start the car and it would not do anything. I had it towed to a Chevrolet dealer to have it looked at because I was told it was the security system that Chevrolet would have to fix. They looked at it and replaced a module in it that had something to do with the A/C and dash board. I went to pick up the car. It started fine. But an hour after leaving the dealer the battery light came on, on the dash it said "service battery charging system", lights started to dim and the car shut off. I put a new battery in the car and it started right away. But fifteen minutes after the car did the same thing. I also had the alternator replaced and the issue still is not fixed. It also smells like burning wires from the hood. Please help!
Was this
answer
helpful?
Yes
No
Thursday, October 22nd, 2020 AT 9:54 AM (Merged)
Tiny
KEN L
  • MASTER CERTIFIED MECHANIC
  • 55,266 POSTS
Hello,

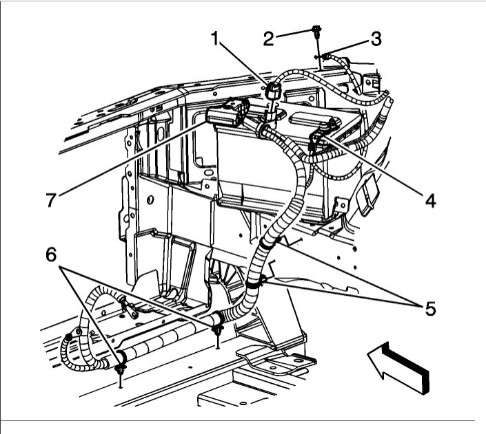
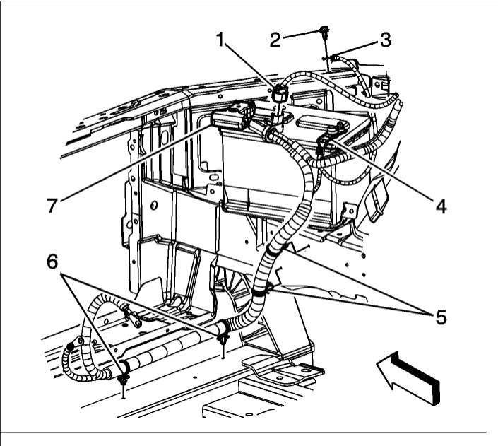
I have seen this problem and it was a bad ground from the battery to the frame of the car. Can you check it for me? Here is a diagram.

Check out the diagrams (below). Please let us know what you find.

Cheers, Ken
Was this
answer
helpful?
Yes
No
-2
Thursday, October 22nd, 2020 AT 9:54 AM (Merged)
Tiny
SNIPERX308
  • MEMBER
  • 1 POST
  • 2006 CHEVROLET IMPALA
  • 3.5L
  • V6
  • 2WD
  • AUTOMATIC
  • 120,000 MILES
I just recently changed the battery in my car. And now the battery light is on again. The alternator is good, the belt is good. I don't know what the problem is, please help
Was this
answer
helpful?
Yes
No
-1
Thursday, October 22nd, 2020 AT 9:55 AM (Merged)
Tiny
CARADIODOC
  • MECHANIC
  • 34,463 POSTS
Hello,

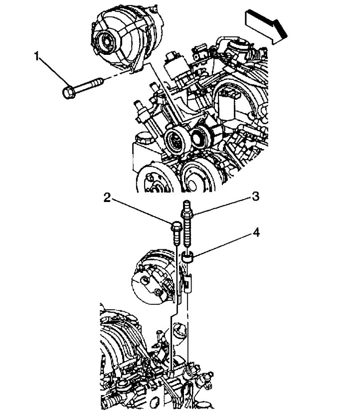
The alternator is controlled by the BCM but there are two fuses that need to be checked for power, RVC SEN and DISPLAY here is a guide to help and the fuse locations below with the alternator wiring diagrams so you can see how the system works.

https://www.2carpros.com/articles/how-to-check-a-car-fuse

There's two tests that need to be performed and you can do one of them yourself. Measure the battery voltage with the engine running. It must be between 13.75 and 14.75 volts. If it is low, the generator needs to be replaced. If it is within that range, the second test requires a professional load tester. The generator must be tested for maximum current output and "ripple" voltage. If one of the six diodes has failed, you will lose exactly two thirds of the generator's capacity. 30 amps from the common 90 amp generator is not enough to run the entire electrical system under all conditions. The battery will have to make up the difference until it slowly runs down over hours or days. A bad diode will make ripple voltage very high too.

https://www.2carpros.com/articles/how-to-check-a-car-alternator

Here is an AC Delco alternator for 139.00 on Amazon

https://www.amazon.com/gp/product/B004JBJV5Q/ref=as_li_qf_asin_il_tl?ie=UTF8&tag=2carprcom-20&creative=9325&linkCode=as2&creativeASIN=B004JBJV5Q&linkId=3112e0fecafad93cec84cefef30a8656

If everything checks our okay the BCM should be next here is the location, you will need to get it programmed should cost about 130.00 at a shop. Check out the diagrams (Below). Please let us know what you find. We are interested to see what it is.
Was this
answer
helpful?
Yes
No
+5
Thursday, October 22nd, 2020 AT 9:55 AM (Merged)
Tiny
JDBEAULOYE
  • MEMBER
  • 1 POST
Thank you for this post I had a bad alternator from the parts store had to get a new one from the dealer FYI.
Was this
answer
helpful?
Yes
No
+1
Thursday, October 22nd, 2020 AT 9:55 AM (Merged)
Tiny
CARADIODOC
  • MECHANIC
  • 34,463 POSTS
Hold on! GM has had a real big problem with their generators since they redesigned them for the 1987 model year. Due to their design, they develop huge voltage spikes that can damage the generator's internal diodes and voltage regulator, and interfere with computer sensor signals. The key component in damping and absorbing those harmful spikes is the battery, but as they age and the lead flakes off the plates, they lose their ability to do that. It is real common for the owner of an '88 or newer GM product to go through four to six replacement generators in the life of the vehicle. This could be why your first one failed in short order.

To reduce the high number of repeat failures, always replace the battery at the same time, unless it is less than about two years old. Your old battery will work fine in an 1986 or older car.
Was this
answer
helpful?
Yes
No
-1
Thursday, October 22nd, 2020 AT 9:55 AM (Merged)
Tiny
DANI2807
  • MEMBER
  • 1 POST
  • 2006 CHEVROLET IMPALA
  • 6 CYL
  • FWD
  • AUTOMATIC
  • 52,400 MILES
On my way to work this morning, this message came up 3 times. It didn't stay on long just flashed for 5 seconds and went off. I tried to fumble with the reference book then remembered OnStar. They said it has the possibility of not starting but since they are not presented they can't make a determination.

My husband called his mechanic of 10+ years and he said it may be the alternator. I don't buy that but I am afraid of taking it to the dealer since my warranty has been up for more than 16,000 miles.

My car is regularly serviced by the mechanic but I am just not sure that the alternator is the problem.

PS on my 2001 Impala, I don't think I ever replaced the alternator.

Please HELP!
Was this
answer
helpful?
Yes
No
Thursday, October 22nd, 2020 AT 9:56 AM (Merged)
Tiny
BMRFIXIT
  • MECHANIC
  • 19,053 POSTS
You need to start some where and the 1st step I would do is check the battery and then the charging system
also they could check for codes stored if any in the BCM

good luck
Was this
answer
helpful?
Yes
No
Thursday, October 22nd, 2020 AT 9:56 AM (Merged)
Tiny
DAVE FERES
  • MEMBER
  • 1 POST
  • 2003 CHEVROLET IMPALA
  • 6 CYL
  • FWD
  • AUTOMATIC
  • 125,000 MILES
Battery light has been coming on sporadically. I have had 2 alternators put on, a new battery and all the connections cleaned. The light still comes on but only after driving over 25 miles at night with the headlights on. I've driven up to 100miles in the daytime without the light ever coming on. Preformance of the car doe not seem to be affected- yet. The battery light did click on one day after pulling into a parking structure just as the headlights automatically clicked on. The mechanic insists the alternator is charging fine. Ideas?
Was this
answer
helpful?
Yes
No
Monday, December 28th, 2020 AT 10:48 AM (Merged)
Tiny
RASMATAZ
  • MECHANIC
  • 75,992 POSTS
It sounds like the replacement alternator was not AC Delco which will cause this issue. If it is nor charge please replace it. Here are two guides to help.

https://www.2carpros.com/articles/how-to-check-a-car-alternator

and

https://www.2carpros.com/articles/how-to-replace-an-alternator

Here is the part you need

https://www.amazon.com/gp/product/B007QBR7AC/ref=as_li_qf_asin_il_tl?ie=UTF8&tag=2carprcom-20&creative=9325&linkCode=as2&creativeASIN=B007QBR7AC&linkId=cd312749a4b86455b3a10e497b2ca782

Check out the diagrams (Below). Please let us know if you need anything else to get the problem fixed.
Was this
answer
helpful?
Yes
No
-2
Monday, December 28th, 2020 AT 10:48 AM (Merged)
Tiny
JPPANOS
  • MEMBER
  • 1 POST
  • 2002 CHEVROLET IMPALA
I just had the alternator rebuilt on my Impala and after reinstalling the warning indicator came up for the batter recharging system. I used a tester and the alternator is charging fine and the battery is <1 year old. I was wondering if there was something else that could be wrong.
Was this
answer
helpful?
Yes
No
Monday, December 28th, 2020 AT 10:48 AM (Merged)
Tiny
MIKEYBDMAN
  • MECHANIC
  • 623 POSTS
I am a professor of logic, so it is logical that the altenator you had rebuild is going to be the problem. I would recheck all of the connections at the altenator, and then probably replace it if the problem persists.
If it comforts you to know that the altenator may be charging normally, but the signal going to the Powertrain control module is coming from the little plug on the side of the altenator. It recieves the generator turn on signal for the internal regulator of the altenator, and then sends the signal thru the PCM to the Instrument Panel Cluster and the message center.
So, it sounds like the regulator in the altenator is most likely the problem. It charges, but is sending a bad signal up the data line.
Was this
answer
helpful?
Yes
No
+1
Monday, December 28th, 2020 AT 10:48 AM (Merged)
Tiny
ROY RICHARDSON
  • MEMBER
  • 1 POST
  • 2002 CHEVROLET IMPALA
  • 6 CYL
  • FWD
  • AUTOMATIC
  • 165,000 MILES
I have a 2002 chev impala 3800 eng. The battery light comes on. I have checked the bat. And alt. And replaced all battery cables and the light is still on
Was this
answer
helpful?
Yes
No
Monday, December 28th, 2020 AT 10:49 AM (Merged)
Tiny
CARADIODOC
  • MECHANIC
  • 34,463 POSTS
Measure the battery voltage when the light is on. It must be between 13.75 and 14.75 volts. If it is low, suspect the generator. GM generators aren't usually intermittent but they do have a very high repeat failure rate. The way to reduce that number of repeat failures is to replace the battery at the same time.
Was this
answer
helpful?
Yes
No
-2
Monday, December 28th, 2020 AT 10:49 AM (Merged)
Tiny
NICHOLE23
  • MEMBER
  • 1 POST
  • 2000 CHEVROLET IMPALA
  • 6 CYL
  • FWD
  • AUTOMATIC
  • 90,000 MILES
The battery light in my 2000 chevy impala will come on while i'm driving and shut my car off. It comes on when im driving or when im idling. I have taken it to the dealership and they said they couldn't get it to shut off for them. They tried saying it was the fuel pressure regulator, but that didn't fix it, then the next time it happened my service traction system light came on and then just minutes after the battery light came on and it died, it happens almost every morning to me, but never can the dealership mechanic get it to do the same thing! I even left it there over night 2 times to so they could hook the computer scanner to it, but it would never do it for them! They get a code, but not a helpful one. They thought it might be the ignition switch assembly because they felt a catch in the system at times, but then it has happened once since then, this time when I tried to restart it was hard to get it to turn over and it died while I wasn't driving, but still that battery light was on. The only other solution they have is that it could be a PCM (Power Control Module) problem, but the part is expensive so I don't want to risk it til they can get it to do it, so let me know if you found out anything about yours because the problem sounds similar! I'm getting tired of going to the dealership and paying money for something that's not fixing the problem based on their assumption of what it could be!

I don't understand what is going on?
Was this
answer
helpful?
Yes
No
Monday, December 28th, 2020 AT 10:49 AM (Merged)

Please login or register to post a reply.