Where is the Trailer Fuse located?

Tiny
DON HOPPER
  • MEMBER
  • 2022 NISSAN PATHFINDER
  • 3.6L
  • 6 CYL
  • 4WD
  • AUTOMATIC
  • 5,000 MILES
The trailer lights are not working. I have tested the plug and the turn signals are working but not the taillights. Where would I find the fuse?
Saturday, January 28th, 2023 AT 9:48 AM

1 Reply

Tiny
KEN L
  • MASTER CERTIFIED MECHANIC
  • 55,281 POSTS
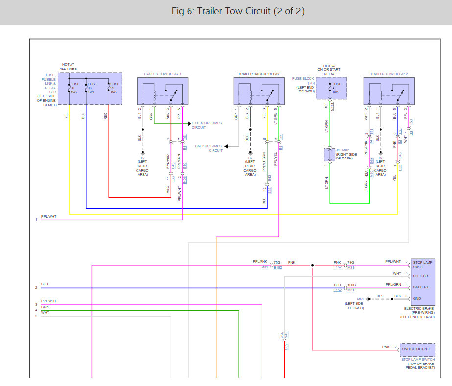
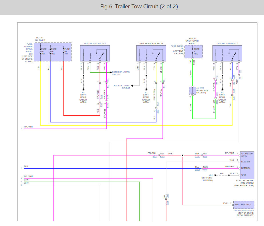
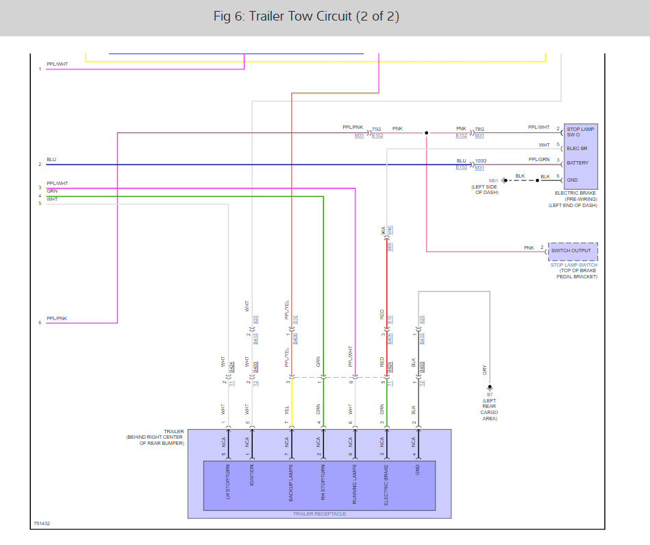
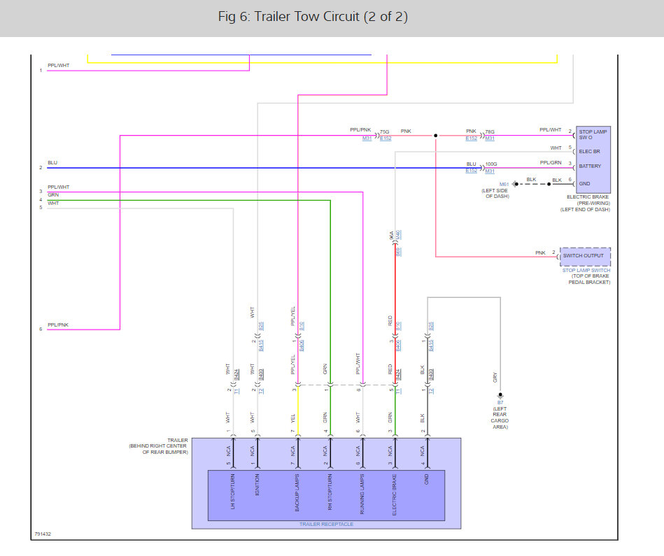
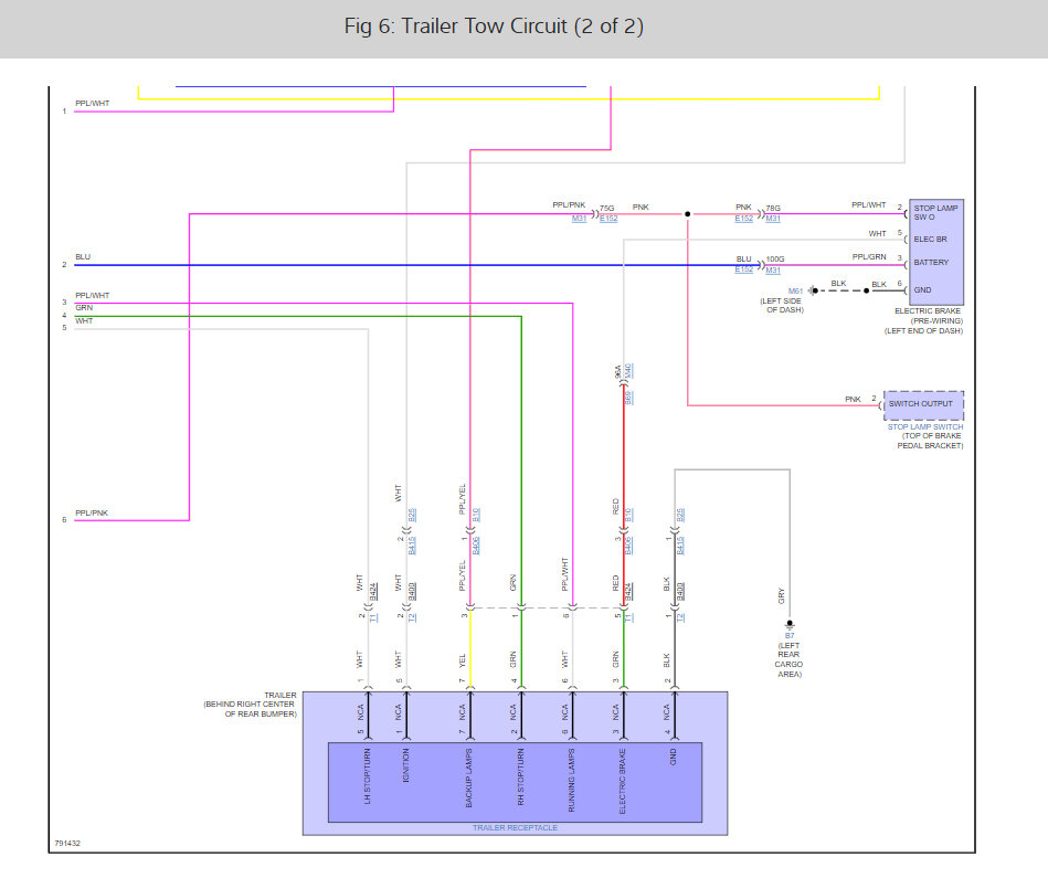
Yep, there are 7 fuses that run the trailer lighting system test fuse # 15 on the fuse panel on the left side of the dash, # 86 and fusible link L in the fuse panel under the hood on the left side and fuse # 90, 96 and 99 in the fuse panel under the hood on the right side. Here is a guide to help you test them and the fuse locations with the wiring diagrams so you can see how the system works.

https://www.2carpros.com/articles/how-to-check-a-car-fuse

Check out the images (below). Please let us know what you find. We are interested to see what it is.

Was this
answer
helpful?
Yes
No
-1
Sunday, January 29th, 2023 AT 12:32 PM

Please login or register to post a reply.