Friday, July 7th, 2023 AT 5:45 PM
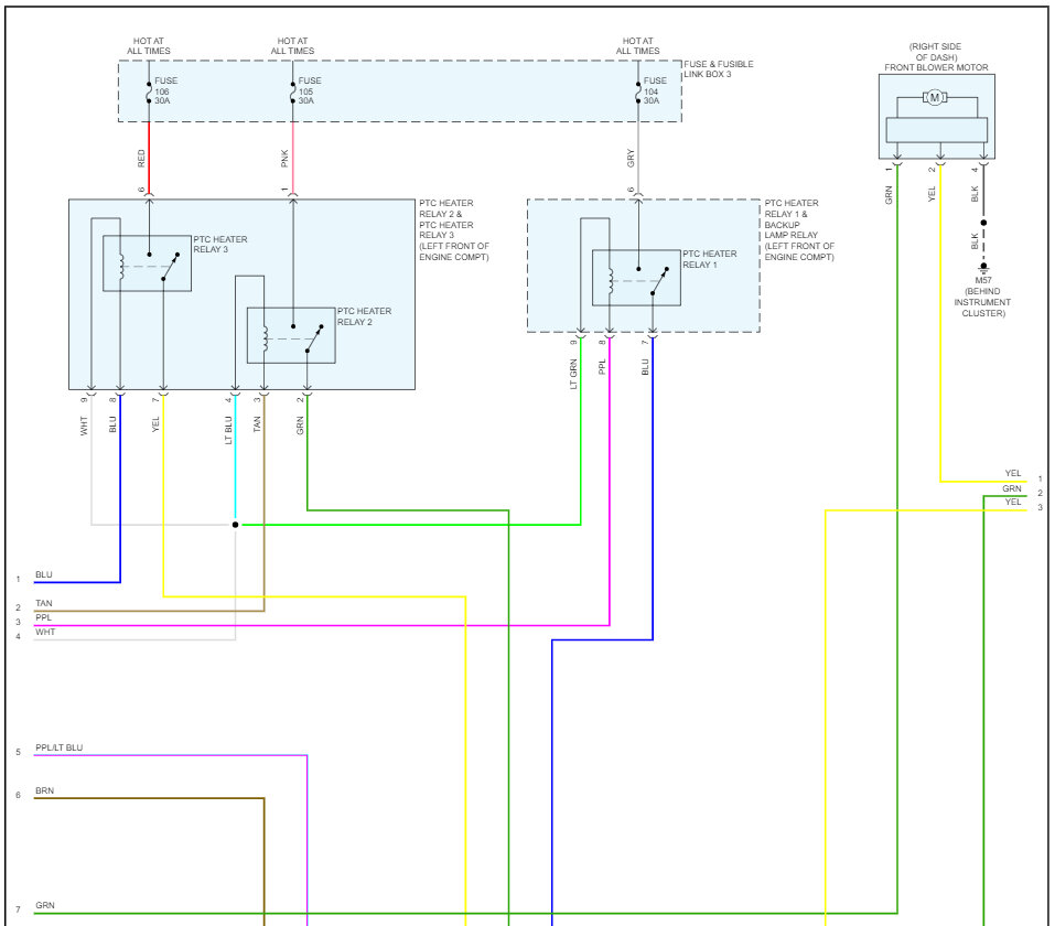
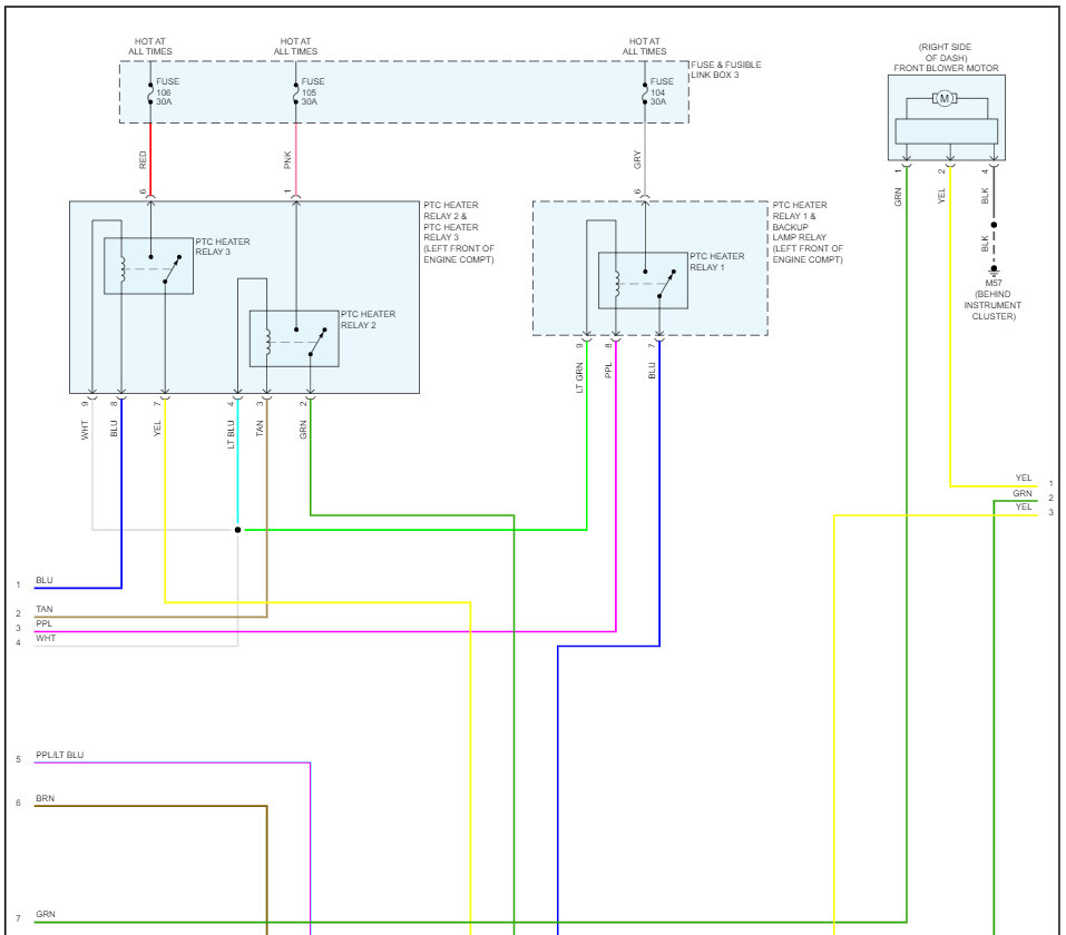
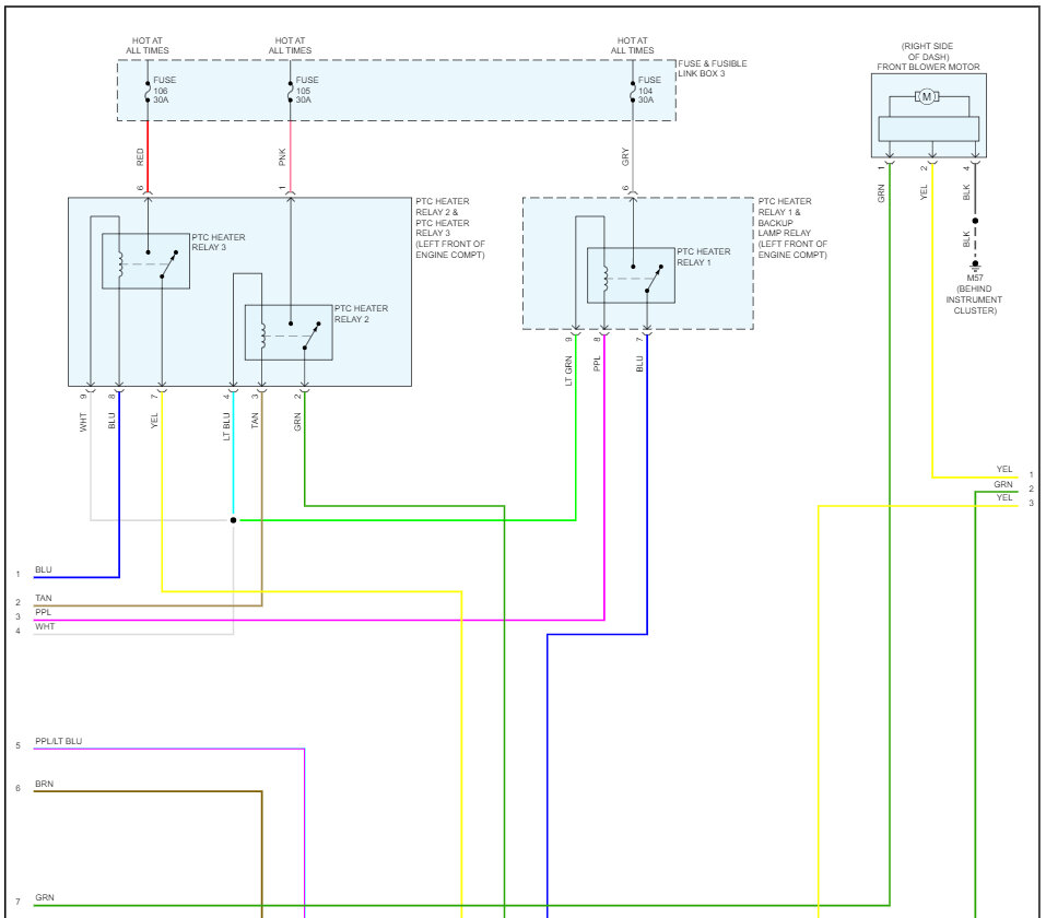
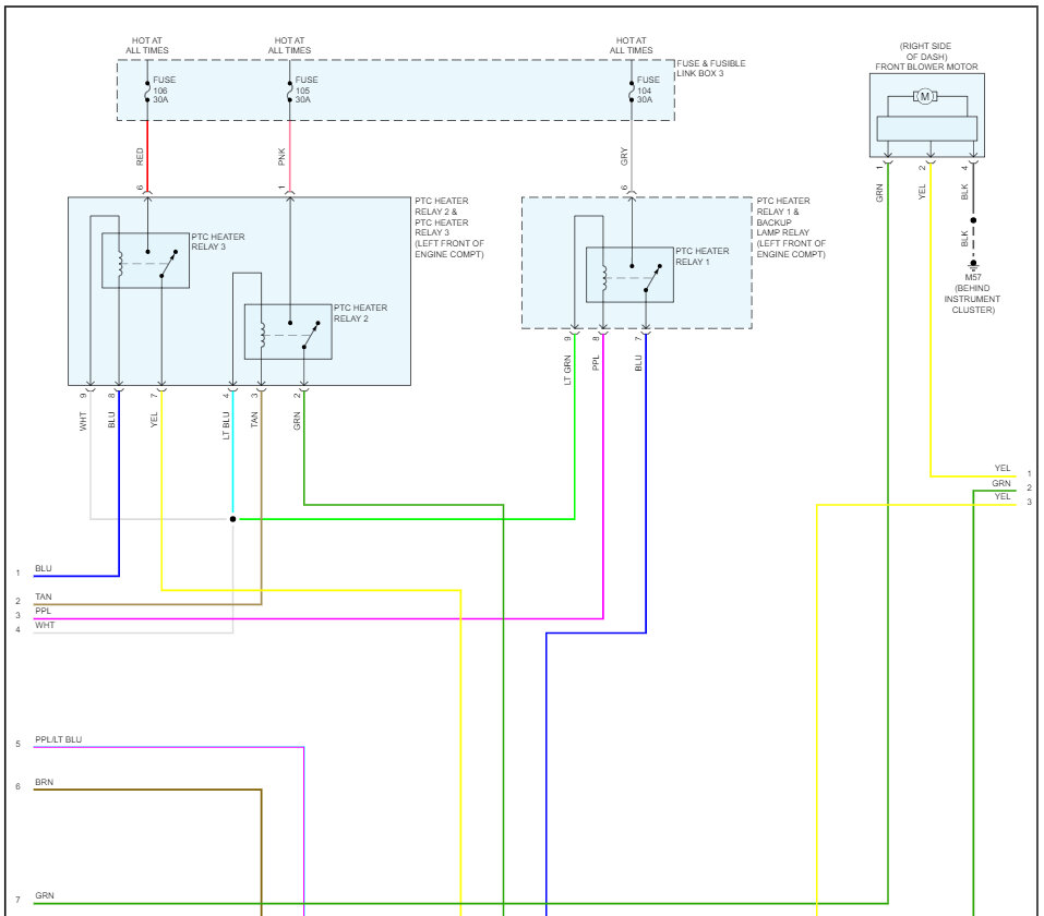
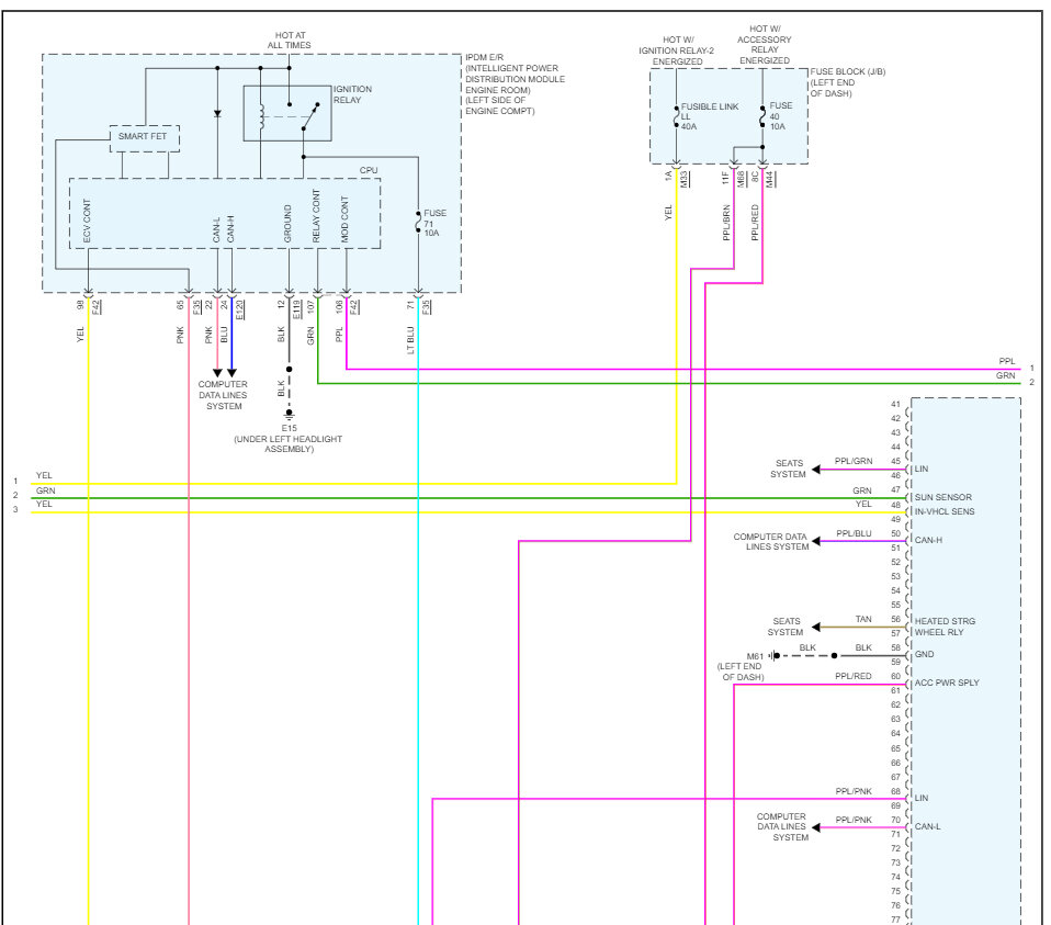
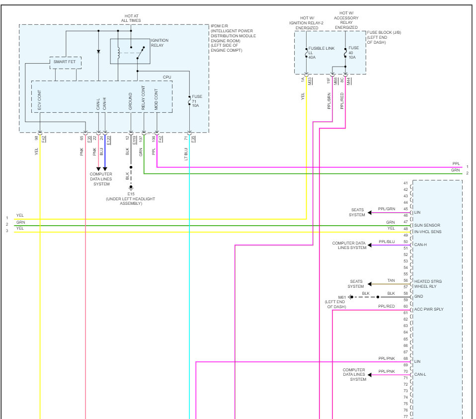
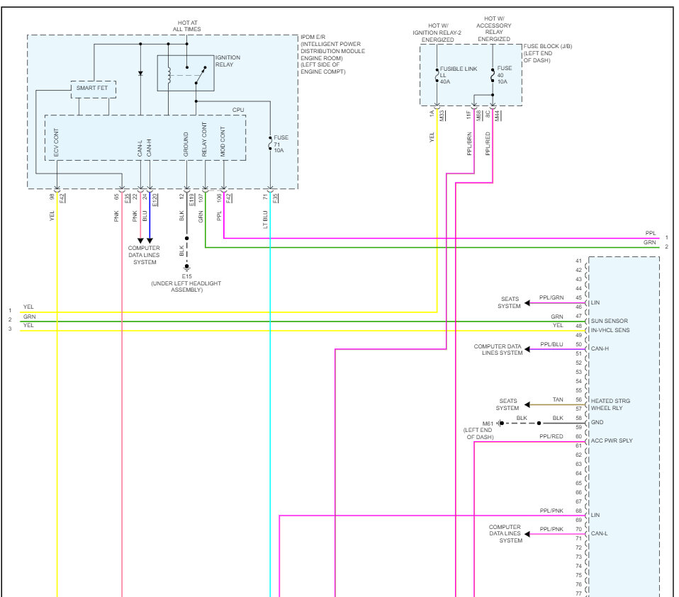
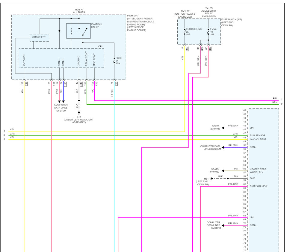
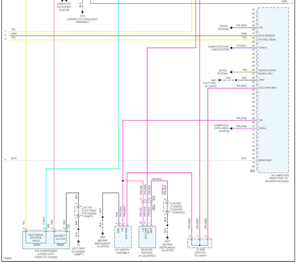
The air conditioner control unit on my wife's vehicle listed above SL just went blank a while back. No lights on the board, can't adjust temperature, can't change fan speed, nothing. We took it in, and they said the control unit itself is bad. After 3 weeks of them not being able to get a new one I found a used one online from a salvage yard. Took it to them and they are telling me it's bad also. There is no way both units are bad, but he says they are throwing the same code of a control unit malfunction. What else could be causing something like this? It's 100+ here in Houston, TX and the A/C needs to work, and I need the car back!












