Battery, traction control, ABS and a wrench, warning lights are on

Tiny
MARC SHUELL
  • MEMBER
  • 2019 FORD FUSION
  • 2.5L
  • 4 CYL
  • 2WD
  • AUTOMATIC
  • 70,000 MILES
I have a lot of warning lights on my dash from the battery, traction control, ABS and a wrench. I think the car went into "limp" mode. The wrench points to a powertrain issue. I had my battery tested and found that it had 1 bad cell, so I bought a new one. When I got home I put the new one in, and the car had a very short crank and then nothing. I cannot get the car started and cannot use my code reader to reset the DTC's or do a battery reset to let the car know I got a new one. I have no job right now so I have no money to have Ford look at it. I have Forscan and can post the reading from it if needed. I have to get this fixed I live 22 miles from my town, and this is the only mode of transportation. Thanks for any help here.
Tuesday, January 4th, 2022 AT 12:22 AM

11 Replies

Tiny
JACOBANDNICKOLAS
  • MECHANIC
  • 110,192 POSTS
Hi,

You indicated it had a very short crank and then nothing. Does the starter work at all at this point? Also, did all of the lights you mentioned come on at one time?

If the starter isn't working, take a look through this link and let me know if anything helps. It explains how to check the system.

https://www.2carpros.com/articles/starter-not-working-repair

IF you are unable to connect with your scan tool, check to confirm pin 16 at the DLC is getting 12v. It should have power at all times. See pic below

Let me know.

Joe
Was this
answer
helpful?
Yes
No
Tuesday, January 4th, 2022 AT 5:59 PM
Tiny
MARC SHUELL
  • MEMBER
  • 7 POSTS
Yes, the starter still will do a short crank and stop, and all the lights did come on at the same time. And I can connect my code reader it gets power to it, but I cannot reset the current codes or reset for the new battery. Would my DTC code read out help you here? I cannot do it as an attachment but if you like I can put it as a reply just let me know. Thank you.
Was this
answer
helpful?
Yes
No
Tuesday, January 4th, 2022 AT 7:29 PM
Tiny
JACOBANDNICKOLAS
  • MECHANIC
  • 110,192 POSTS
Marc,

If you have DTC's, let me know what they are. You can just send them as a reply. Also, let me know if this has a push button start or a traditional key and if possible, could you record it cranking and upload it for me to hear?

Let me know.

Joe
Was this
answer
helpful?
Yes
No
Tuesday, January 4th, 2022 AT 9:18 PM
Tiny
MARC SHUELL
  • MEMBER
  • 7 POSTS
The read out is in 2 text files I will send them separately and then I'm going to get the video or sound of the "crank" on the car.

(WARN) [14:21:30.555] Checking COM3.
(OK) [14:21:34.944] Connection to adapter has been established: COM3
(OK) [14:21:34.945] Adapter: OBDLink EX r1.0 STN2230 v5.6.5 (ELM327 v1.4b)
(OK) [14:21:35.168] Connection to vehicle has been established
(OK) [14:21:41.118] Vehicle: Ford Fusion IVCT 2.5L 2019 ( 2019 MY ), VIN: 3FA*********36048
(OK) [14:21:42.711] Found module: PCM - Powertrain Control Module
(OK) [14:21:42.911] Found module: OBDII - On Board Diagnostic II
(OK) [14:21:43.407] Found module: APIM - Accessory Protocol Interface Module
(WARN) [14:21:43.535] DTCs in APIM: U3003:16-0B
(OK) [14:21:43.603] Found module: BdyCM - Body Control Module
(WARN) [14:21:44.098] DTCs in BdyCM: B1310:12-0A, B1D02:15-48, B1D02:11-48, B1323:11-48, B115E:08-48, U0131:87-48
(OK) [14:21:44.103] Found module: BECMB - Battery Energy Control Module B
(WARN) [14:21:44.222] DTCs in BECMB: U0100:87-48
(OK) [14:21:44.224] Found module: SODR - Side Obstacle Detection Control Module - Right
(ERR) [14:21:46.203] SODR: Unable to read DTC
(OK) [14:21:46.209] Found module: SODL - Side Obstacle Detection Control Module - Left
(ERR) [14:21:48.123] SODL: Unable to read DTC
(OK) [14:21:48.125] Found module: HUD - Head Up Display
(ERR) [14:21:50.045] HUD: Unable to read DTC
(OK) [14:21:50.047] Found module: FCIM - Front Controls Interface Module
(WARN) [14:21:50.288] DTCs in FCIM: B1C83:14-48, U0401:81-48
(OK) [14:21:50.292] Found module: FCDIM - Front Control/Display Interface Module
(WARN) [14:21:50.414] DTCs in FCDIM: U3003:16-0F
(OK) [14:21:50.416] Found module: OCS - Occupant Classification System Module
(WARN) [14:21:50.540] DTCs in OCS: U0401:00-2B
(OK) [14:21:50.542] Found module: C-CM - Cruise-Control Module
(ERR) [14:21:52.462] C-CM: Unable to read DTC
(OK) [14:21:52.464] Found module: ABS - Antilock braking system
(WARN) [14:21:52.773] DTCs in ABS: U300A:29-AB
(OK) [14:21:52.774] Found module: RTM - Radio Transceiver Module
(OK) [14:21:52.855] Found module: PDM - Passengers Door Control Unit
(WARN) [14:21:52.981] DTCs in PDM: U0233:00-48
(OK) [14:21:52.983] Found module: DDM - Drivers Door Module
(WARN) [14:21:53.141] DTCs in DDM: U0232:00-48
(OK) [14:21:53.149] Found module: RCM - Restraint Control Module
(WARN) [14:21:54.034] DTCs in RCM: B00A0:68-AF, U0112:00-28, U0401:81-AF, U3003:16-28
(OK) [14:21:54.037] Found module: GSM - Gear Shift Module
(OK) [14:21:54.099] Found module: PSCM - Power Steering Control Module
(ERR) [14:21:57.888] PSCM: Unable to read DTC
(OK) [14:21:57.988] Found module: ACM - Audio Control Module
(WARN) [14:21:58.080] DTCs in ACM: U3003:16-0A
(OK) [14:21:58.088] Found module: SCCM - Steering Column Control Module
(OK) [14:21:58.289] Found module: IPC - Instrument Panel Control Module
(WARN) [14:21:58.772] DTCs in IPC: U0104:00-0A, U0131:00-0A, U0140:00-0A, U0184:00-08, U0401:81-0A, U3003:16-08
(OK) [14:21:58.849] Found module: GWM - Gateway Module A
(OK) [14:21:58.882] Found module: TRCM - Transmission Range Control Module
(WARN) [14:21:59.010] DTCs in TRCM: P2534:00-AF
(OK) [14:21:59.012] Found module: IPMA - Image Processing Module A
(WARN) [14:21:59.137] DTCs in IPMA: B12D8:13-68
(OK) [14:21:59.145] Found module: GPSM - Global Positioning System Module
(WARN) [14:21:59.265] DTCs in GPSM: U3003:16-8A
Was this
answer
helpful?
Yes
No
Wednesday, January 5th, 2022 AT 8:28 AM
Tiny
MARC SHUELL
  • MEMBER
  • 7 POSTS
===PCM DTC None===
Successful DTC reading, no error codes found

Module: Powertrain Control Module

===END PCM DTC None===

===OBDII DTC None===
Successful DTC reading, no error codes found

Module: On Board Diagnostic II

===END OBDII DTC None===

===APIM DTC U3003:16-0B===
Code: U3003 - Battery Voltage

Additional Fault Symptom:
- Circuit Voltage Below Threshold

Status:
- DTC Present at Time of Request
- Malfunction Indicator Lamp is Off for this DTC

Module: Accessory Protocol Interface Module

===END APIM DTC U3003:16-0B===

===BdyCM DTC B1310:12-0A===
Code: B1310 - Run/Start Control

Additional Fault Symptom:
- Circuit Short To Battery

Status:
- DTC Present at Time of Request
- Malfunction Indicator Lamp is Off for this DTC

Module: Body Control Module

===END BdyCM DTC B1310:12-0A===

===BdyCM DTC B1D02:15-48===
Code: B1D02 - Left High Beam Circuit

Additional Fault Symptom:
- Circuit Short To Battery Or Open

Status:
- Previously Set DTC - Not Present at Time of Request
- Malfunction Indicator Lamp is Off for this DTC
- Test not complete

Module: Body Control Module

===END BdyCM DTC B1D02:15-48===

===BdyCM DTC B1D02:11-48===
Code: B1D02 - Left High Beam Circuit

Additional Fault Symptom:
- Circuit Short To Ground

Status:
- Previously Set DTC - Not Present at Time of Request
- Malfunction Indicator Lamp is Off for this DTC
- Test not complete

Module: Body Control Module

===END BdyCM DTC B1D02:11-48===

===BdyCM DTC B1323:11-48===
Code: B1323 - Horn Switch

Additional Fault Symptom:
- Circuit Short To Ground

Status:
- Previously Set DTC - Not Present at Time of Request
- Malfunction Indicator Lamp is Off for this DTC
- Test not complete

Module: Body Control Module

===END BdyCM DTC B1323:11-48===

===BdyCM DTC B115E:08-48===
Code: B115E - Camera Module

Additional Fault Symptom:
- Bus Signal/Message Failures

Status:
- Previously Set DTC - Not Present at Time of Request
- Malfunction Indicator Lamp is Off for this DTC
- Test not complete

Module: Body Control Module

===END BdyCM DTC B115E:08-48===

===BdyCM DTC U0131:87-48===
Code: U0131 - Lost Communication With Power Steering Control Module A

Additional Fault Symptom:
- Missing Message

Status:
- Previously Set DTC - Not Present at Time of Request
- Malfunction Indicator Lamp is Off for this DTC
- Test not complete

Module: Body Control Module

===END BdyCM DTC U0131:87-48===

===BECMB DTC U0100:87-48===
Code: U0100 - Lost Communication With ECM/PCM A

Additional Fault Symptom:
- Missing Message

Status:
- Previously Set DTC - Not Present at Time of Request
- Malfunction Indicator Lamp is Off for this DTC
- Test not complete

Module: Battery Energy Control Module B

===END BECMB DTC U0100:87-48===

===SODR DTC Error===
Unable to read DTC

Module: Side Obstacle Detection Control Module - Right

===END SODR DTC Error===

===SODL DTC Error===
Unable to read DTC

Module: Side Obstacle Detection Control Module - Left

===END SODL DTC Error===

===HUD DTC Error===
Unable to read DTC

Module: Head Up Display

===END HUD DTC Error===

===FCIM DTC B1C83:14-48===
Code: B1C83 - Rear Defog Relay

Additional Fault Symptom:
- Circuit Short To Ground Or Open

Status:
- Previously Set DTC - Not Present at Time of Request
- Malfunction Indicator Lamp is Off for this DTC
- Test not complete

Module: Front Controls Interface Module

===END FCIM DTC B1C83:14-48===

===FCIM DTC U0401:81-48===
Code: U0401 - Invalid Data Received from ECM/PCM A

Additional Fault Symptom:
- Invalid Serial Data Received

Status:
- Previously Set DTC - Not Present at Time of Request
- Malfunction Indicator Lamp is Off for this DTC
- Test not complete

Module: Front Controls Interface Module

===END FCIM DTC U0401:81-48===

===FCDIM DTC U3003:16-0F===
Code: U3003 - Battery Voltage

Additional Fault Symptom:
- Circuit Voltage Below Threshold

Status:
- DTC Present at Time of Request
- Malfunction Indicator Lamp is Off for this DTC

Module: Front Control/Display Interface Module

===END FCDIM DTC U3003:16-0F===

===OCS DTC U0401:00-2B===
Code: U0401 - Invalid Data Received from ECM/PCM A

Status:
- DTC Present at Time of Request
- Malfunction Indicator Lamp is Off for this DTC

Module: Occupant Classification System Module

===END OCS DTC U0401:00-2B===

===C-CM DTC Error===
Unable to read DTC

Module: Cruise-Control Module

===END C-CM DTC Error===

===ABS DTC U300A:29-AB===
Code: U300A - Ignition Switch

Additional Fault Symptom:
- Signal Invalid

Status:
- DTC Present at Time of Request
- Malfunction Indicator Lamp is On for this DTC

Module: Antilock braking system

Freeze Frame :
-GLOBTIM: 90289933 s - Global real time
-TOTDIST: 113219.0 km - Total Distance
-MAINECUV: 11.75 V - Main ECU voltage supply
-OUTTMP: 12 °C - External Temperature From Sensor
-POWER_MODE: Ignition on power mode - Power Mode Status
-ABS: Inactive - ABS
-AYC: Inactive - AYC
-BTCS: Inactive - BTCS -201D
-HDC: Inactive - HDC
-RSC: Inactive - RSC
-BTC: Inactive - BTC
-VAC_BST_ST: Inactive - Active Vacuum Booster State
-BST_REL_SW: Inactive - Booster Release Switch State
-HYD_PMP_ST: Inactive - Hydraulic Pump State
-VPWR_ABS: 11.80 V - Module supply voltage
-VSS: 0.0 km/h - Vehicle Speed
===END ABS DTC U300A:29-AB===

===RTM DTC None===
Successful DTC reading, no error codes found

Module: Radio Transceiver Module

===END RTM DTC None===

===PDM DTC U0233:00-48===
Code: U0233 - Lost Communication With Side Obstacle Detection Control Module B

Status:
- Previously Set DTC - Not Present at Time of Request
- Malfunction Indicator Lamp is Off for this DTC
- Test not complete

Module: Passengers Door Control Unit

===END PDM DTC U0233:00-48===

===DDM DTC U0232:00-48===
Code: U0232 - Lost Communication With Side Obstacle Detection Control Module A

Status:
- Previously Set DTC - Not Present at Time of Request
- Malfunction Indicator Lamp is Off for this DTC
- Test not complete

Module: Drivers Door Module

===END DDM DTC U0232:00-48===

===RCM DTC B00A0:68-AF===
Code: B00A0 - Occupant Classification System

Additional Fault Symptom:
- Event Information

Status:
- DTC Present at Time of Request
- Malfunction Indicator Lamp is On for this DTC

Module: Restraint Control Module

===END RCM DTC B00A0:68-AF===

===RCM DTC U0112:00-28===
Code: U0112 - Lost Communication With Battery Energy Control Module B

Status:
- Previously Set DTC - Not Present at Time of Request
- Malfunction Indicator Lamp is Off for this DTC

Module: Restraint Control Module

===END RCM DTC U0112:00-28===

===RCM DTC U0401:81-AF===
Code: U0401 - Invalid Data Received from ECM/PCM A

Additional Fault Symptom:
- Invalid Serial Data Received

Status:
- DTC Present at Time of Request
- Malfunction Indicator Lamp is On for this DTC

Module: Restraint Control Module

===END RCM DTC U0401:81-AF===

===RCM DTC U3003:16-28===
Code: U3003 - Battery Voltage

Additional Fault Symptom:
- Circuit Voltage Below Threshold

Status:
- Previously Set DTC - Not Present at Time of Request
- Malfunction Indicator Lamp is Off for this DTC

Module: Restraint Control Module

===END RCM DTC U3003:16-28===

===GSM DTC None===
Successful DTC reading, no error codes found

Module: Gear Shift Module

===END GSM DTC None===

===PSCM DTC Error===
Unable to read DTC

Module: Power Steering Control Module

===END PSCM DTC Error===

===ACM DTC U3003:16-0A===
Code: U3003 - Battery Voltage

Additional Fault Symptom:
- Circuit Voltage Below Threshold

Status:
- DTC Present at Time of Request
- Malfunction Indicator Lamp is Off for this DTC

Module: Audio Control Module

===END ACM DTC U3003:16-0A===

===SCCM DTC None===
Successful DTC reading, no error codes found

Module: Steering Column Control Module

===END SCCM DTC None===

===IPC DTC U0104:00-0A===
Code: U0104 - Lost Communication With Cruise Control Module

Status:
- DTC Present at Time of Request
- Malfunction Indicator Lamp is Off for this DTC

Module: Instrument Panel Control Module

===END IPC DTC U0104:00-0A===

===IPC DTC U0131:00-0A===
Code: U0131 - Lost Communication With Power Steering Control Module A

Status:
- DTC Present at Time of Request
- Malfunction Indicator Lamp is Off for this DTC

Module: Instrument Panel Control Module

===END IPC DTC U0131:00-0A===

===IPC DTC U0140:00-0A===
Code: U0140 - Lost Communication With Body Control Module

Status:
- DTC Present at Time of Request
- Malfunction Indicator Lamp is Off for this DTC

Module: Instrument Panel Control Module

===END IPC DTC U0140:00-0A===

===IPC DTC U0184:00-08===
Code: U0184 - Lost Communication With Radio

Status:
- Previously Set DTC - Not Present at Time of Request
- Malfunction Indicator Lamp is Off for this DTC

Module: Instrument Panel Control Module

===END IPC DTC U0184:00-08===

===IPC DTC U0401:81-0A===
Code: U0401 - Invalid Data Received from ECM/PCM A

Additional Fault Symptom:
- Invalid Serial Data Received

Status:
- DTC Present at Time of Request
- Malfunction Indicator Lamp is Off for this DTC

Module: Instrument Panel Control Module

===END IPC DTC U0401:81-0A===

===IPC DTC U3003:16-08===
Code: U3003 - Battery Voltage

Additional Fault Symptom:
- Circuit Voltage Below Threshold

Status:
- Previously Set DTC - Not Present at Time of Request
- Malfunction Indicator Lamp is Off for this DTC

Module: Instrument Panel Control Module

===END IPC DTC U3003:16-08===

===GWM DTC None===
Successful DTC reading, no error codes found

Module: Gateway Module A

===END GWM DTC None===

===TRCM DTC P2534:00-AF===
Code: P2534 - Ignition Switch On/Start Position Circuit Low

Status:
- DTC Present at Time of Request
- Malfunction Indicator Lamp is On for this DTC

Module: Transmission Range Control Module

===END TRCM DTC P2534:00-AF===

===IPMA DTC B12D8:13-68===
Code: B12D8 - Mirror Heater Output

Additional Fault Symptom:
- Circuit Open

Status:
- Previously Set DTC - Not Present at Time of Request
- Malfunction Indicator Lamp is Off for this DTC
- Test not complete

Module: Image Processing Module A

===END IPMA DTC B12D8:13-68===

===GPSM DTC U3003:16-8A===
Code: U3003 - Battery Voltage

Additional Fault Symptom:
- Circuit Voltage Below Threshold

Status:
- DTC Present at Time of Request
- Malfunction Indicator Lamp is On for this DTC

Module: Global Positioning System Module

===END GPSM DTC U3003:16-8A===
Was this
answer
helpful?
Yes
No
Wednesday, January 5th, 2022 AT 8:29 AM
Tiny
MARC SHUELL
  • MEMBER
  • 7 POSTS
Here is a video clip of the car. Let me know if you can hear it if not, I'll do it over again. I also took pictures of the dash lights that are on the cluster. If you need them too, please let me know. While waiting for a response I will be checking all the fuses and looking over wiring, for a break or short or bad connection. I am also going to try to check my transmission fluid too. And the car is a push button start.
Was this
answer
helpful?
Yes
No
Wednesday, January 5th, 2022 AT 9:03 AM
Tiny
JACOBANDNICKOLAS
  • MECHANIC
  • 110,192 POSTS
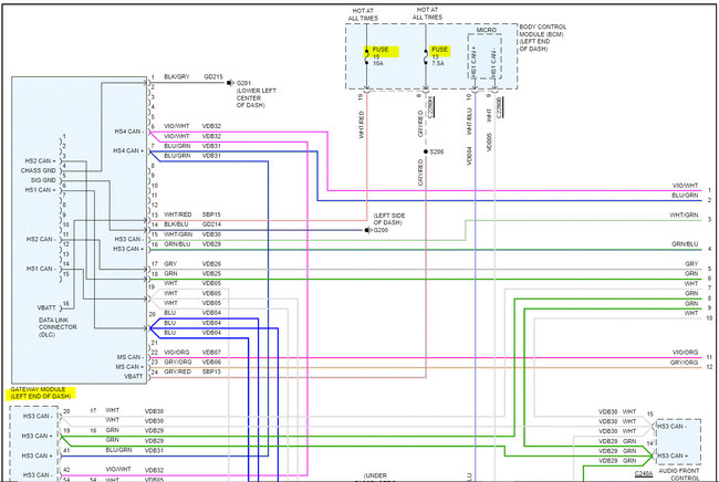
Are the codes above from before replacing the battery? The one common element is low voltage. There isn't a reset for the new battery.

For all of these lights to be on, I have a feeling we lost power (for whatever reason) to the gateway module.

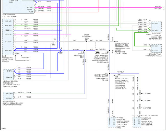
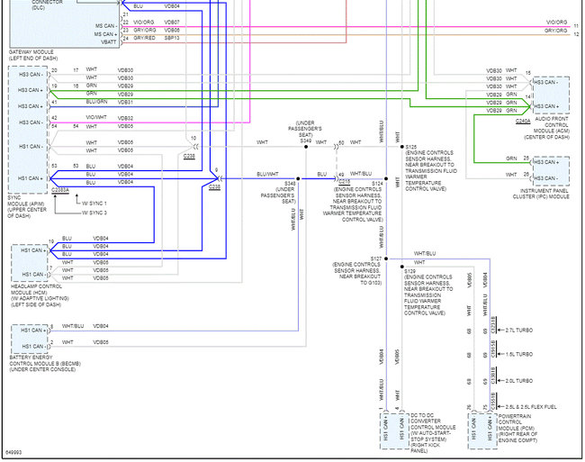
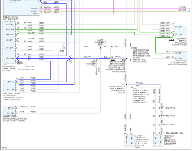
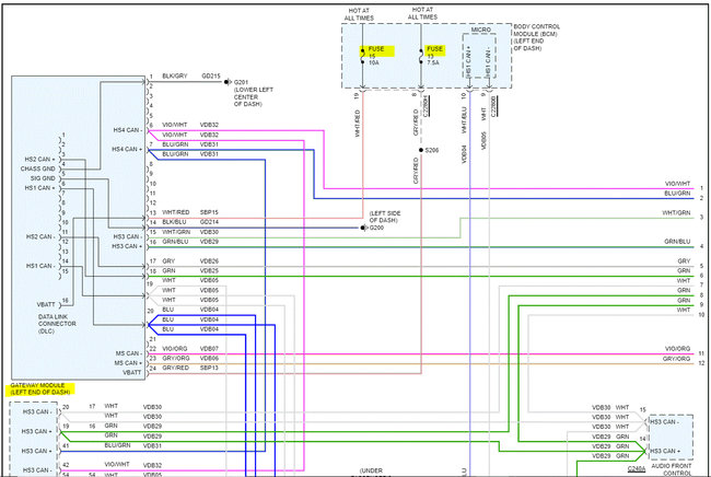
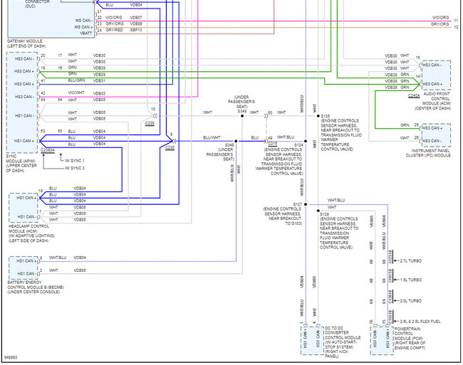
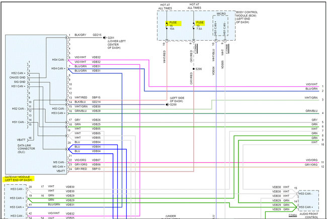
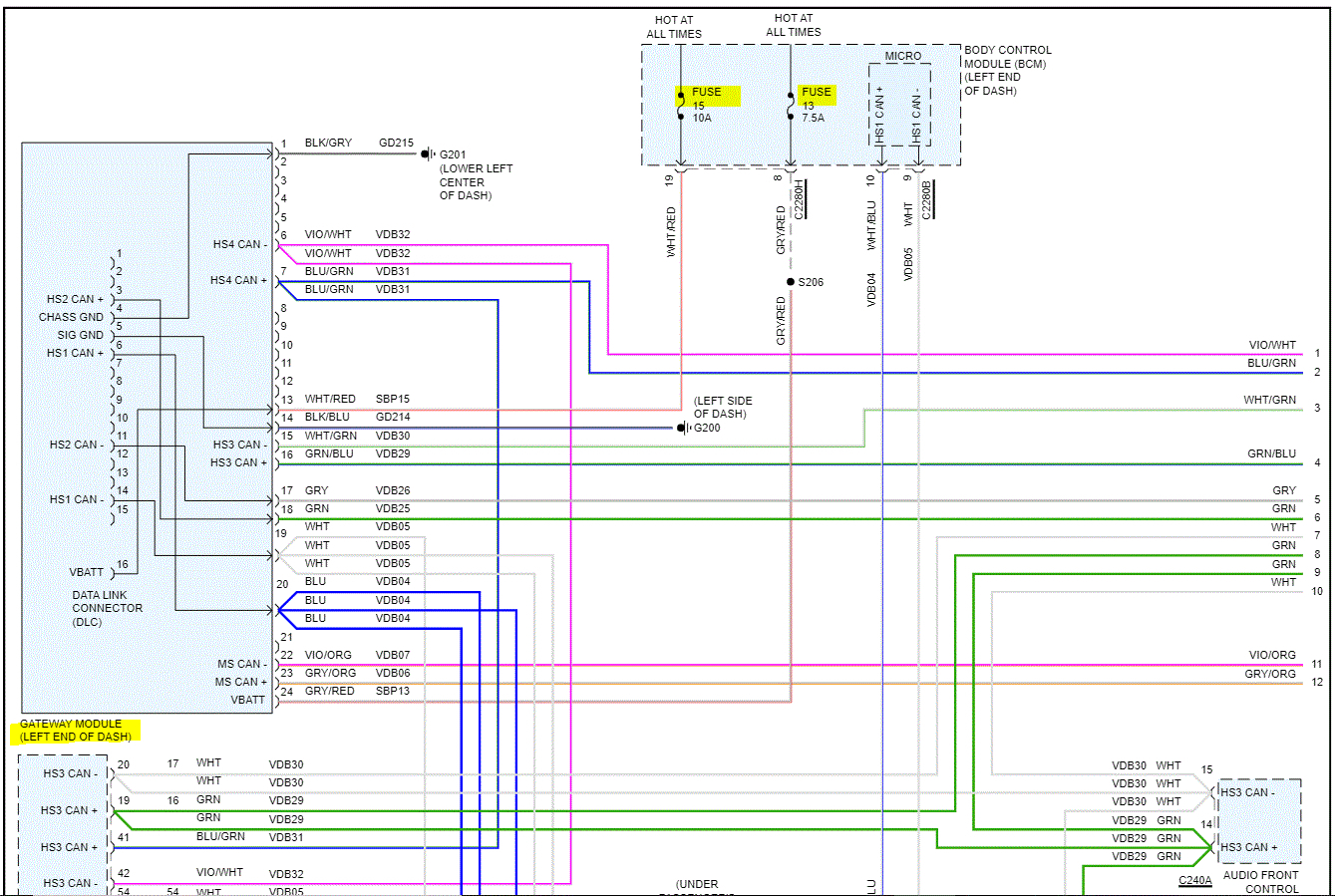
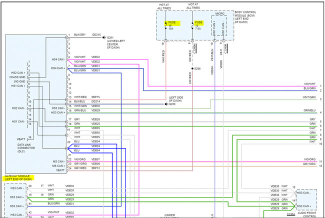
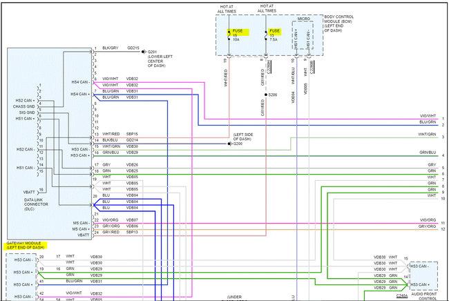
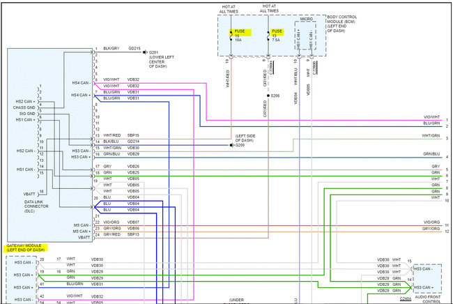
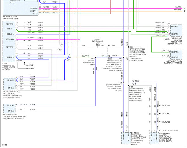
I attached a portion of the can/bus wiring schematic below. I highlighted two fuses I need you to check. Additionally, confirm there is power to and from them. Here is a link you may find helpful:

https://www.2carpros.com/articles/how-to-check-a-car-fuse

The last pic below shows the fuses in the box. I highlighted the ones involved.

Let me know what you find. Also, check to see if fuses 14 and 19 are good as well. That one is for the battery energy control module.

Take care,

Joe

See pics below.

Was this
answer
helpful?
Yes
No
Wednesday, January 5th, 2022 AT 5:43 PM
Tiny
MARC SHUELL
  • MEMBER
  • 7 POSTS
There is a reset for battery replacement, but it won't reset right now. I think the car needs to be idle to reset the battery and the DTC's right? If it just needs to be with the accessory power on, then there is an issue there because I have tried a couple times and it won't finish the reset. The codes are from a couple days before I replaced the cars battery. I will go give them a look tonight, but double check in the morning and get back to you. Ty for the help it is very appreciated.
Was this
answer
helpful?
Yes
No
Wednesday, January 5th, 2022 AT 6:25 PM
Tiny
JACOBANDNICKOLAS
  • MECHANIC
  • 110,192 POSTS
I'm not seeing anything for a reset in the manual, but anything is possible. As far as codes, they should be handled with the engine off and the key in the run position and not ACC.

Let me know if that makes any difference.

Take care,

Joe
Was this
answer
helpful?
Yes
No
Wednesday, January 5th, 2022 AT 7:18 PM
Tiny
MARC SHUELL
  • MEMBER
  • 7 POSTS
None of the fuses were blown and the circuits are getting power. Car is push button start no key just a FOB. In the morning I will keep checking the wires for shorts. Think I should focus on the safety sensor's wires that show and maybe take a look at the TCM for the transmission it is under the battery tray. Most of the other modules I can see outright there are only a couple that I have to remove things to get a visual of them and there wires. Also just seen an article on here called engine stalls so I'll check everything it has listed on there also.
Was this
answer
helpful?
Yes
No
Thursday, January 6th, 2022 AT 7:23 PM
Tiny
JACOBANDNICKOLAS
  • MECHANIC
  • 110,192 POSTS
Hi,

Sounds like a plan. Let me know what you find or if I can help in any way.

Take care,

Joe
Was this
answer
helpful?
Yes
No
Thursday, January 6th, 2022 AT 9:10 PM

Please login or register to post a reply.