Reverse light and CAM still on all the time?

Tiny
DAVID GARRIDO
  • MEMBER
  • 2018 CHEVROLET SILVERADO
  • 90,000 MILES
Reverse light and cam still on all the time I believe is the reverse switch. Don’t know where is located. Can any one buddy help?
Wednesday, November 2nd, 2022 AT 12:25 PM

1 Reply

Tiny
KEN L
  • MASTER CERTIFIED MECHANIC
  • 55,297 POSTS
Do the lights for the gear inductors work? if not then it sounds like the gear range sensor is not working correctly and it needs to be replaced here is the location in the images below. If the inductor light work then we need to do a CAN scan because there are a few modules that can cause this problem included the BCM, you can get a CAN scanner (Controller Area Network) from Amazon for about $36.00.

Here is a video to show you how:

https://youtu.be/u-4syLc-ifQ

and

https://www.2carpros.com/articles/can-scan-controller-area-network-easy

Amazon CAN scanner link for about $36.00.

https://amzn.to/3R9lJ60

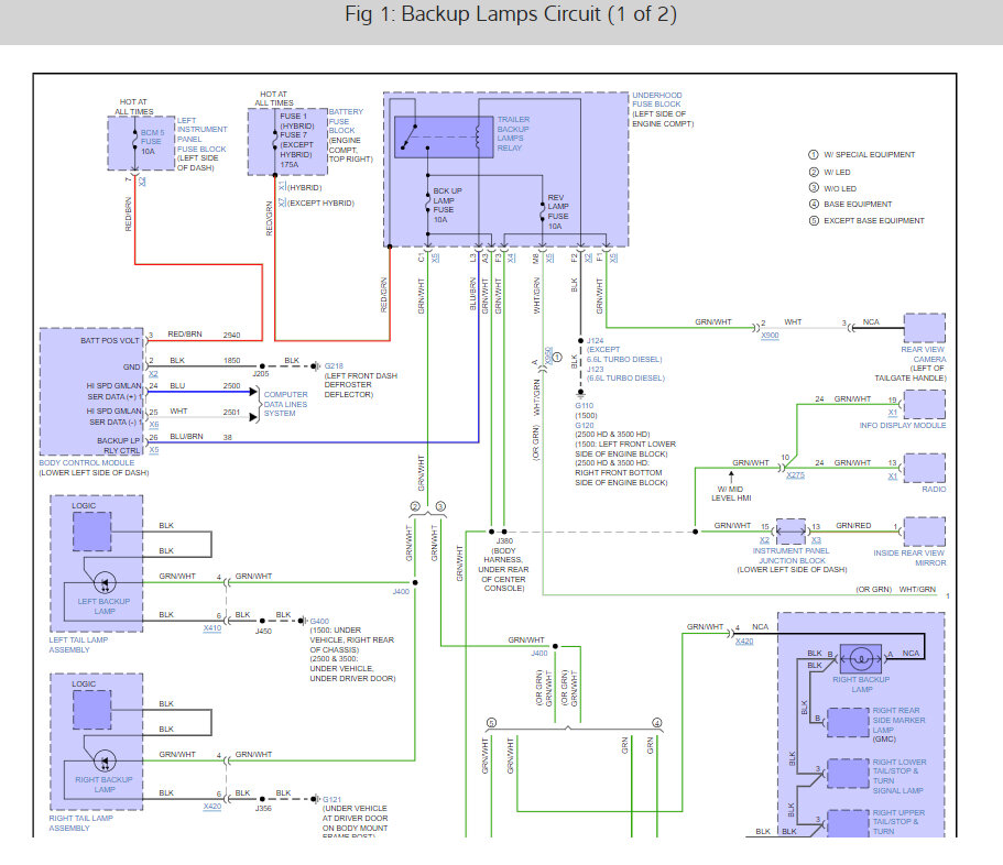
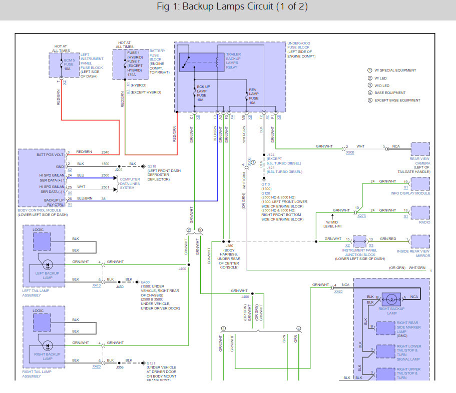
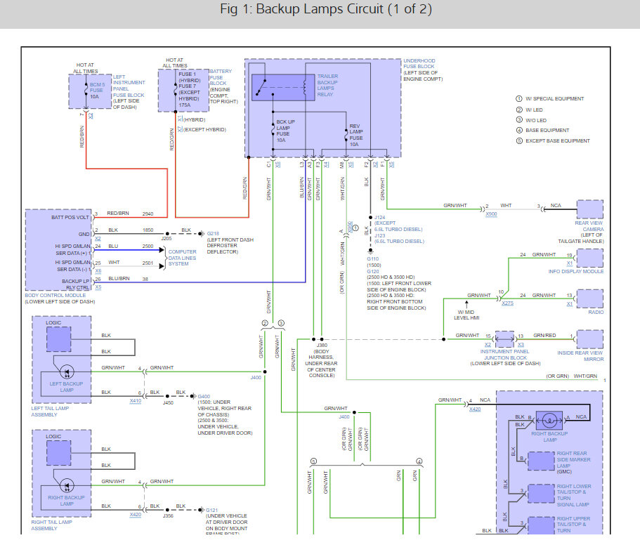
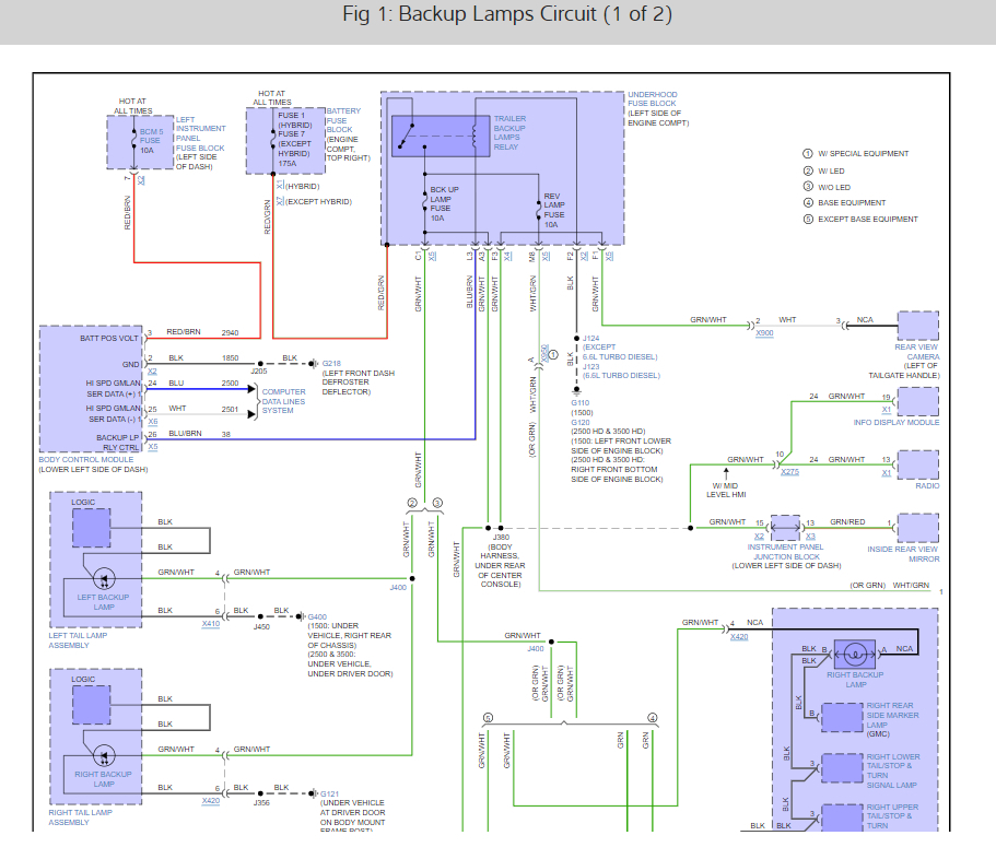
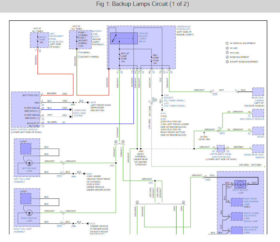
I have also included the wiring diagrams for the reverse lights so you can see how the system works. Check out the images (below). Let us know what happens and please upload pictures or videos of the problem.
Was this
answer
helpful?
Yes
No
Thursday, November 3rd, 2022 AT 11:32 AM

Please login or register to post a reply.