Front and rear heated seat diagram needed?

Tiny
KAROL1992
  • MEMBER
  • 2018 DODGE DURANGO
  • 5.7L
  • V8
  • 4WD
  • AUTOMATIC
  • 80,000 MILES
Hello. I'm looking for seat wiring diagram for the vehicle listed above RT with heated and vent front seat and heated rear seat. Can you help me?
Wednesday, November 13th, 2024 AT 1:32 AM

17 Replies

Tiny
AL514
  • MECHANIC
  • 5,595 POSTS
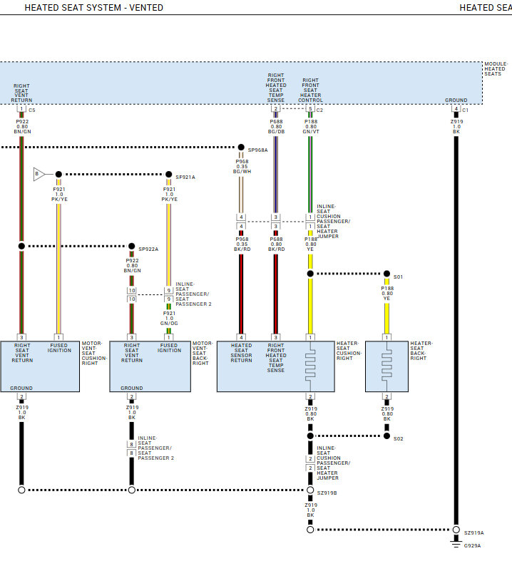
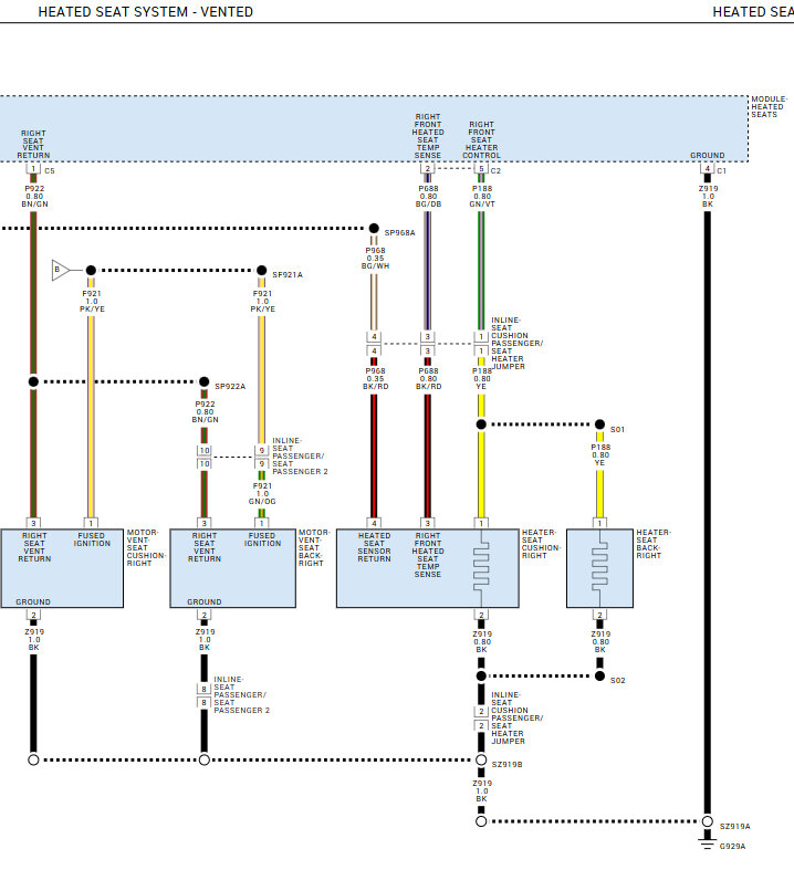
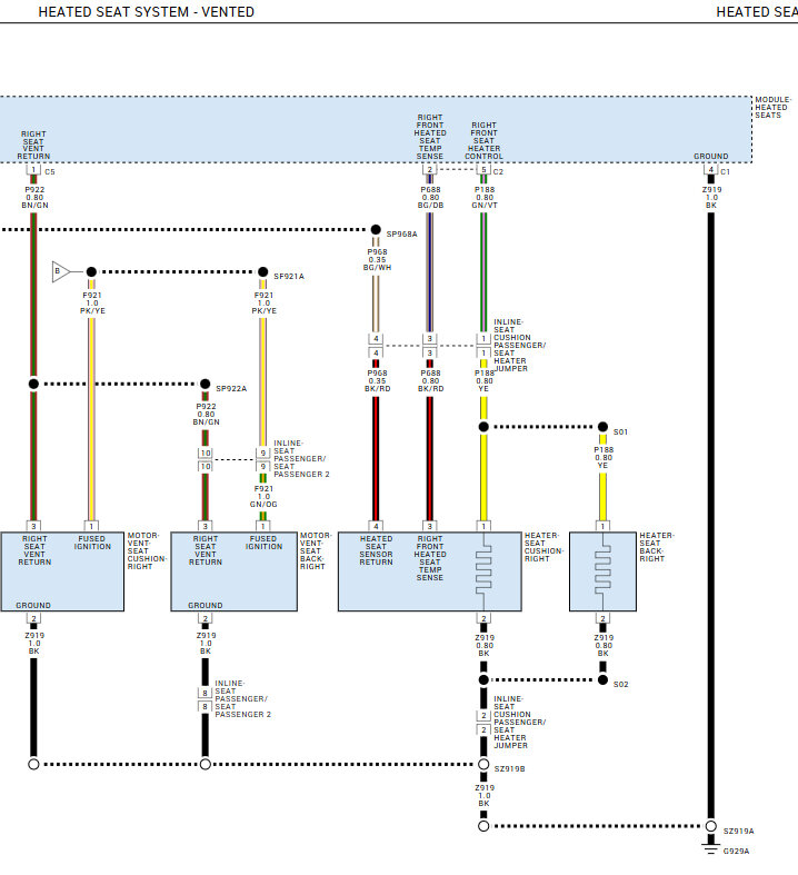
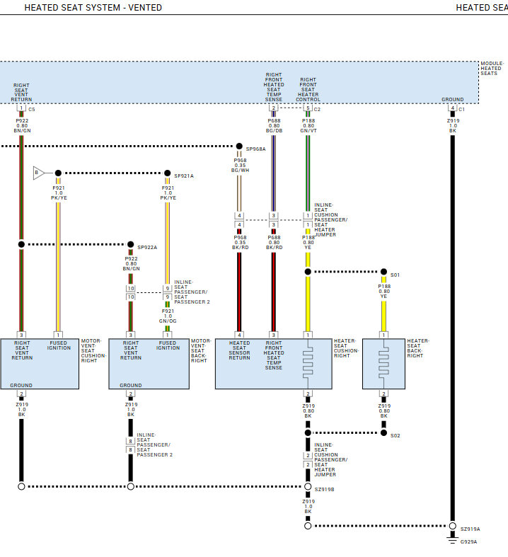
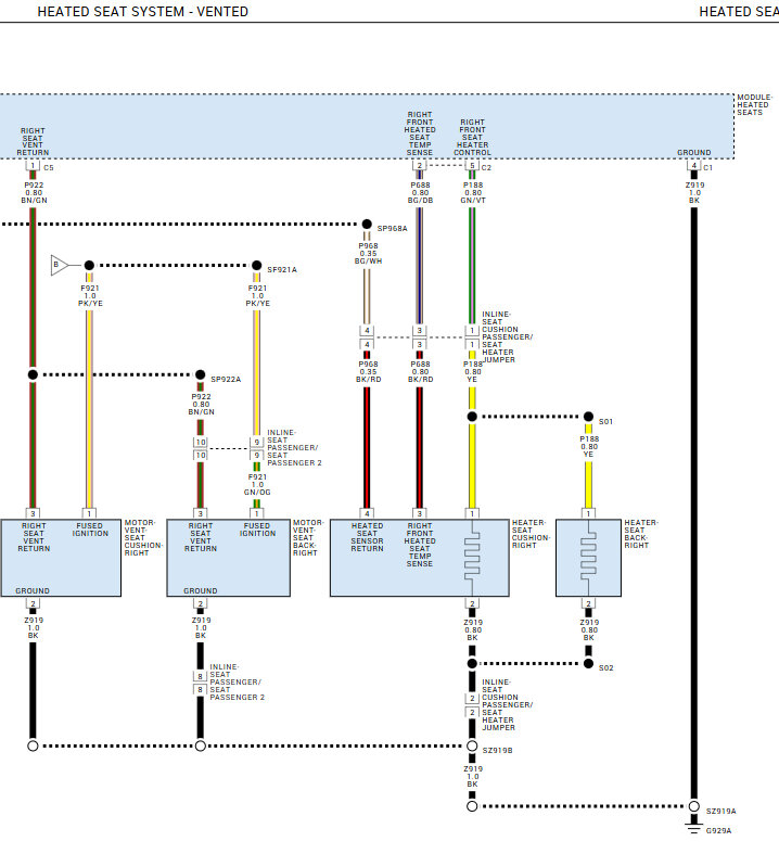
Hello, yes, we have access to that, the OEM diagram has a lot on it, so it will be broken up into sections, but you will be able to see all of it or print it out. Just one minute.
Was this
answer
helpful?
Yes
No
+1
Wednesday, November 13th, 2024 AT 8:23 AM
Tiny
AL514
  • MECHANIC
  • 5,595 POSTS
These diagrams are all on one page, and I know the letters and numbers are pretty small and might be difficult to see so if you need any section of it zoomed in more, we can try that. I would see if you have scan tool communications with the Heated Seats Control Module first if all the heated seats are not working. It may be a power or ground issue to the module itself. If you cant read any codes or live data from the module then it's most likely offline completely. I'll find the location of the module and you can go right to it if needed, just don't unbolt or unplug any airbag modules it might be near. In some cases, the airbag module is grounded to the body underneath a seat and unbolting it can set off the airbags.
Was this
answer
helpful?
Yes
No
+1
Wednesday, November 13th, 2024 AT 8:32 AM
Tiny
AL514
  • MECHANIC
  • 5,595 POSTS
Here are some of the service info operations on the Heated and Power Seats, there is also a step-by-step flow chart for diagnosing the Seats, it starts out with checks at the Power Seat Switch, let me know if you want those. They are continuity checks with the battery disconnected. Not sure that will be useful if all the heated seat vents are not working, that's more of a power supply issue.
Was this
answer
helpful?
Yes
No
+1
Wednesday, November 13th, 2024 AT 8:41 AM
Tiny
AL514
  • MECHANIC
  • 5,595 POSTS
The Heated Seats control module is located under the passenger's seat, just watch out for any yellow airbag connectors under there.
Was this
answer
helpful?
Yes
No
+1
Wednesday, November 13th, 2024 AT 8:48 AM
Tiny
KAROL1992
  • MEMBER
  • 6 POSTS
Amazing! This is exactly what I was looking for. My problem is that I have no power in the buttons to control the heated rear seat. There are no errors. Now I can check the wires. Thank you.
Was this
answer
helpful?
Yes
No
Wednesday, November 13th, 2024 AT 8:59 AM
Tiny
AL514
  • MECHANIC
  • 5,595 POSTS
No problem, if needed we can pull up connector pinouts as well. Let us know what you find.
Was this
answer
helpful?
Yes
No
+1
Thursday, November 14th, 2024 AT 10:34 AM
Tiny
KAROL1992
  • MEMBER
  • 6 POSTS
Problem solved. The seat heating buttons work properly. Unfortunately, the USB ports do not work. Do you have a diagram of this connection?
Was this
answer
helpful?
Yes
No
Thursday, November 14th, 2024 AT 1:34 PM
Tiny
AL514
  • MECHANIC
  • 5,595 POSTS
Yes, there is an OEM diagram for the USBs, but the 110AC plug is a different story, hopefully that still works.
Was this
answer
helpful?
Yes
No
+1
Thursday, November 14th, 2024 AT 3:25 PM
Tiny
AL514
  • MECHANIC
  • 5,595 POSTS
I tried to fit as much in on each page as possible.
Was this
answer
helpful?
Yes
No
+1
Thursday, November 14th, 2024 AT 3:34 PM
Tiny
AL514
  • MECHANIC
  • 5,595 POSTS
It looks like the USB ports can actually set codes in the Radio module for over current and such, but there is some service information on reading and erasing codes from the Radio module, it looks like one of the front doors must remain open when checking or erasing DTCs from the Radio, never heard that one before, but there's some other stuff here too, so if you plan on scanning the Radio for trouble codes, let us know first so we can provide the service info, even on scan tool usage.
Was this
answer
helpful?
Yes
No
+1
Thursday, November 14th, 2024 AT 3:38 PM
Tiny
AL514
  • MECHANIC
  • 5,595 POSTS
This doesn't look exactly what you have, this shows and aux input with the USB ports, but in diagram 2 is an example of a USB Over Current Code stored in the Radio, and for testing the USB ports themselves they show special wire harnesses for testing. It looks like the most you can do is check for power at the back connector I think, its pretty in-depth with many pages of service info for them.
Was this
answer
helpful?
Yes
No
+1
Thursday, November 14th, 2024 AT 3:49 PM
Tiny
KAROL1992
  • MEMBER
  • 6 POSTS
With your help, I checked the fuses from the diagram and two were damaged. Now everything works. Thank you again. The last thing that doesn't work is the seat memory and seat back adjustment. Do you have any diagrams regarding this? Anyway, thank you for your help. I wouldn't do anything without it.
Was this
answer
helpful?
Yes
No
Friday, November 15th, 2024 AT 1:02 PM
Tiny
AL514
  • MECHANIC
  • 5,595 POSTS
Yes, we have those as well, although the seat forward and reverse and lumbar support are on circuit breakers and not fuses, but also notice in diagram 6 the power seat operations, they will switch off with voltage below 11volts, so corroded or bad connections will shut down the power seats, verify at least 12volts is getting to the switches, these diagrams are for the driver's seat switch and motors only, Ill post the memory section next but the memory section of power seats is powered off the same "Circuit Breaker 2- Power Seat-Driver". So most likely the issue with the seat memory is going to be tied in with whatever is affecting the seat's motors from movement.
Was this
answer
helpful?
Yes
No
+1
Friday, November 15th, 2024 AT 1:31 PM
Tiny
AL514
  • MECHANIC
  • 5,595 POSTS
These are for the seat memory which is still the same system, although they have you check the Power Seat fuse in the diagnostic section in diagram 6, which is supposed be a circuit breaker, so that's something you'll have to look into and see what's actually there in the fuse box.
Was this
answer
helpful?
Yes
No
+1
Friday, November 15th, 2024 AT 1:41 PM
Tiny
KAROL1992
  • MEMBER
  • 6 POSTS
Do you have a diagram of the exact connection of these wires? I mean the final connection.
Was this
answer
helpful?
Yes
No
Thursday, December 5th, 2024 AT 1:01 PM
Tiny
KAROL1992
  • MEMBER
  • 6 POSTS
I have located these two connections, but I don't know where to go next.
Was this
answer
helpful?
Yes
No
Thursday, December 5th, 2024 AT 1:05 PM
Tiny
KEN L
  • MASTER CERTIFIED MECHANIC
  • 55,488 POSTS
This post has gotten off topic, please start a new thread for this problem. We only handle one problem per thread, please post your new question here, you must be logged in.

https://www.2carpros.com/questions/new

Cheers, Ken
Was this
answer
helpful?
Yes
No
Friday, December 6th, 2024 AT 9:29 AM

Please login or register to post a reply.