Climate control works but not the lights?

Tiny
CALISUPRAMBA
  • MEMBER
  • 2016 MAZDA CX-9
  • 2.5L
  • 4 CYL
  • 4WD
  • AUTOMATIC
  • 40,000 MILES
Car came back from a shop to change the windshield. I was driving in the dark and noticed that the climate control lights weren’t working. The module works perfectly fine, I have A/C, heat, can change temperature, but none of the lights on that module works.

Headlights are on.
Max brightness.
Center console lights and dash lights work.

Thanks in advance.
Wednesday, December 28th, 2022 AT 1:03 PM

16 Replies

Tiny
CALISUPRAMBA
  • MEMBER
  • 4 POSTS
Everything works but no lights.
Was this
answer
helpful?
Yes
No
Wednesday, December 28th, 2022 AT 6:36 PM
Tiny
CALISUPRAMBA
  • MEMBER
  • 4 POSTS
No lights on climate control.
Was this
answer
helpful?
Yes
No
Wednesday, December 28th, 2022 AT 6:36 PM
Tiny
KEN L
  • MASTER CERTIFIED MECHANIC
  • 55,469 POSTS
There is a ground wire (g10) on the left side of the dash that must have been left off or is not working. If these are the only lights not working, if more illumination lights are not working, I would check the panel fuse 7.5 amp in the fuse panel in the left side of the passenger's compartment. This guide will help you I have included the fuse location well:

https://www.2carpros.com/articles/how-to-check-a-car-fuse

Check out the images (below). Please let us know what happens.
Was this
answer
helpful?
Yes
No
Thursday, December 29th, 2022 AT 11:44 AM
Tiny
CALISUPRAMBA
  • MEMBER
  • 4 POSTS
Thanks ken, how do I find this ground wire?
Was this
answer
helpful?
Yes
No
Thursday, December 29th, 2022 AT 3:29 PM
Tiny
KEN L
  • MASTER CERTIFIED MECHANIC
  • 55,469 POSTS
Look around under the left side of the dash with a flashlight, it should be obvious. How was the fuse? You can call the shop that did the windshield to see if they remember disconnecting it.
Was this
answer
helpful?
Yes
No
-1
Saturday, December 31st, 2022 AT 12:11 PM
Tiny
RAVCX9
  • MEMBER
  • 16 POSTS
Hello,
I have this same problem. I checked and there is no fuse box named Panel. Regarding the G10 wire, I have absolutely no idea which one it could be. There are a lot of wires under the dashboard and for a layman, I don't know which one it is G10.
Was this
answer
helpful?
Yes
No
Saturday, September 28th, 2024 AT 4:05 AM
Tiny
RAVCX9
  • MEMBER
  • 16 POSTS
Hello,
I noticed a few days ago that the backlighting of the climate control panel buttons disappeared.
Is there a fuse responsible for this?
It may be a trifle, but when driving at night, apart from the display, the entire panel is dark and you have to operate it blindly. You can't see whether functions such as zone 3/rear climate control or rear window heating are on, etc.

Before it goes to an electromechanic, maybe there is some advice.

P.S. A few days ago, a marten was a guest under the hood.

This problem has already been described here.
I checked and there is no fuse box named Panel. Regarding the G10 wire, I have absolutely no idea which one it could be. There are a lot of cables under the dashboard and for a layman, I don't know which one it is G10

Patient
Mazda CX-9 TC Signature, Canada, 2.5T
Was this
answer
helpful?
Yes
No
Saturday, September 28th, 2024 AT 7:30 AM
Tiny
KEN L
  • MASTER CERTIFIED MECHANIC
  • 55,469 POSTS
This problem was probably the HVAC control module. I would check the fuses and if okay replace the module her is how. You can get a used unit on ebay. Check out the images (below). Please let us know what happens.
Was this
answer
helpful?
Yes
No
Saturday, September 28th, 2024 AT 11:02 AM
Tiny
RAVCX9
  • MEMBER
  • 16 POSTS
  • 2016 MAZDA CX-9
  • 2.5L
  • 4 CYL
  • 4WD
  • AUTOMATIC
  • 40,000 MILES
Hello,
I noticed a few days ago that the backlighting of the climate control panel buttons disappeared.
Is there a fuse responsible for this?
It may be a trifle, but when driving at night, apart from the display, the entire panel is dark and you have to operate it blindly. You can't see whether functions such as zone 3/rear climate control or rear window heating are on, etc.

Before it goes to an electromechanic, maybe there is some advice.

P.S. A few days ago, a marten was a guest under the hood.

This problem has already been described here.
I checked and there is no fuse box named Panel. Regarding the G10 wire, I have absolutely no idea which one it could be. There are a lot of cables under the dashboard and for a layman, I don't know which one it is G10

Patient
Mazda CX-9 TC Signature, Canada, 2.5T
Was this
answer
helpful?
Yes
No
Saturday, September 28th, 2024 AT 11:31 AM (Merged)
Tiny
RAVCX9
  • MEMBER
  • 16 POSTS
Do you think that this won't be a problem for me with the G10 cable? I'm asking because my windshield has also been replaced. The previous owner replaced it.
Was this
answer
helpful?
Yes
No
Saturday, September 28th, 2024 AT 1:58 PM
Tiny
RAVCX9
  • MEMBER
  • 16 POSTS
My replies don't appear immediately after I write them.
Was this
answer
helpful?
Yes
No
Sunday, September 29th, 2024 AT 6:54 AM
Tiny
KEN L
  • MASTER CERTIFIED MECHANIC
  • 55,469 POSTS
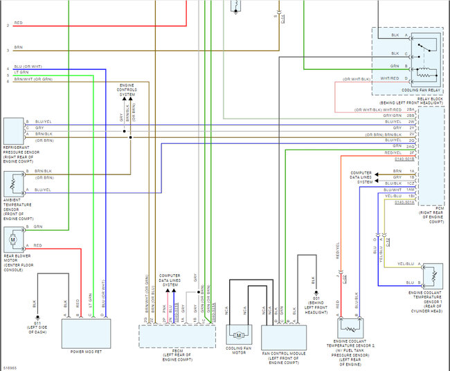
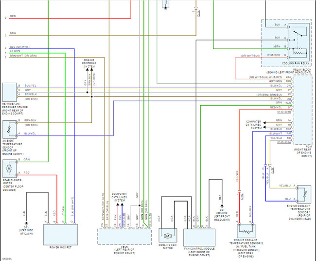
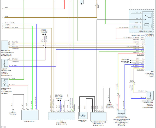
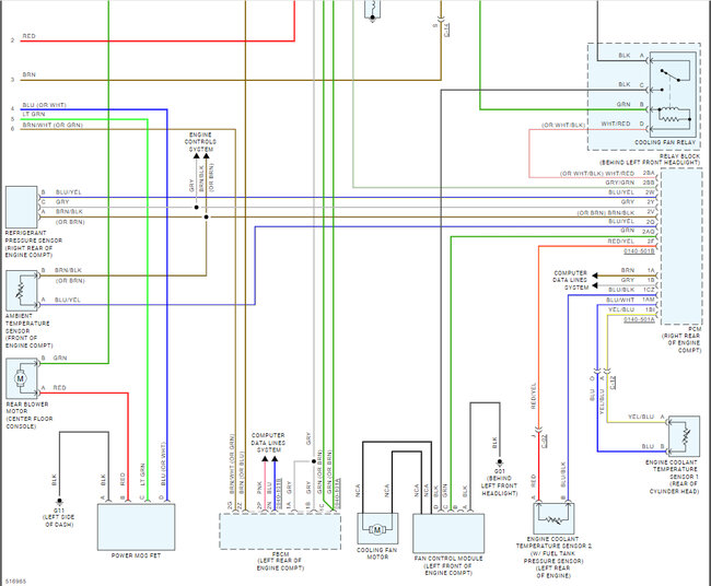
Lets check the power and grounds and if there are okay I would replace the HVAC controller. Here is a guide to help and the HVAC wiring diagrams.

https://www.2carpros.com/articles/how-to-use-a-test-light-circuit-tester

These will show the power and ground circuits and which pins they are. Use the test light to check them. Please go over the guide before you begin.
Was this
answer
helpful?
Yes
No
Sunday, September 29th, 2024 AT 9:49 AM
Tiny
RAVCX9
  • MEMBER
  • 16 POSTS
I thought it would be easiest to find that G10 cable and check. I took pictures from under the dashboard. Finding it from the diagram you sent is too difficult for me. I don't know it well enough.
Was this
answer
helpful?
Yes
No
Sunday, September 29th, 2024 AT 10:17 AM
Tiny
KEN L
  • MASTER CERTIFIED MECHANIC
  • 55,469 POSTS
If you use the guide above it will test the ground without having to find it
Was this
answer
helpful?
Yes
No
Sunday, September 29th, 2024 AT 10:18 AM
Tiny
RAVCX9
  • MEMBER
  • 16 POSTS
Can you help me find this G10 cable? Because
#calisupramba- the person before me who had the same problem probably solved it with your help. In her case it was probably this cable.
Was this
answer
helpful?
Yes
No
Monday, September 30th, 2024 AT 12:55 AM
Tiny
KEN L
  • MASTER CERTIFIED MECHANIC
  • 55,469 POSTS
They only give us the location they don't show the exact placement. But if you remove the HVAC control head you can just use a test light to check the ground connection for the electrical connector, make sure it is unplugged when you test it and if good replace the HVAC control head. Please recheck the post above for instructions.
Was this
answer
helpful?
Yes
No
Tuesday, October 1st, 2024 AT 9:33 AM

Please login or register to post a reply.