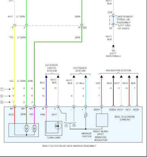
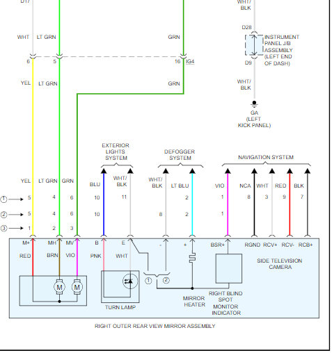
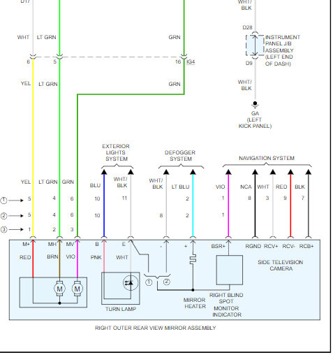
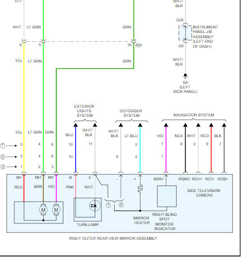
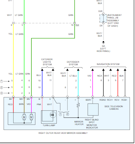
I was wondering if anyone knew which wires go to which because instead of returning I'm just going to splice the wiring. The old mirror wiring is dark green, yellow, and light green. The new mirror has 2 black wires, one yellow, pink, white, blue, and purple. Attached are photos. Any help is much appreciated!
Sunday, November 29th, 2020 AT 1:30 PM








