I don't know what these numbers mean, but I went to the auto parts store to use one of those A/C charges with the gauge. - I believe it was this one - Arctic Freeze R-134a Refrigerant Kit: Includes Hose with Gauge, Seals and Delivers Colder Air, 18 oz, CA Compliant - When using this, it pointed to "Yellow."
This stated, "No additional refrigerant needed, " so based on this, I thought, "okay, so the refrigerant is still inside, " this would mean that the A/C is no longer turning on engaging".
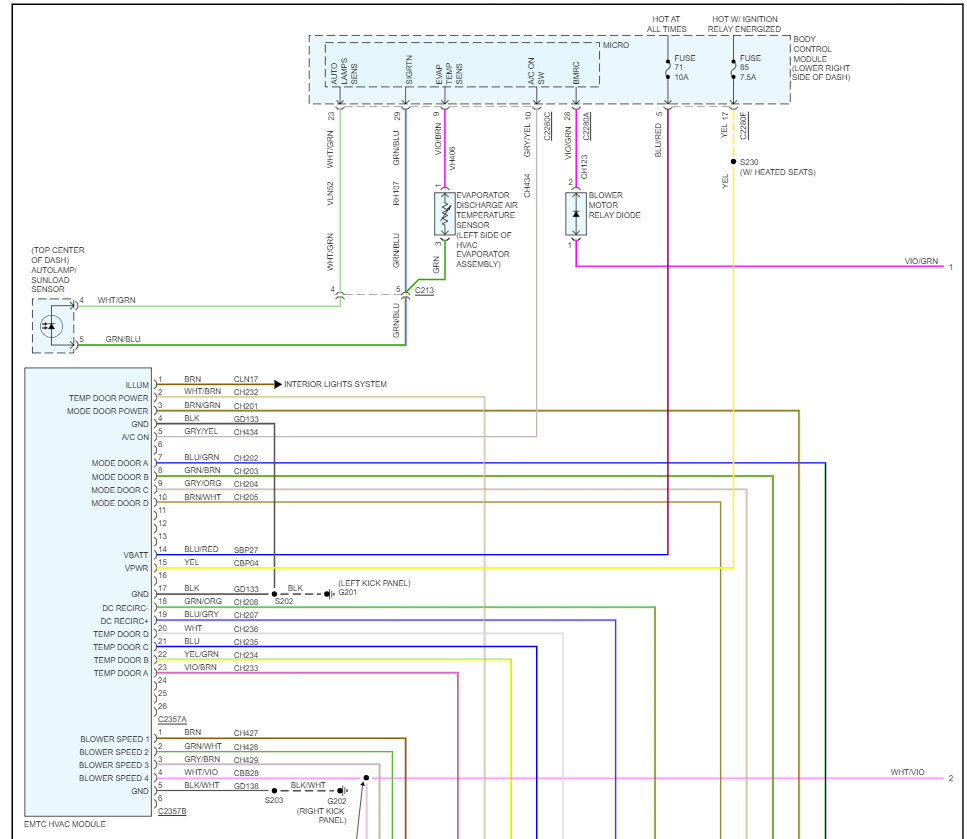
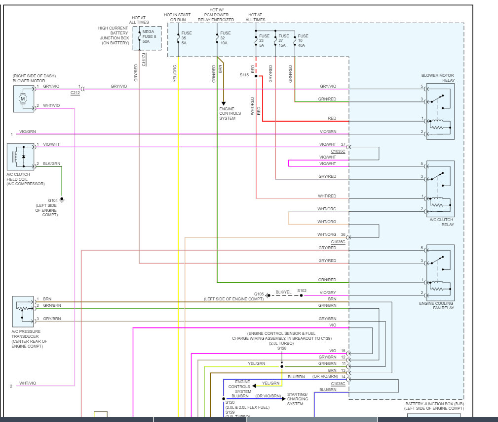
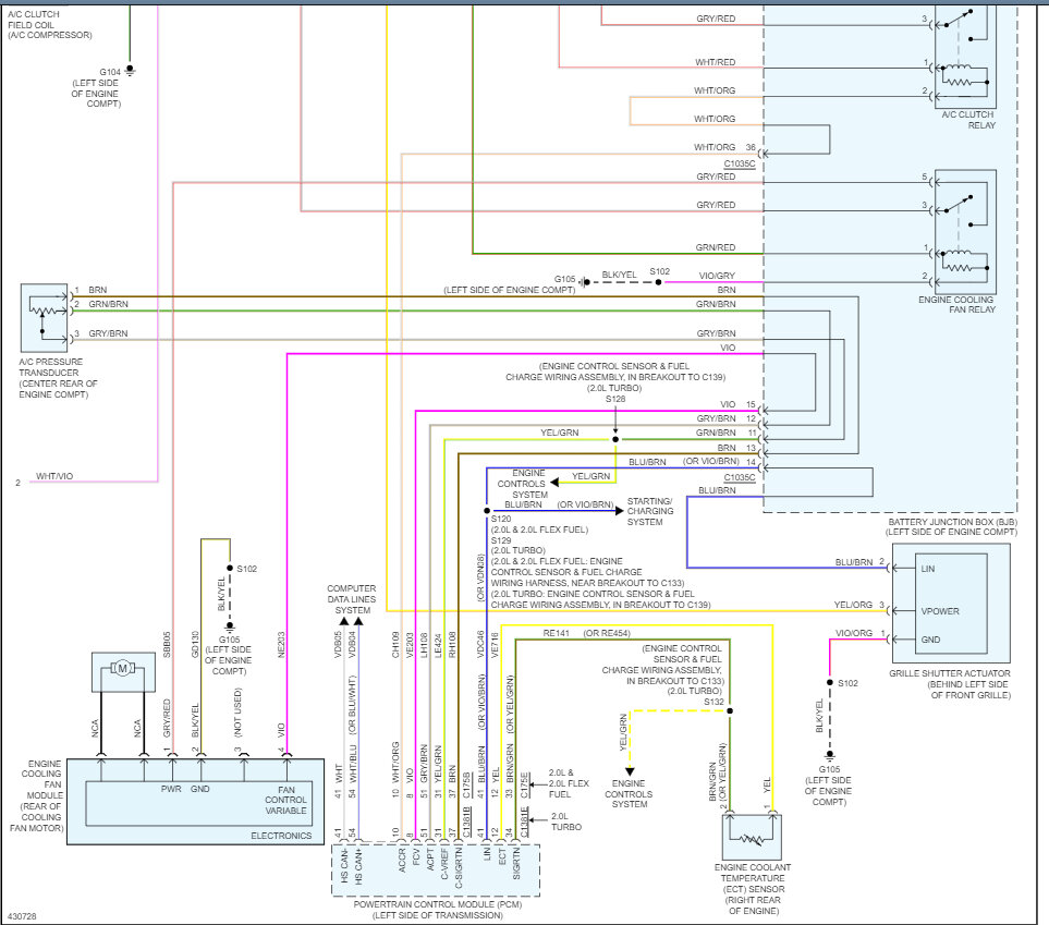
I also noticed no more "click" when you press the "A/C" button. - Before this, a while ago, we took the car in and found that the A/C hoses needed to be replaced, and they stated at that time that the "A/C Compressor" might need to be replaced. - But they never stated why or anything.
If this means that the "A/C Compressor" needs to be swapped out, I went to Ford Parts to check by VIN, and it pulled up two compressors.
Air Conditioning (A/C) Compressor - 2.0l. - Part #: YCC362 (CV6Z19703J)
Air Conditioning (A/C) Compressor - Part #: YCC463 (H1FZ19703B)
Honestly, I have no idea which one, or does it matter? Can it be swapped out completely? I went to RockAuto, and it shows the following.
Tuesday, July 4th, 2023 AT 9:10 PM















