Cannot select drive (D) or reverse(R)

Tiny
CHARLESTUCK
  • MEMBER
  • 2013 MERCEDES BENZ E350
  • V6
  • 4WD
  • AUTOMATIC
  • 100,000 MILES
When I attempt to select the drive or reverse, the selection stays in park. So far, I have been able to turn the switch off and it works after restarting. Once I had to restart more than once. What might be the problem?
Sunday, February 13th, 2022 AT 6:10 PM

7 Replies

Tiny
JACOBANDNICKOLAS
  • MECHANIC
  • 110,194 POSTS
Hi,

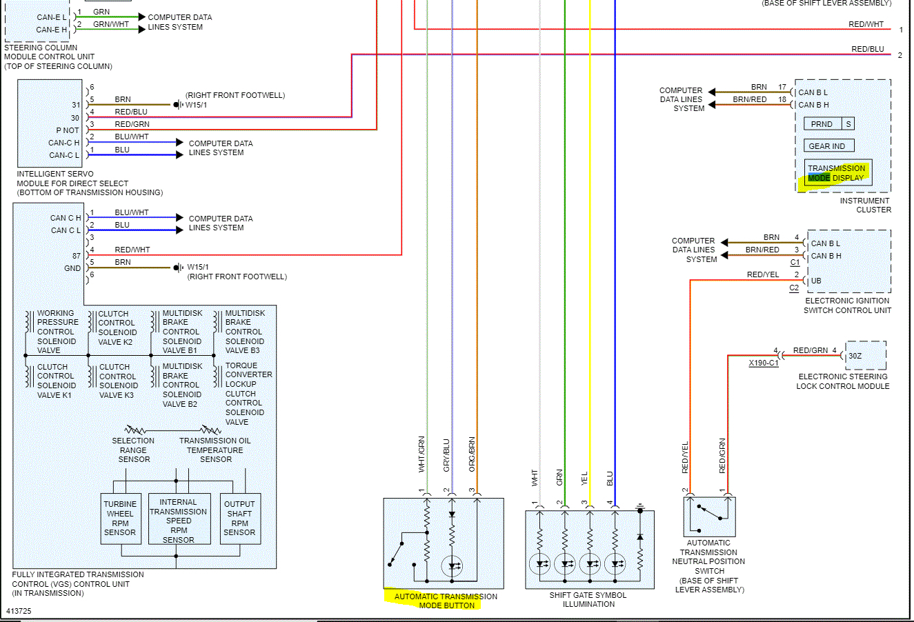
If it shows park after you shift, it could be a few things. If you look below, I attached the wiring schematic and highlighted things that can cause issues with the mode indicator. Note there is specifically an electronic selector control module.

Here is what I recommend. Because of the vehicle type and problem, I suggest having the can bus scanned. CAN stands for controller area network. Basically, all computers/modules are tied together via a few wires. This type of scan will retrieve codes regardless of the module storing them. In this case, it would be the selector control module. If you don't scan it, it becomes a guessing game and with this vehicle, it can become an expensive guessing game.

Here is a link showing how it's done:

https://www.2carpros.com/articles/can-scan-controller-area-network-easy

Let me know your thoughts or if you have other questions. If you are able to have the scan done, let me know what codes are found. If you can't do it, let me know. We'll try to figure out what's going on in a different way.

Let me know.

Joe

See pic below.
Was this
answer
helpful?
Yes
No
Monday, February 14th, 2022 AT 5:18 PM
Tiny
CHARLESTUCK
  • MEMBER
  • 64 POSTS
The problem is not the indicator. When I attempt to select D or R, nothing happens and the car will not move regardless if select D or R.
Was this
answer
helpful?
Yes
No
Monday, February 14th, 2022 AT 5:31 PM
Tiny
JACOBANDNICKOLAS
  • MECHANIC
  • 110,194 POSTS
Hi,

Your first post says, "When I attempt to select the drive or reverse, the selection stays in park." Is that correct? Does the indicator show drive and not move or does it indicate park and not change? Please confirm.

Let me know.

Joe
Was this
answer
helpful?
Yes
No
Monday, February 14th, 2022 AT 8:22 PM
Tiny
CHARLESTUCK
  • MEMBER
  • 64 POSTS
It indicates park and does move or change when I attempt to select drive or reverse. Neither does the care move. It indicates park and not change.
Was this
answer
helpful?
Yes
No
Monday, February 14th, 2022 AT 9:29 PM
Tiny
JACOBANDNICKOLAS
  • MECHANIC
  • 110,194 POSTS
Hi,

That is what I was thinking you meant. I have a feeling it is related to the shift selector module. That is where the can-scan would come into play. Otherwise, we could be replacing parts that are not bad. It can get expensive really fast.

Let me know if that is something you can have done.

Take care,

Joe
Was this
answer
helpful?
Yes
No
Tuesday, February 15th, 2022 AT 2:36 PM
Tiny
CHARLESTUCK
  • MEMBER
  • 64 POSTS
When I scanned the computer, no codes were found. The problem almost always occurs when it the weather is very cold. So far, I have not made any repairs.
Was this
answer
helpful?
Yes
No
Monday, September 19th, 2022 AT 7:34 PM
Tiny
JACOBANDNICKOLAS
  • MECHANIC
  • 110,194 POSTS
Hi,

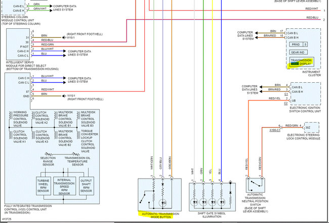
It sounds like the shift servo module is failing. The only thing that can be done is to check it when it fails. Once it starts working again, it will be difficult. The idea of checking it would require a scan tool that can communicate with the module. You would need to actuate the module to shift. If it doesn't, then the module is the likely issue.

I attached directions below showing how to replace it, but it isn't an inexpensive part. If you don't have the tool to test it, I would have that done before replacing it.

Let me know what I can do to help.

Take care,

Joe

See pics below.
Was this
answer
helpful?
Yes
No
Tuesday, September 20th, 2022 AT 5:45 PM

Please login or register to post a reply.