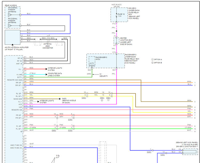
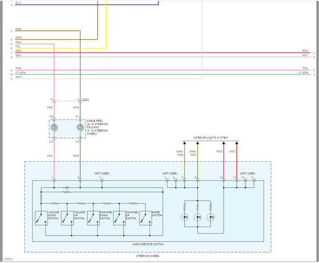
Tuesday, January 20th, 2015 AT 10:27 AM
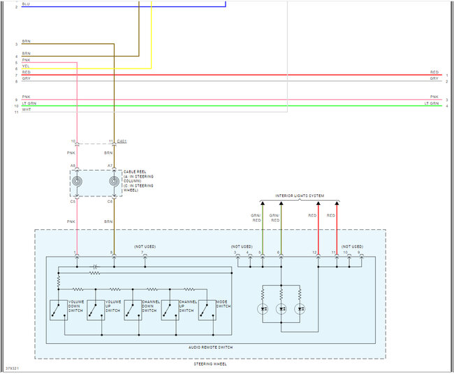
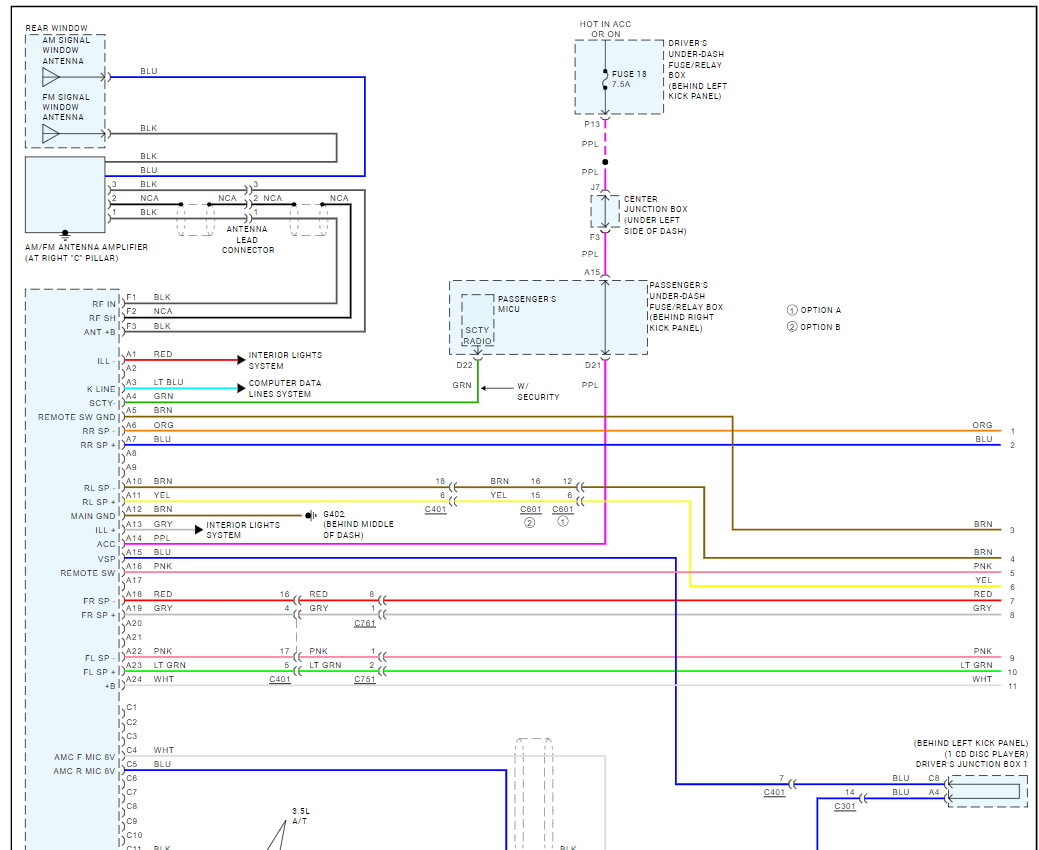
I'm trying to install a line out converter to the stock radio and want to know if I can just tap into one of the rear speakers or do I need to install it behind the head unit. I can't find a stereo wiring diagram for my 2012 Honda Accord and need help.








