Where is the fuse in c max for brake lights

Tiny
TOMMY MCGINLEY
  • MEMBER
  • 2012 FORD C-MAX
  • 27,000 MILES
Where is the fuse in c max for brake lights
Tuesday, April 9th, 2013 AT 8:16 PM

1 Reply

Tiny
KEN L
  • MASTER CERTIFIED MECHANIC
  • 55,094 POSTS
Hello,

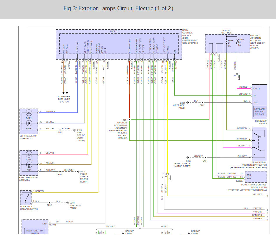
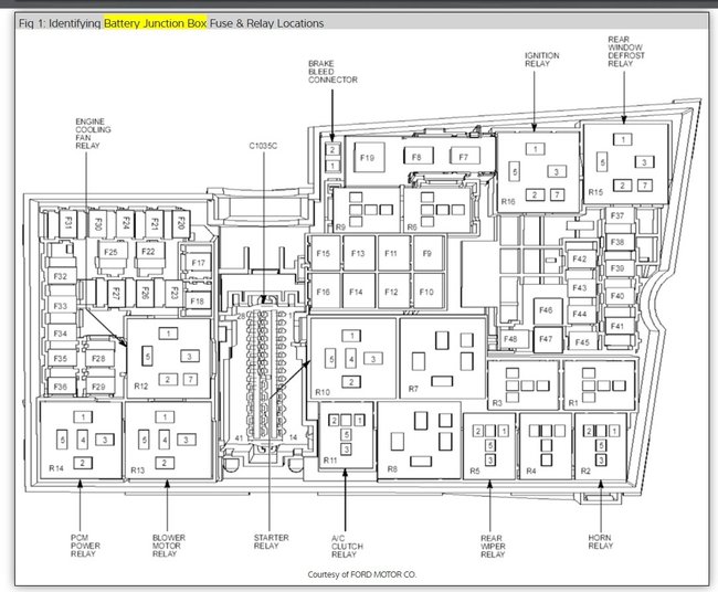
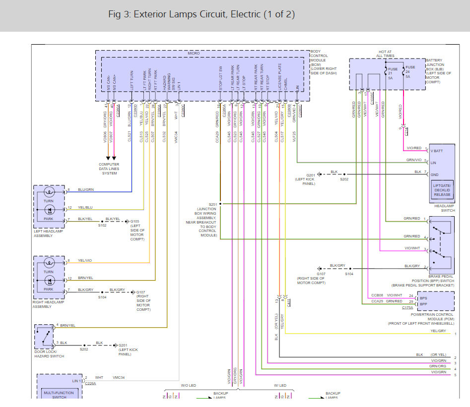
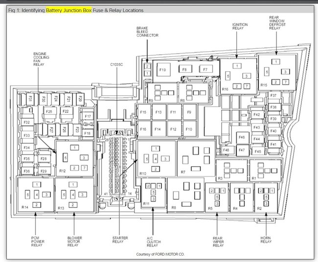
Here is a guide and some diagrams (below) to help you get the job done. You want to check fuse # 21 and 24.

https://www.2carpros.com/articles/how-to-check-a-car-fuse

Here are the fuse location and wiring diagrams so you can do some, testing.

Please let us know what happens.

Cheers, Ken
Was this
answer
helpful?
Yes
No
+5
Thursday, July 13th, 2017 AT 7:59 PM

Please login or register to post a reply.