Climate control not working

Tiny
BOBSGAMES
  • MEMBER
  • 2011 TOYOTA SEQUOIA
  • V8
  • RWD
  • AUTOMATIC
  • 22,000 MILES
AC will get stuck in certain modes and settings. For example, right now it is stuck at 70 degrees on low. I cannot alter the temp, fan speed, cannot turn on/off, cannot turn defroster on/off, cannot turn rear ac on. Sometimes when I restart the car (maybe even several days later) it will be responsive, like new again. Sometimes it gets frozen in the off position. Same thing as above. My wife had to pull over one day on a cold January day because the windows fogged up so much she could not see and could not get anything to work.

Don McGill Toyota at Katy freeway near Dairy Ashford has replaced the AC control panel and an amplifier on two separate occasions. After each replacement, the control panel worked for a week to 10 days. Now, it is not working again. They seemed perplexed, and I am getting irritated. Their "master" mechanic also had no answer. They seem content to replace parts without diagnosing the actual issue. Any ideas?
Monday, March 24th, 2014 AT 8:14 PM

7 Replies

Tiny
HMAC300
  • MECHANIC
  • 48,601 POSTS
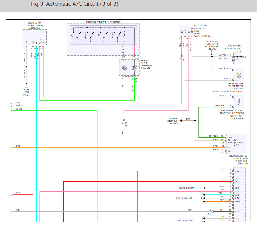
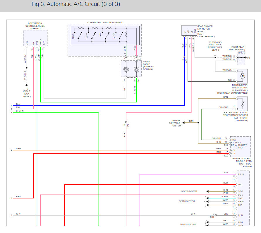
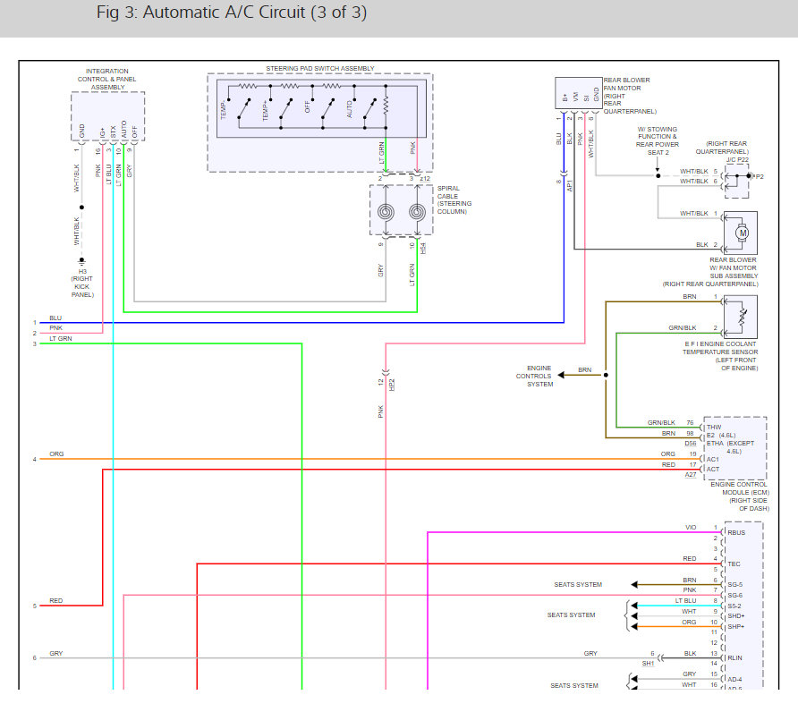
This sounds more like a bad ground or connection which is common. Here is a guide to help you check the wiring and the HVAC wiring diagrams below so you can see how the system works and which wires to test.

https://www.2carpros.com/articles/how-to-check-wiring

Check out the diagrams (Below). Please let us know what happens.
Was this
answer
helpful?
Yes
No
Tuesday, March 25th, 2014 AT 6:21 AM
Tiny
BOBSGAMES
  • MEMBER
  • 3 POSTS
Thank you for the response. Why would the battery be an issue? I did disconnect the batter cables last night and cleaned off some corrosion. I thought disconnecting power may reset the computers or something. All it did was reset the AC to the off position, and now I cannot turn anything on. The batter is three years old, but it seems to be working well - car turns over quickly with every start.

What/Where is the left kick panel?

Thanks again!

Bob.
Was this
answer
helpful?
Yes
No
-1
Tuesday, March 25th, 2014 AT 8:02 AM
Tiny
HMAC300
  • MECHANIC
  • 48,601 POSTS
Left kick panel is where your foot goes on the side take that off and there is wiring under it. Look for a black wire that is screwed into metal. The battery being low means it wold have low voltage and not having good voltage really screws these modules up. Look in your manual and see if there is anything about reseting your control panel otherwise it will need scanning.
Was this
answer
helpful?
Yes
No
Tuesday, March 25th, 2014 AT 9:30 AM
Tiny
BOBSGAMES
  • MEMBER
  • 3 POSTS
Thanks, Hmac. I will check out the wire and if that is not it, then I'll go ahead and replace the battery.
Was this
answer
helpful?
Yes
No
Tuesday, March 25th, 2014 AT 10:22 AM
Tiny
HMAC300
  • MECHANIC
  • 48,601 POSTS
Have the battery checked first autoparts and tire stores do for free don't replace parts that aren't needed. If you cable ends were corroded badly that would give an indication of a bad battery as well. Just looking at the symptioms int eh manual they list quite a few things but mostly amplifier is a biggie other than control which you said has been replaced a couple of time.S also c check the ECU-1G fuse which I've pointedout in pic. That may be why it's not coming on.
Was this
answer
helpful?
Yes
No
+2
Tuesday, March 25th, 2014 AT 12:15 PM
Tiny
ADAM ANDERSON
  • MEMBER
  • 1 POST
Check to make sure you do not have any buttons sticking on the rear control pannel. If buttons are stuck the front control pannel may not function.

I was having an issue with my AC stuck on 77 degrees. None of the buttons on the AC control pannel would work. I noticed that 2 of the buttons on the rear pannel were depressed. After removing and cleaning the rear pannel so the buttons worked properly the front pannel worked. I was able to replicate the problem by pressing and holding the Auto and Off buttons and the front pannel froze.
Was this
answer
helpful?
Yes
No
+48
Thursday, January 25th, 2018 AT 4:03 PM
Tiny
KEN L
  • MASTER CERTIFIED MECHANIC
  • 55,297 POSTS
Great addition to this thread! Please feel free to help out whenever you are on the site :)

Cheers, Ken
Was this
answer
helpful?
Yes
No
+1
Sunday, January 28th, 2018 AT 2:16 PM

Please login or register to post a reply.