No Communication

Tiny
USWJSR42
  • MEMBER
  • 2011 FORD FUSION
  • 15,000 MILES
Communication Issue. Emissions will not pass the vehicle due to communication error.
Wednesday, August 1st, 2012 AT 9:41 PM

7 Replies

Tiny
KASEKENNY
  • MECHANIC
  • 18,907 POSTS
This is most likely a wiring issue but we need to start with check the CAN bus voltage which will tell us if the bus network is functional. Here is a guide that will help with this:

https://www.2carpros.com/articles/can-scan-controller-area-network-easy

Then check the power at the DLC on pin 6 and 14 and let me know what it is.

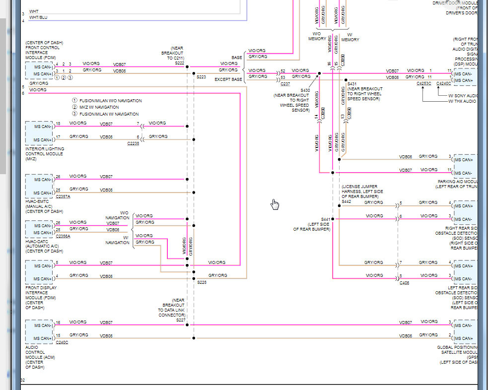
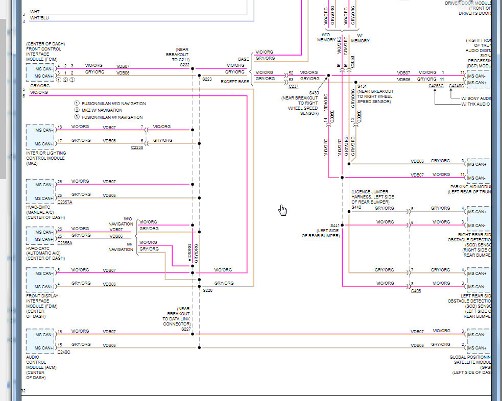
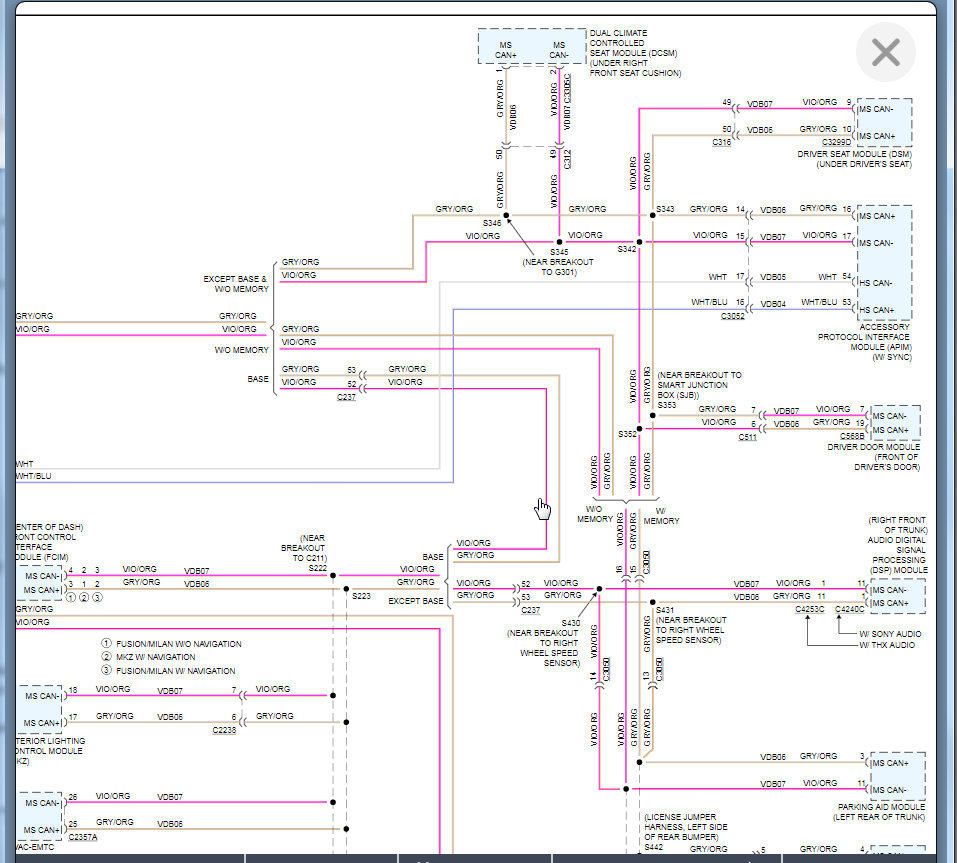
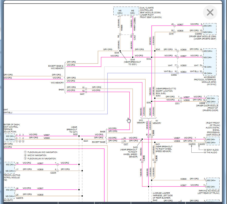
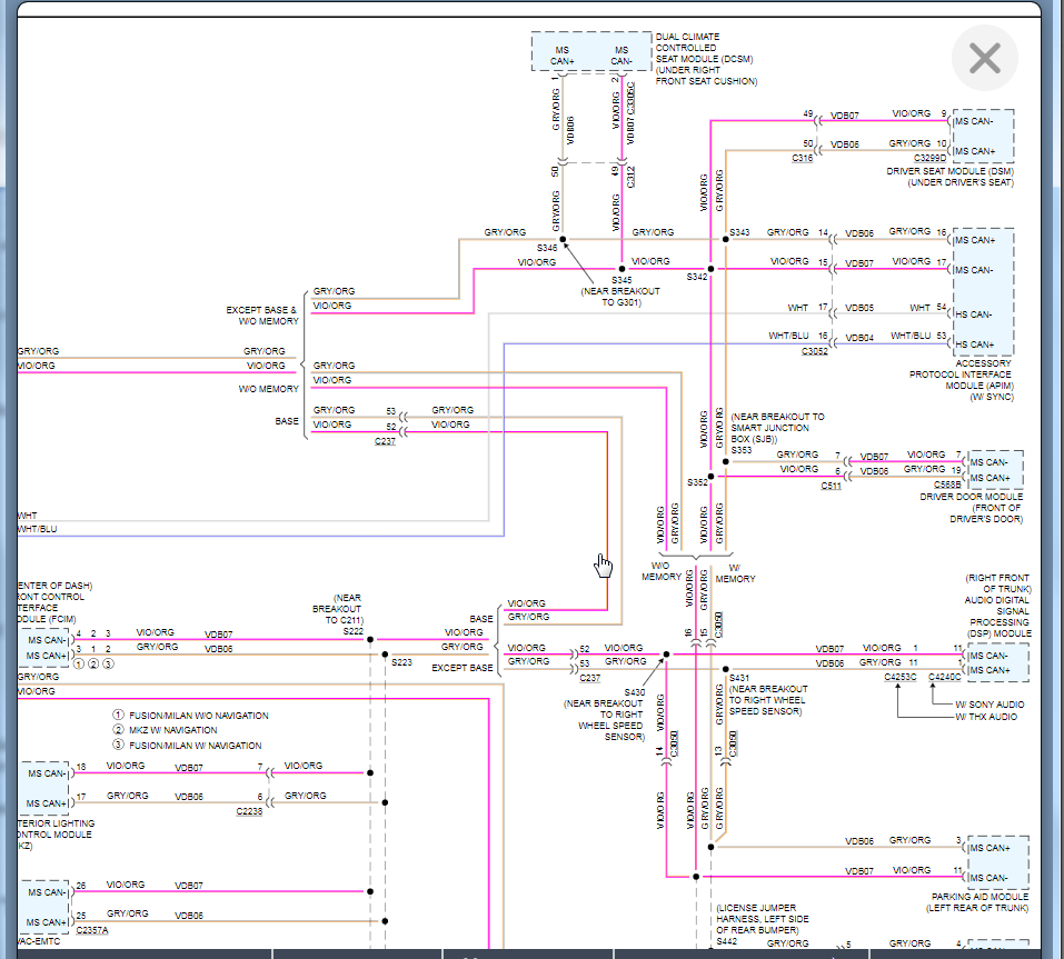
Below you will find a wiring diagram that will help with this.

Once we know what the voltage is we can go from there. However, the other likely cause of this is a failed ECM but you should have other codes to go with that so we need to check them as well.

https://www.2carpros.com/articles/checking-a-service-engine-soon-or-check-engine-light-on-or-flashing

Let me know what questions you have. Thanks
Was this
answer
helpful?
Yes
No
Saturday, February 20th, 2021 AT 12:55 PM
Tiny
STNBOWRY
  • MEMBER
  • 4 POSTS
  • 2007 FORD FUSION
  • 2.3L
  • 4 CYL
  • 2WD
  • AUTOMATIC
  • 88,000 MILES
Got a new computer that was program to the VIN number for my car, but when trying to program key it is saying no communication with PCM even with the Ford ids scanner anti-theft light keeps blinking rapidly.
Was this
answer
helpful?
Yes
No
+2
Sunday, February 21st, 2021 AT 6:02 PM (Merged)
Tiny
MHPAUTOS
  • MECHANIC
  • 31,937 POSTS
You need to have access to the Ford PATS site to do a key re program, you will need two keys from memory you need to get the PATS in and out codes from ford to access and re program keys, this will have to be done at a dealership.
Was this
answer
helpful?
Yes
No
Sunday, February 21st, 2021 AT 6:02 PM (Merged)
Tiny
STNBOWRY
  • MEMBER
  • 4 POSTS
I had someone from Ford come with a Ford IDS scanner and there was still no communication to the PCM and the anti-theft light flashes rapidly.
Was this
answer
helpful?
Yes
No
Sunday, February 21st, 2021 AT 6:02 PM (Merged)
Tiny
MHPAUTOS
  • MECHANIC
  • 31,937 POSTS
This has to be diagnosed with the IDS. I would be thinking the the PCM may be at fault but this can only be diagnosed with the Ford pin point test, the dealer will have this information. I do not understand why they have not done this test. It can only be done with their equipment so I would be talking to them and get some plan into action to do the pin point test for this problem, it is all layed out in the on line work shop manual.
Was this
answer
helpful?
Yes
No
-1
Sunday, February 21st, 2021 AT 6:02 PM (Merged)
Tiny
DMORE23
  • MEMBER
  • 1 POST
  • 2006 FORD FUSION
  • 2.3L
  • 4 CYL
  • 2WD
  • AUTOMATIC
  • 150,000 MILES
OBD 2 port has power but will not connect with scan tool.
Was this
answer
helpful?
Yes
No
+3
Sunday, February 21st, 2021 AT 6:02 PM (Merged)
Tiny
JACOBANDNICKOLAS
  • MECHANIC
  • 110,192 POSTS
Hi,

I am going to provide the directions for testing the DLC and network. If this checks good, then we will need to check the high-speed controller area network (CAN) system which is much more extensive.

These directions are for both no power to the tool (which you have) and no network communication.
_______________________________

2006 Ford Fusion L4-2.3L VIN Z
Test P: No Module/Network Communication
Vehicle Powertrain Management Computers and Control Systems Information Bus Testing and Inspection Pinpoint Tests Module Communications Network Pinpoint Tests Test P: No Module/Network Communication
TEST P: NO MODULE/NETWORK COMMUNICATION
PINPOINT TEST P: NO MODULE/NETWORK COMMUNICATION - NO POWER TO THE DIAGNOSTIC TOOL

P1-P4

See pic 1

Normal Operation
The diagnostic tool is connected to the data link connector (DLC) C251 to communicate with the high speed controller area network (CAN), and the medium speed CAN. If communication can not be established, the diagnostic tool and the DLC C251 must be checked for damage. If the diagnostic tool and the DLC C251 are OK, circuits SBP11 (BU/RD) must be checked for voltage and ground circuit GD116 (BK/VT) must be checked for an open condition.

Possible Causes
- DLC C251
- diagnostic tool
- circuit SBP11 (BU/RD) open or short to ground
- circuit GD116 (BK/VT) open circuit

_________________

Let me know if this helps and what you find.

Take care,
Joe
Was this
answer
helpful?
Yes
No
Sunday, February 21st, 2021 AT 6:02 PM (Merged)

Please login or register to post a reply.