Sunday, October 6th, 2013 AT 3:38 PM
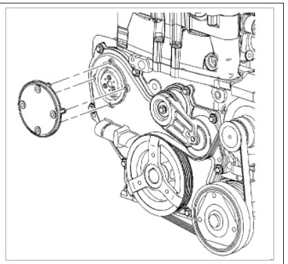
Help help help help help help Can anyone give me step by step instructions on how to change water pump on 2011 chevy malibu water pump is leaking on bottom pretty sure needs to be replaced if anyone knows plzzzz respond















