Sunday, January 6th, 2019 AT 6:20 PM
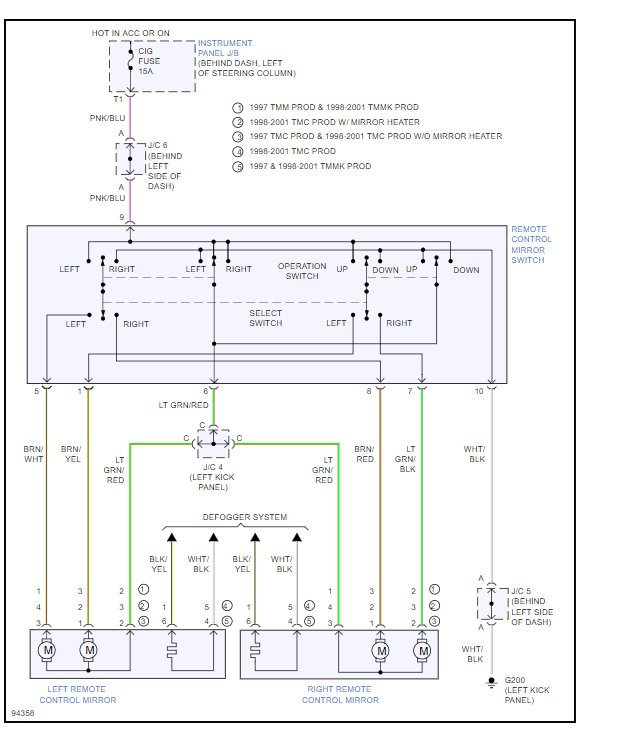
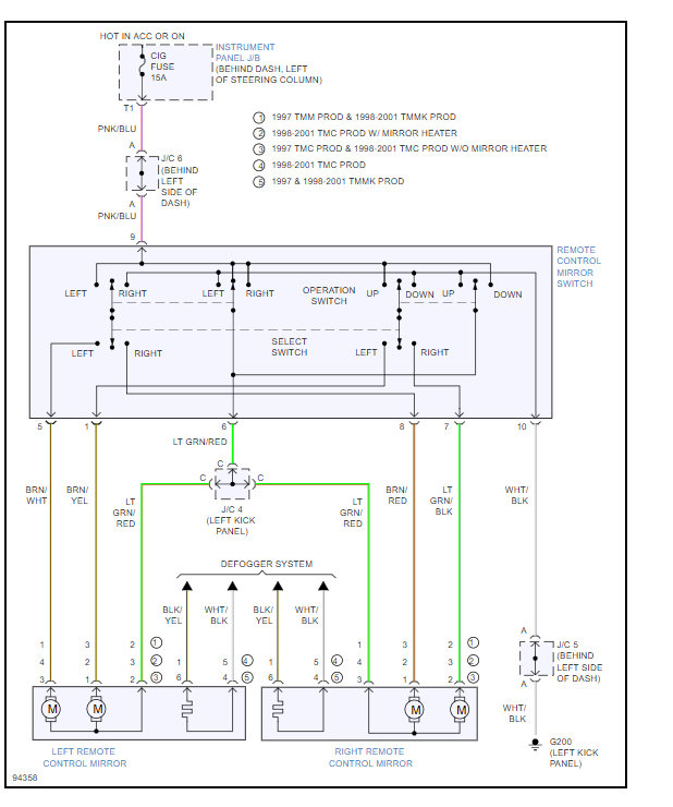
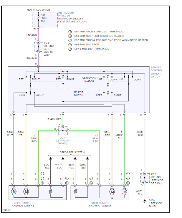
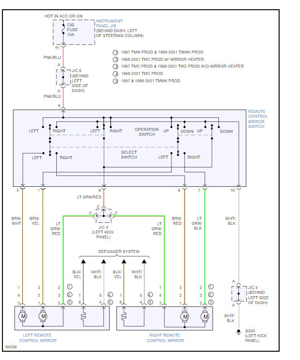
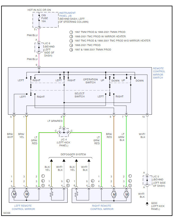
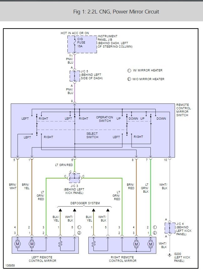
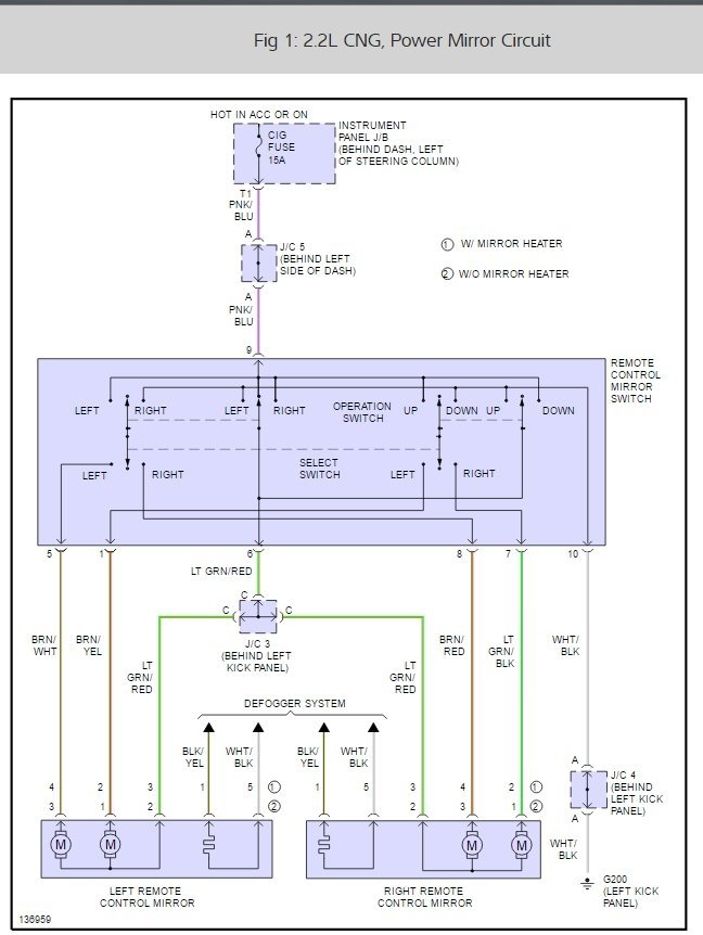
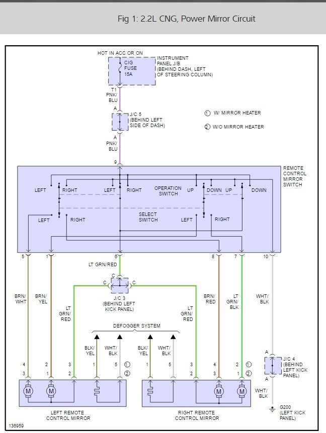
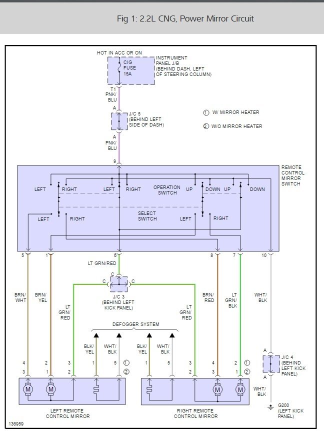
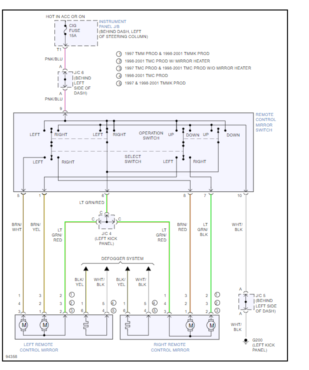
I have the car listed above XLE model, USA made. I need to get the wiring diagram for the left side power mirror non-heated. The car I got was damaged and the wiring harness was gone on the driver side. There is some loose colored wires in there and I tried hooking up the mirror and it seems like I got it to move in one direction but one I did trial and error I kept blowing fuses. I would appreciate anyone who could help with a wiring diagram so I could do it properly. Thank you in advance.





