Running lights not working

Tiny
CAULDERB
  • MEMBER
  • 2010 NISSAN ALTIMA
  • 39,850 MILES
I checked the fuses they seem to be okay what do you think is wrong?
Thursday, September 20th, 2012 AT 3:54 PM

8 Replies

Tiny
SATURNTECH9
  • MECHANIC
  • 30,869 POSTS
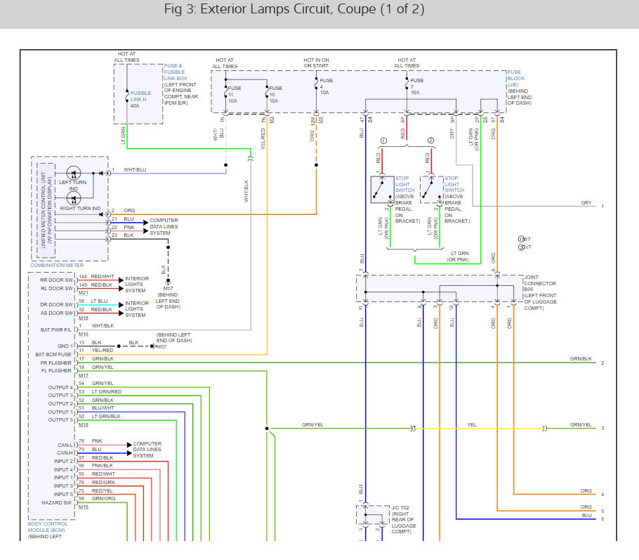
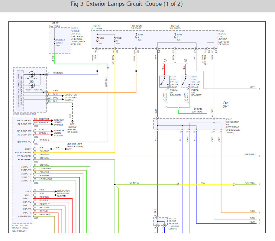
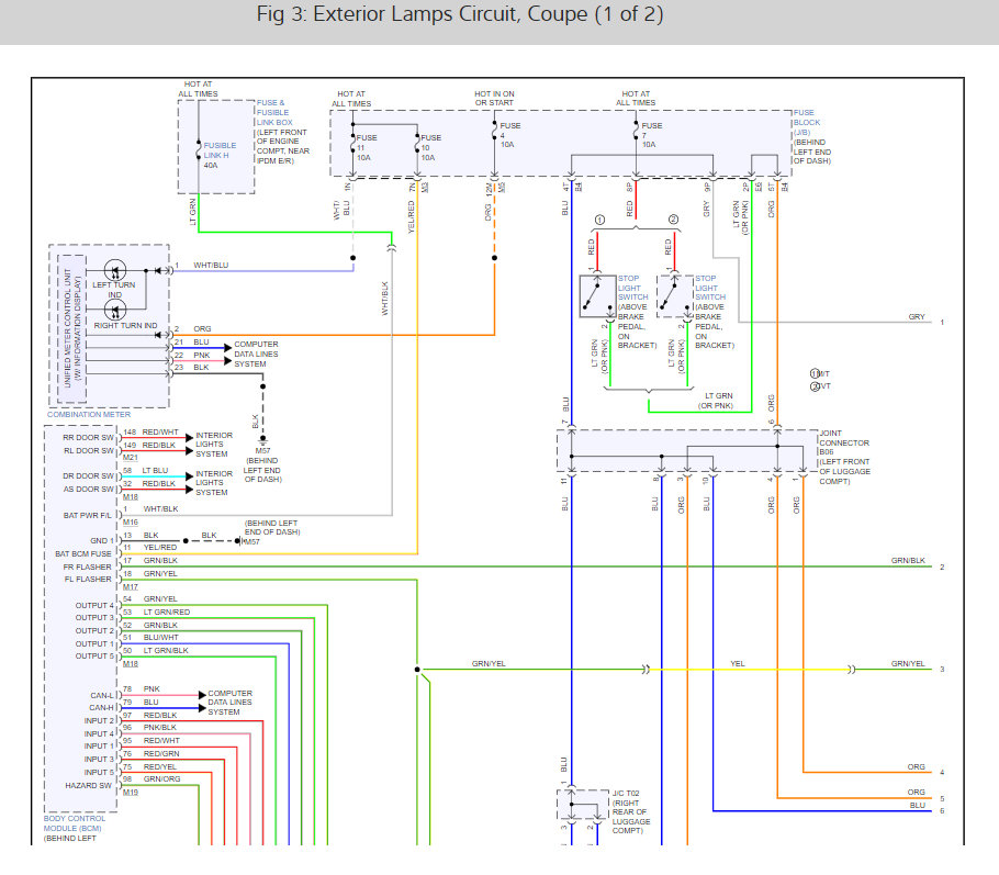
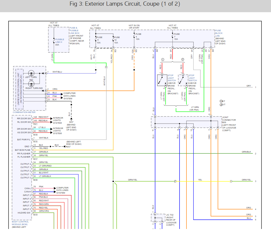
Check the fuse no.41 10 amp and the tail lamp relay it has to go through this guide and use the diagrams below to fix the problem.

https://www.2carpros.com/articles/how-to-check-an-electrical-relay-and-wiring-control-circuit

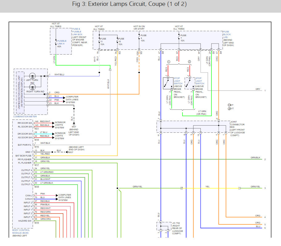
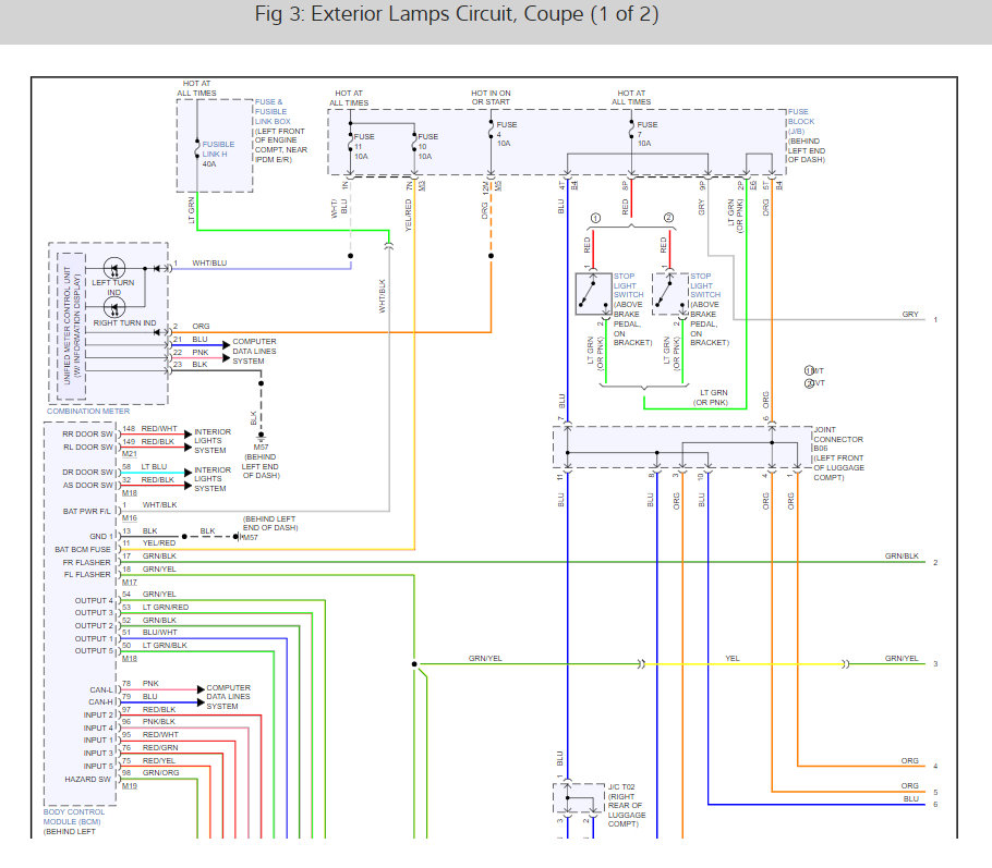
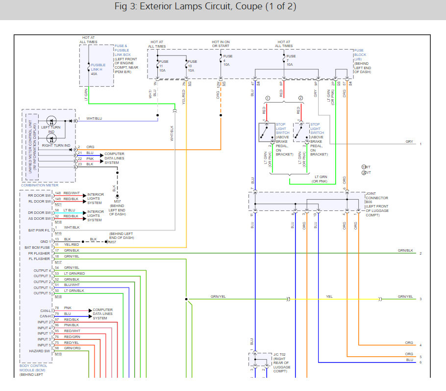
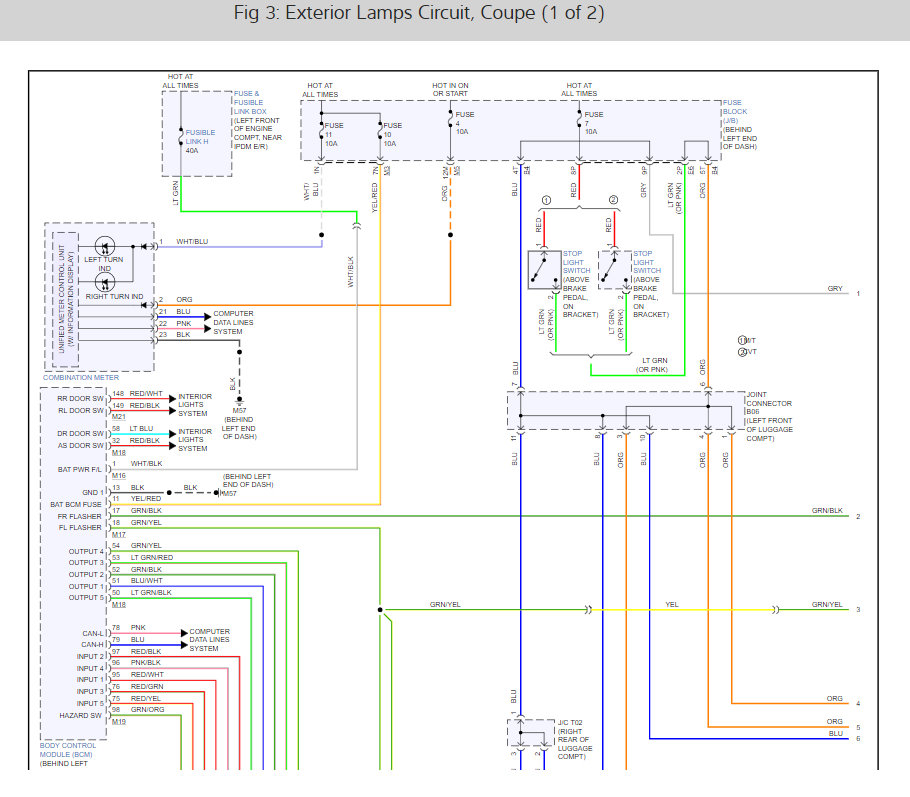
Here is the running light wiring diagrams so you can see how the system works. Check out the diagrams (Below). Please let us know what happens.
Was this
answer
helpful?
Yes
No
Thursday, September 20th, 2012 AT 4:02 PM
Tiny
CAULDERB
  • MEMBER
  • 2 POSTS
Yep, I had to get a new IPDM to fix it, the flasher was part of the unit.
Was this
answer
helpful?
Yes
No
Thursday, September 20th, 2012 AT 4:32 PM
Tiny
KHLOW2008
  • MECHANIC
  • 41,814 POSTS
Nice work, we are here to help, please use 2CarPros anytime.
Was this
answer
helpful?
Yes
No
Thursday, September 20th, 2012 AT 7:10 PM
Tiny
STEPH BOTELLO
  • MEMBER
  • 3 POSTS
  • 2006 NISSAN ALTIMA
When I turn my light on at night my tail lights will not turn. Break lights will work and all other lights and signals work. Just not the running tail lights?
Was this
answer
helpful?
Yes
No
+4
Saturday, June 6th, 2020 AT 12:04 PM (Merged)
Tiny
RASMATAZ
  • MECHANIC
  • 75,992 POSTS
Check the fuse no.41 10amp and the tail lamp relay it has to go thru this 2 to get to the back-see below


https://www.2carpros.com/forum/automotive_pictures/12900_tail_3.jpg

Was this
answer
helpful?
Yes
No
+3
Saturday, June 6th, 2020 AT 12:04 PM (Merged)
Tiny
KBONNER15
  • MEMBER
  • 2 POSTS
  • 2005 NISSAN ALTIMA
My tail lights do not work. My blinkers and brake lights work but not my tail lights. Also my interior lights around my ac knobs do not come on as well as my radio has no light either. My radio is not the stock radio but everything worked just fine until a few days ago. I have already tried changing some of the 10A and 15A fuses in the interior panel and all of them in the engine panel.
Was this
answer
helpful?
Yes
No
Saturday, June 6th, 2020 AT 12:04 PM (Merged)
Tiny
SATURNTECH9
  • MECHANIC
  • 30,869 POSTS
See if your parking light fuse is blown?
Was this
answer
helpful?
Yes
No
+3
Saturday, June 6th, 2020 AT 12:04 PM (Merged)
Tiny
KBONNER15
  • MEMBER
  • 2 POSTS
I don't know which fuse that is. My user guide doesn't have a fuse listing and it's not specified on the chart inside the panel.
Was this
answer
helpful?
Yes
No
-2
Saturday, June 6th, 2020 AT 12:04 PM (Merged)

Please login or register to post a reply.