Low beams not working

Tiny
SATURNTECH9
  • MECHANIC
  • 30,869 POSTS
Circuit's like that get power thru what's called sneak circuit's you can look at the wire diagram and it doesn't look like it would get power from the other circuit but they do.
Was this
answer
helpful?
Yes
No
Thursday, August 8th, 2019 AT 2:35 PM (Merged)
Tiny
BELLACOLES
  • MEMBER
  • 1 POST
  • 2007 HYUNDAI ACCENT
  • 1.3L
  • 3 CYL
  • FWD
  • MANUAL
  • 96,556 MILES
I got in my car to drive home from work at midnight last night, only to realize I had no headlights, only parking lights. If I pulled the switch back to flash my high beams, it would work but that is it. I checked all the fuses and bulbs and all is fine. Has someone had a similar issue? It is the Getz model.
Was this
answer
helpful?
Yes
No
Thursday, August 8th, 2019 AT 2:36 PM (Merged)
Tiny
KEN L
  • MASTER CERTIFIED MECHANIC
  • 55,350 POSTS
Hello,

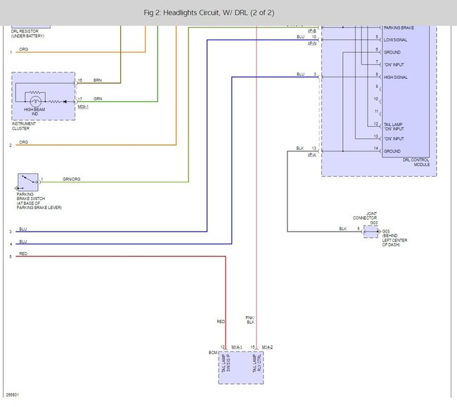
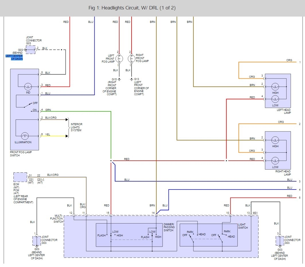
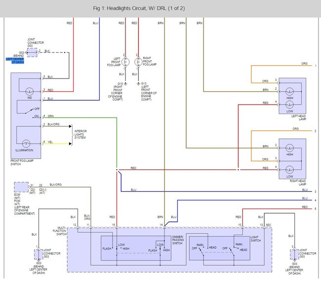
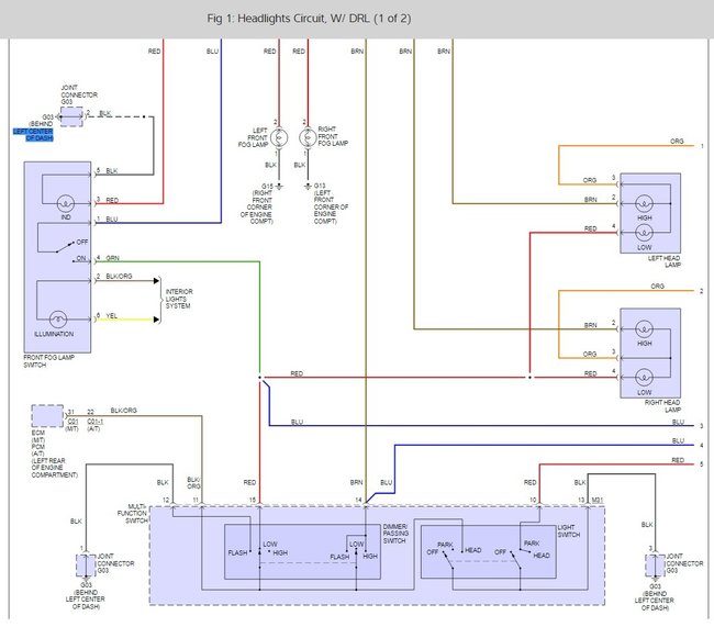
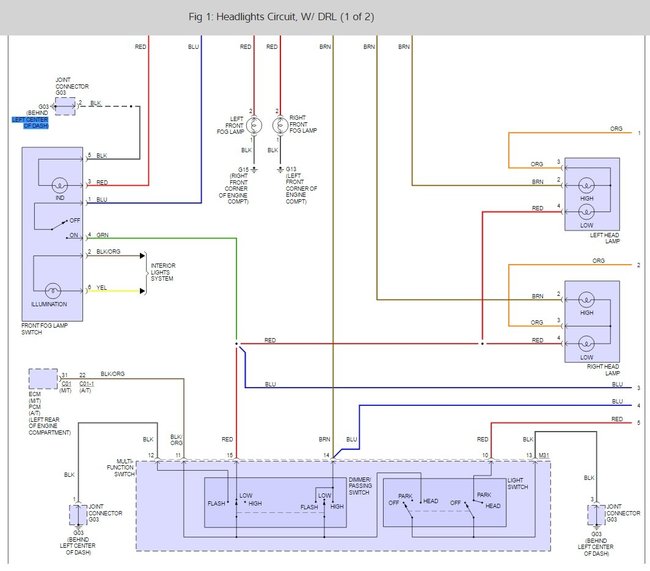
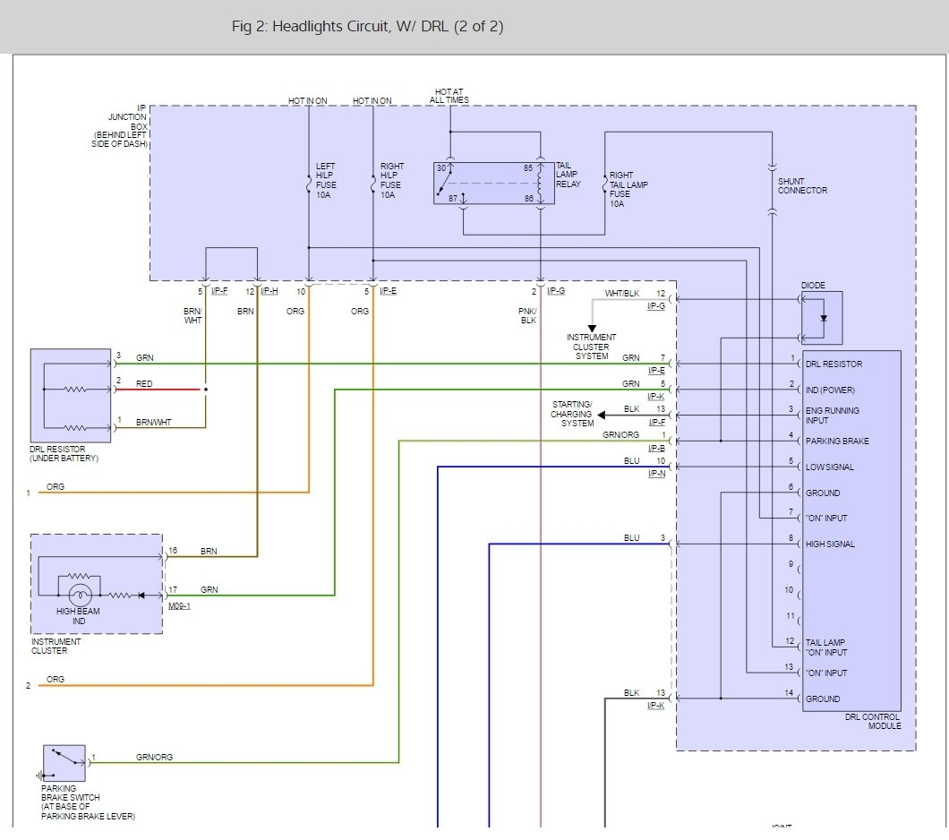
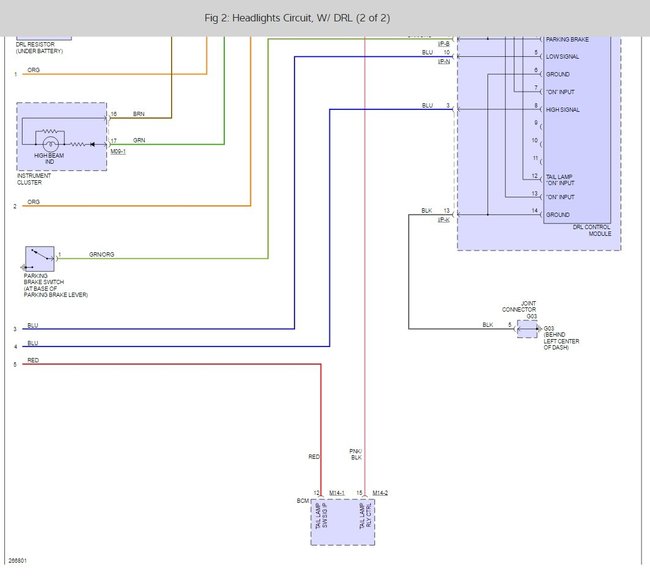
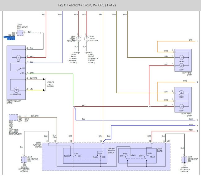
There is a taillight relay that controls power to the headlight, also the main switch could have failed. here is a wiring diagram and a couple guides to help you get the problem fixed. Check for power coming out of the switch, red wire.

https://www.2carpros.com/articles/how-to-use-a-test-light-circuit-tester

and

https://www.2carpros.com/articles/how-to-check-an-electrical-relay-and-wiring-control-circuit

Please run some tests and get back to us so we can continue helping you.

Best, Ken

Was this
answer
helpful?
Yes
No
Thursday, August 8th, 2019 AT 2:36 PM (Merged)
Tiny
FEEDIDDY
  • MEMBER
  • 1 POST
  • 2001 HYUNDAI ACCENT
I have a 2001 hyundai accent and my headlights continue to go out at the same time.
They come back on the next day.
My highbeams and all other lights work.
It is definitely not a fuse. Any ideas on what it could be?
Was this
answer
helpful?
Yes
No
Thursday, August 8th, 2019 AT 2:36 PM (Merged)
Tiny
JACOBANDNICKOLAS
  • MECHANIC
  • 110,192 POSTS
Chances are the multi function switch (high beam switch) is going bad. That is the first thing I would check.
Was this
answer
helpful?
Yes
No
Thursday, August 8th, 2019 AT 2:36 PM (Merged)

Please login or register to post a reply.