I need a new brake Master.

Tiny
DOUG0099
  • MEMBER
  • 2010 CHRYSLER TOWN AND COUNTRY
  • 6 CYL
  • 2WD
  • AUTOMATIC
  • 35,000 MILES
I have had four brake repairs in five years I do leave my car sitting for 4 months during the winter they tell me I need to drive the car more I'm not here to do this I have had other cars and this has not happened. Now the brakes go to the floor I need a new brake master.
Monday, May 18th, 2015 AT 2:36 PM

1 Reply

Tiny
JACOBANDNICKOLAS
  • MECHANIC
  • 110,176 POSTS
Hi,

If the brake pedal goes to the floor, first make sure there are no hydraulic leaks in the brake system. Make sure the brake fluid reservoir is full. If it is, chances are the brake master cylinder is bad.

Take a look through this link:

https://www.2carpros.com/articles/brake-pedal-goes-to-the-floor

If you find the master cylinder is bad, replacing it isn't too hard of a job. When you get the replacement part, make sure it has a lifetime warranty. That way, you'll never have to pay for it again.

First, here is a link that shows how in general one is replaced. You can use this as a guide.

https://www.2carpros.com/articles/how-to-replace-a-brake-master-cylinder

The new brake master cylinder will need bench bled before install. Here is a video that shows how that is done:

https://youtu.be/WDxvEQrMkBg

Here are directions specific to your vehicle. The attached pics below correlate with the directions.

_______________________________

2010 Chrysler Truck Town & Country V6-3.3L Flex Fuel
Brake Master Cylinder - Removal
Vehicle Brakes and Traction Control Hydraulic System Brake Master Cylinder Service and Repair Removal and Replacement Brake Master Cylinder - Removal
BRAKE MASTER CYLINDER - REMOVAL
MASTER CYLINDER

CAUTION: Vacuum in power brake booster must be pumped down (removed) before removing master cylinder from power brake booster. This is necessary to prevent power brake booster from sucking in any contamination as master cylinder is removed. This can be done simply by pumping brake pedal, with vehicle's engine not running, until a firm feeling brake pedal is achieved.
1. With engine not running, pump brake pedal until a firm pedal is achieved (4-5 strokes).
2. Disconnect negative battery cable from battery post and isolate.
3. Thoroughly clean all surfaces of brake fluid reservoir and master cylinder. Use only MoparĀ Brake Parts Cleaner or equivalent.

pic 1

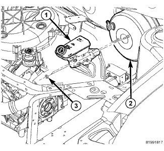
4. Disconnect wiring harness connector (2) from brake fluid level switch (1) in master cylinder brake fluid reservoir.

pic 2

5. Disconnect primary (2) and secondary (3) brake tubes from master cylinder (1). Install sealing plugs in open brake tube outlet ports.

CAUTION: Before removing master cylinder from power brake vacuum booster, master cylinder and vacuum booster must be thoroughly cleaned. This must be done to prevent dirt particles from falling into power brake vacuum booster.

pic 3

6. Clean area where master cylinder (1) attaches to power brake booster (2). Use only MoparĀ Brake Parts Cleaner or equivalent.
7. Remove two nuts (3) attaching master cylinder to power brake booster.
8. Slide master cylinder (1) straight out of power brake booster (2) and remove.

9. If the master cylinder needs to be disassembled, (Refer to 05 - Brakes/Hydraulic/Mechanical/MASTER CYLINDER, Brake - Disassembly) .

__________________

Install
Change Vehicle Bookmarks Library Request Conversion Calculator Technician's Reference - Collision
brake master cylinder
41
Community Create Quote
2010 Chrysler Truck Town & Country V6-3.3L Flex Fuel
Brake Master Cylinder - Installation
Vehicle Brakes and Traction Control Hydraulic System Brake Master Cylinder Service and Repair Removal and Replacement Brake Master Cylinder - Installation
BRAKE MASTER CYLINDER - INSTALLATION
MASTER CYLINDER

NOTE: The master cylinder must be bled before installing it on the vehicle.

pic 4

1. Bench bleed the master cylinder. (Refer to 05 - Brakes/Hydraulic/Mechanical/MASTER CYLINDER, Brake - Standard Procedure)
2. Wipe the face of the power brake booster clean where the vacuum seal on the rear of the master cylinder comes in contact when it's installed. Do not get any cleaner or debris inside the booster.

CAUTION: When installing a master cylinder on the vehicle, a NEW vacuum seal (2) MUST be installed on the master cylinder mounting flange (1).
3. If the master cylinder does not have a new vacuum seal (2) on the mounting flange (1), remove it. Install a NEW vacuum seal on the master cylinder mounting flange making sure the seal fits squarely in its groove.

pic 5

4. Position master cylinder (1) on studs of power brake booster (2), aligning booster push rod with master cylinder piston.
5. Install two master cylinder mounting nuts (3). Tighten both mounting nuts to 25 NĀ m (19 ft. lbs.).

pic 6

CAUTION: When tightening primary and secondary brake tube nuts at master cylinder, be sure brake tubes do not contact any other components within vehicle and that there is slack in flexible sections of tubes. This is required due to movement between ABS ICU and master cylinder while vehicle is in motion.
6. Thread primary (2) and secondary (3) brake tubes into master cylinder primary and secondary ports. Brake tubes must be held securely when tightened to control orientation of flex section. Tighten tube nuts to 14 NĀ m (120 in. lbs.).

pic 7

7. Connect wiring harness connector (2) to brake fluid level switch (1) mounted in brake fluid reservoir.
8. Connect negative battery cable to battery post.
9. Fill the master cylinder reservoir to the proper level.

WARNING: Be certain a firm brake pedal is achieved prior to attempting to operate the vehicle. If a firm brake pedal cannot be achieved, bleed the brake hydraulic system and check for leaks. (Refer to 05 - Brakes - Standard Procedure)
10. Road test the vehicle to ensure proper operation of the brakes.

_______________________________________

I hope this helps. Let me know if you have other questions.

Take care and God Bless,

Joe
Was this
answer
helpful?
Yes
No
Friday, March 12th, 2021 AT 10:27 PM

Please login or register to post a reply.