Blower motor not working

Tiny
RAYJC72
  • MEMBER
  • 2010 CHRYSLER SEBRING
  • 77,000 MILES
Blower motor keeps going off randomly.I changed blower motor but still does the same thing what should I do and can it be the resistor and where is the resistor located also fan speed dial doesn't work on all speeds?
Sunday, September 22nd, 2013 AT 11:12 AM

15 Replies

Tiny
HMAC300
  • MECHANIC
  • 48,601 POSTS
Hello,

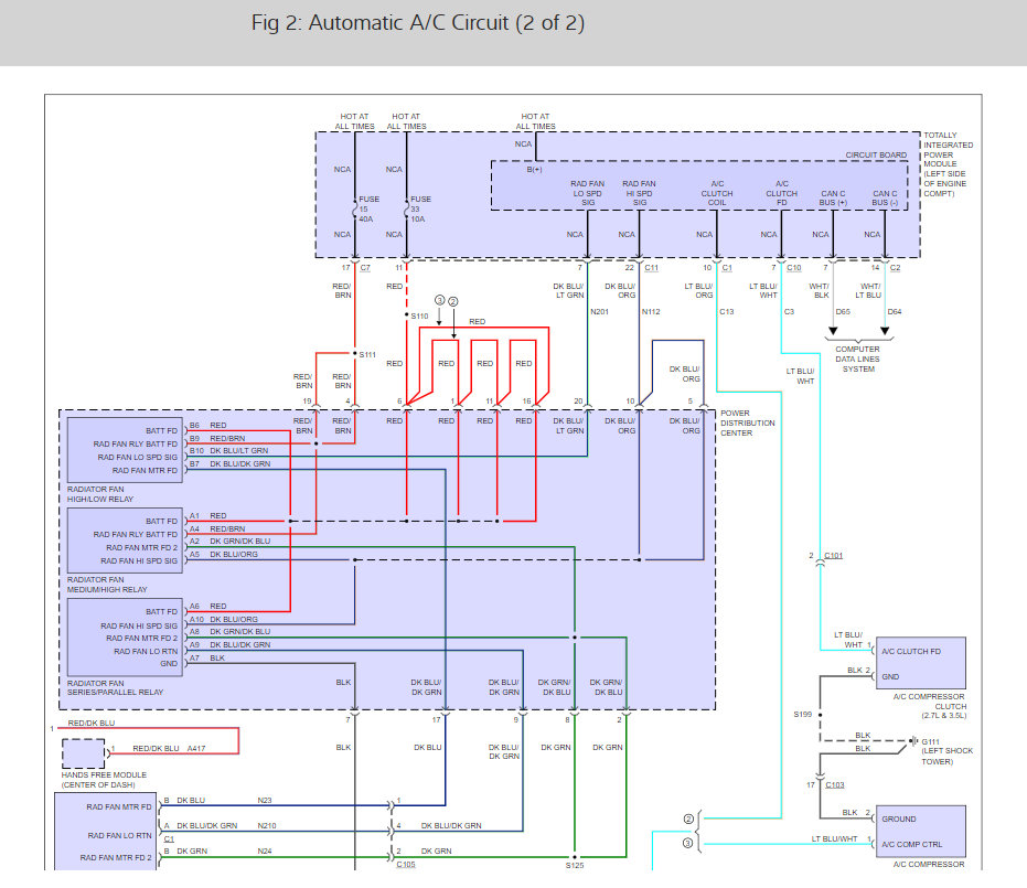
It sounds like the blower motor power resistor has gone out but to be sure here are the wiring diagrams (below) so you can see how the system works and a guide to check for power.

https://www.2carpros.com/articles/blower-fan-motor-works-on-high-speed-only

Check out the diagrams (Below). Please let us know what you find. We are interested to see what it is.
Was this
answer
helpful?
Yes
No
-1
Sunday, September 22nd, 2013 AT 11:38 AM
Tiny
BOOPERIII
  • MEMBER
  • 1 POST
Thanks for this psot I had this problem and had to get a new power resistor cost me $78.00 FYI
Was this
answer
helpful?
Yes
No
Tuesday, March 12th, 2019 AT 1:46 PM
Tiny
CONVERTIBLELADY
  • MEMBER
  • 2 POSTS
  • 2006 CHRYSLER SEBRING
  • 6 CYL
  • FWD
  • AUTOMATIC
  • 35,000 MILES
I have a limited 2006 sebring convertible. I had it ideling one day and the blower quit on it, I checked the fuse that was fine, checked the wiring on the blower that seemed fine and tried to get it to come on by wiggling wire as close to the fan control as I could get but it didn't, when I closed the glove compartment to put the manual away it started again, but we changed the blower the same day and shortly after installing it, it stopped briefly and hasn't now that I know of for about 500 miles and now it did again and when I switched between speeds it hestiated. It is still is working most all of the time, but I live in ND. And I need it to work all the time. I see a lot of Sebrings have had the resistor go bad but I lost all speeds not just 1, 2 & 3 when mine quit. So if someone out there with a 2006 with the same problem and found a solution, I sure could use some help, I ordered a resistor as it doesn't cost much, but maybe I need a climate control.
Thanks for any help you can give me.
Was this
answer
helpful?
Yes
No
+1
Wednesday, March 13th, 2019 AT 10:06 AM (Merged)
Tiny
JACOBANDNICKOLAS
  • MECHANIC
  • 110,194 POSTS
When it doesn't work, have you been able to check for power to the blower motor? Also, it could be the resister, but usually you still have the high setting work. Try it and see if that helps. THere is also a blower motor relay that could be bad. If you look under the hood, you will find a power distribution center. IT will have relays in it that are identified on the cover. IF there is another relay with the same part number, switch it with the blower motor relay and see if that takes care of the problem.

Let me know what you find, and thanks for using 2carpros. Com.

Joe
Was this
answer
helpful?
Yes
No
+1
Wednesday, March 13th, 2019 AT 10:06 AM (Merged)
Tiny
CONVERTIBLELADY
  • MEMBER
  • 2 POSTS
I will try that if it quits altogether, but at this point it hasn't quit for any length of time since the first time.
Was this
answer
helpful?
Yes
No
Wednesday, March 13th, 2019 AT 10:06 AM (Merged)
Tiny
JACOBANDNICKOLAS
  • MECHANIC
  • 110,194 POSTS
Sometimes that is what a relay will do. Let me know what you find.

Joe
Was this
answer
helpful?
Yes
No
Wednesday, March 13th, 2019 AT 10:06 AM (Merged)
Tiny
TAYOVERCASHIER
  • MEMBER
  • 1 POST
  • 2001 CHRYSLER SEBRING
  • 4 CYL
  • 2WD
  • AUTOMATIC
  • 170,000 MILES
The blower for my heat just stopped. It was randomly going and stopping for about a week. Then it just stopped. I am getting heat through the vents when I drive (assuming its heat from the engines). It isn't even blowing when it is on any setting. Neither low or high. I don't know if it could be the motor or the fuse. My car is a 2001 Chrystler Sebring Convertable. I believe it to be a 4 cylinder. What could it be?
Was this
answer
helpful?
Yes
No
Wednesday, March 13th, 2019 AT 10:07 AM (Merged)
Tiny
JDL
  • MECHANIC
  • 16,098 POSTS
I'd have to check voltage and ground at the blower motor with key and hvac turned on. If good voltage and ground with no blower action, suspect the blower motor.
Was this
answer
helpful?
Yes
No
Wednesday, March 13th, 2019 AT 10:07 AM (Merged)
Tiny
JDL
  • MECHANIC
  • 16,098 POSTS
To add, check the fuses in the diagram for voltage.
Was this
answer
helpful?
Yes
No
Wednesday, March 13th, 2019 AT 10:07 AM (Merged)
Tiny
JUNOPECK
  • MEMBER
  • 1 POST
  • 2001 CHRYSLER SEBRING
  • 6 CYL
  • 2WD
  • AUTOMATIC
  • 80,000 MILES
I have three potential electrical issues that may or may not be connected. The first is that my fan blower does not work at the lowest setting. The second is that my "check oil" light flickers on and off when braking or idling, but goes off the second I accelerate. The third is that my radio cuts off occasionally, at similar times as the "check oil" light flickers. Help and thank you!
Was this
answer
helpful?
Yes
No
Wednesday, March 13th, 2019 AT 10:07 AM (Merged)
Tiny
ZACKMAN
  • MECHANIC
  • 4,202 POSTS
2. Radio. Possible internal radio problem. You may want to remove the unit and check the electrical connectors in the back of the unit. Or if you don't have any sentimental value of the radio, I would just replace it with an aftermarket radio.
Was this
answer
helpful?
Yes
No
Wednesday, March 13th, 2019 AT 10:07 AM (Merged)
Tiny
JAMESV
  • MEMBER
  • 1 POST
  • 2004 CHRYSLER SEBRING
I have a 2004 Chrysler sebrine the fan quit working but only blows on high
Was this
answer
helpful?
Yes
No
Wednesday, March 13th, 2019 AT 10:07 AM (Merged)
Tiny
WRENCHTECH
  • MECHANIC
  • 20,761 POSTS
That is usually a bad blower motor resister. It's located next to the blower motor, under the dash on the passenger side.
Was this
answer
helpful?
Yes
No
Wednesday, March 13th, 2019 AT 10:07 AM (Merged)
Tiny
STRINGMAN
  • MEMBER
  • 1 POST
  • 2002 CHRYSLER SEBRING
  • 6 CYL
  • FWD
  • MANUAL
  • 125,464 MILES
I can't get any heat from my heater. Blower works fine but no heat. What could be causing this?
Was this
answer
helpful?
Yes
No
Wednesday, March 13th, 2019 AT 10:07 AM (Merged)
Tiny
JACOBANDNICKOLAS
  • MECHANIC
  • 110,194 POSTS
Is the coolant full in the cooling system? Also, with the engine hot and running and the heater on high, do both heater core hoses get hot?
Was this
answer
helpful?
Yes
No
Wednesday, March 13th, 2019 AT 10:07 AM (Merged)

Please login or register to post a reply.