Monday, October 19th, 2015 AT 6:23 PM
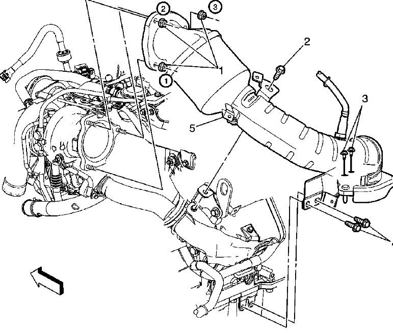
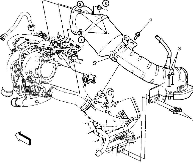
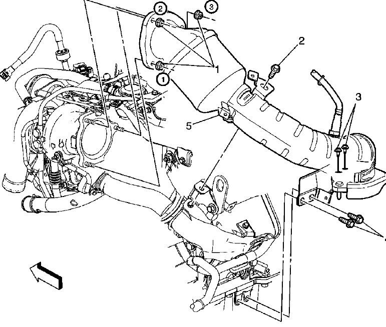
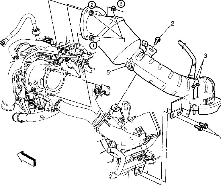
I'm getting a code p0430 saying catalytic converter is bad Ihave three converters I need to know swtich one is bad and where is it front, back or under car every mechanic is telleing me something derffence which converter on this car set this code thanks



