One headlight doesn't work

Tiny
17MIKE
  • MEMBER
  • 2009 PONTIAC TORRENT
  • 6 CYL
  • 2WD
  • AUTOMATIC
  • 170,000 MILES
One of my headlights does not work. The high beam seems to work. Cannot figure out the problem
Saturday, April 5th, 2014 AT 10:45 AM

2 Replies

Tiny
OBXAUTOMEDIC
  • MECHANIC
  • 3,711 POSTS
Hello,

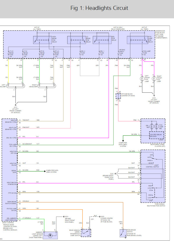
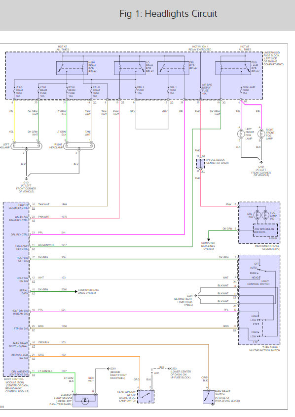
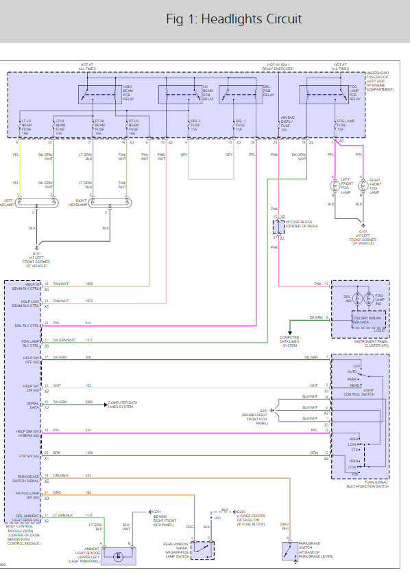
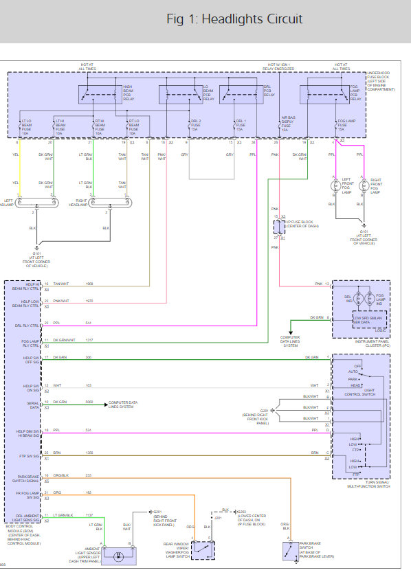
I would start by checking the headlight fuses because each headlight has its own fuse for high and low beam.

Here is a guide to help you get started.

https://www.2carpros.com/articles/how-to-check-a-car-fuse

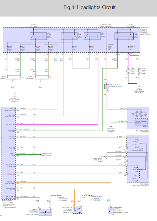
Here are the headlight wiring diagrams so you can see how the system works.

Check out the diagrams (Below)

Please run some tests and get back to us.

Cheers
Was this
answer
helpful?
Yes
No
Sunday, April 6th, 2014 AT 6:46 AM
Tiny
17MIKE
  • MEMBER
  • 1 POST
It was the fuse nice work I didn't think it had separate fuses. Learn something new everyday. I love this site.
Was this
answer
helpful?
Yes
No
Wednesday, April 16th, 2014 AT 6:06 AM

Please login or register to post a reply.