Overheating, radiator Fans do not turn on when I turn on the A/C?

Tiny
J3SUS777
  • MEMBER
  • 2009 KIA SEDONA
  • 3.8L
  • 6 CYL
  • 2WD
  • AUTOMATIC
  • 190,150 MILES
Also, A/C does not blow cold air. Id at the A/C compressor and it doesn't even engage. I am thinking it might be the engine cooling fan module. But will the A/C compressor not engage if the engine cooling fan module is faulty? Can I please get a fuse diagram to any fuses or relays for the cooling fans? Please share any knowledge from similar cases related to this type of vehicle. Thank you and God bless.

There's enough coolant in the reservoir, and the water pump if working fine. But for sure the radiator fans are not turning on. I replaced the radiator fan on the passenger side about 2 years ago. So at least that one would have to be working. But neither of the two works. I can wait to hear back and see the relay/fuse diagram for the radiator cooling fans.
Friday, September 23rd, 2022 AT 11:12 PM

4 Replies

Tiny
KEN L
  • MASTER CERTIFIED MECHANIC
  • 55,420 POSTS
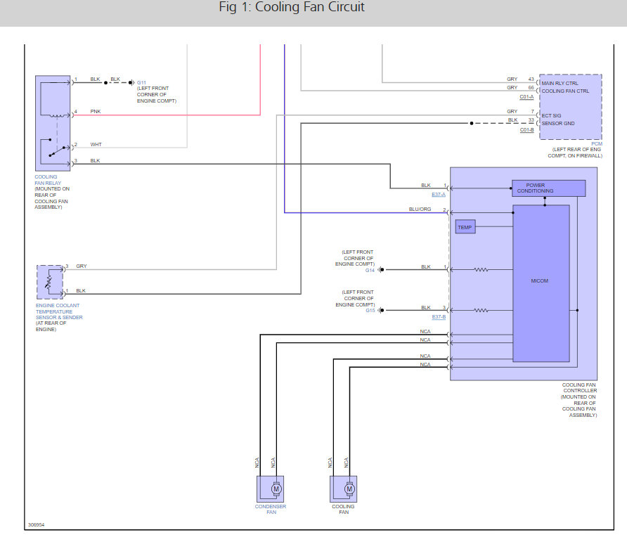
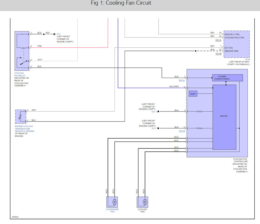
Thanks for the images. Here are the cooling fan wiring diagrams so you can see which fuses run the system and how the fans work. There is a cooling fan relay that has gone out. here is the fuse and relay locations as well.

https://www.2carpros.com/articles/how-to-check-a-car-fuse

Check out the images (below). Please let us know what happens.
Was this
answer
helpful?
Yes
No
Saturday, September 24th, 2022 AT 9:56 AM
Tiny
J3SUS777
  • MEMBER
  • 11 POSTS
Thank you so much for getting back to me. The problem was one of the pigtails to the fan module was not clipping on to the module male connector due to heat erosion. It's a single wire pigtail. For right now I put black tape. But I will need to replace that ground pigtail. Some say it's not a ground. It's a 12vdc pigtail. Thank you for your help.
Was this
answer
helpful?
Yes
No
Saturday, September 24th, 2022 AT 4:25 PM
Tiny
J3SUS777
  • MEMBER
  • 11 POSTS
This is the pigtail I need. Can't seem to find it nowhere except here, but it's ridiculously overpriced. It's a single wire pigtail. Would you happen to know where to buy it at a fair price? Pigtails go from anywhere from 10 to 20 dollars.
Was this
answer
helpful?
Yes
No
Saturday, September 24th, 2022 AT 11:10 PM
Tiny
KEN L
  • MASTER CERTIFIED MECHANIC
  • 55,420 POSTS
I would not buy that one. It doesn't seem to have a wire or terminal, but I might be wrong. I would hop down to the location of the auto wrecker and clip one from a simpler car. Also, is there room to solder a wire to the module? Can you upload a pic so I can see?
Was this
answer
helpful?
Yes
No
Sunday, September 25th, 2022 AT 12:42 PM

Please login or register to post a reply.