Monday, October 22nd, 2012 AT 6:21 PM
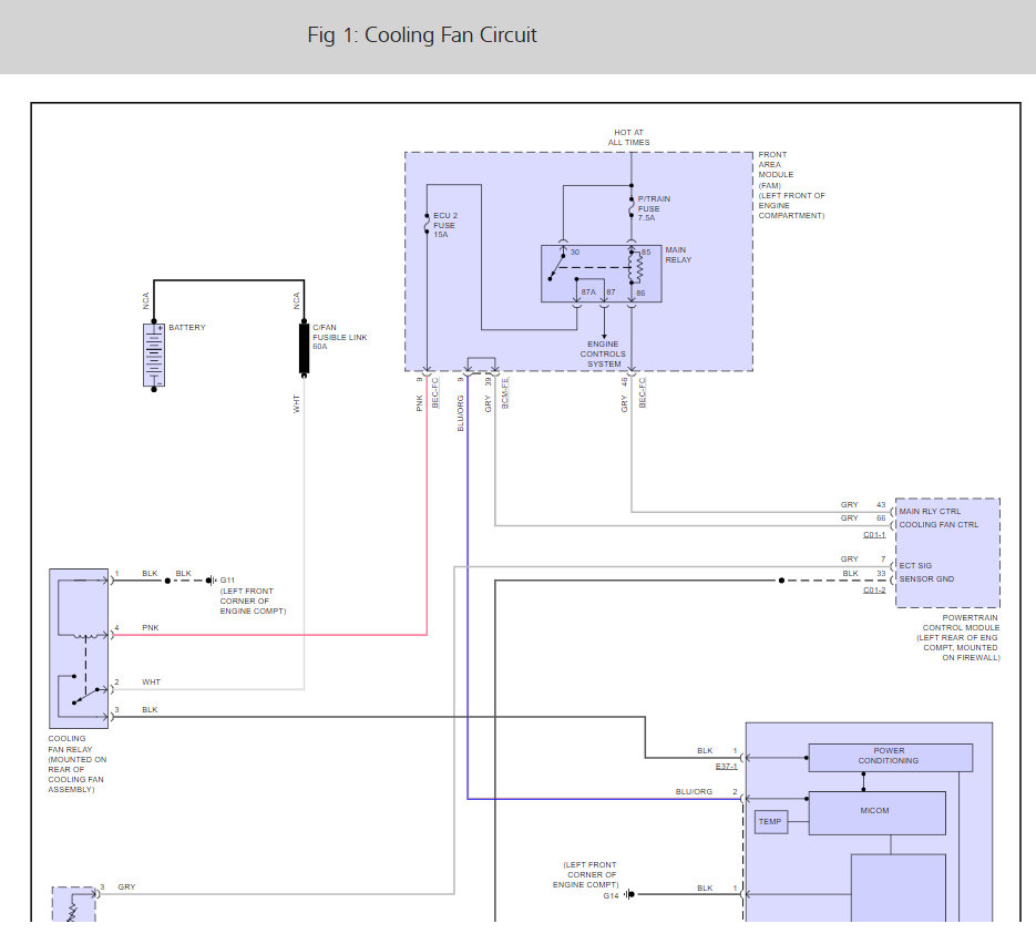
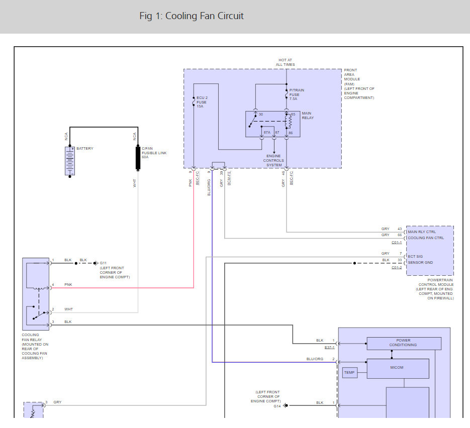
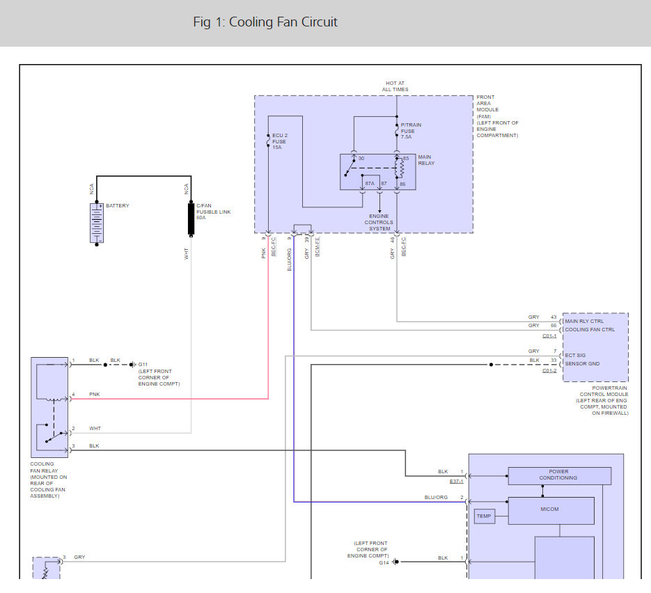
My cooling fans are not coming on. I am getting a p0480 code which is a a fan circuit problem. I have checked the 60 cooling fan relay and it appears to be functioning (clicks when power is supplied to it). I turned on the defroster and checked the plug that goes to the fan module and there is no power going to it, any ideas?


