TCM location

Tiny
JAMSAM
  • MEMBER
  • 2009 HYUNDAI ELANTRA
  • 2.0L
  • 4 CYL
  • 2WD
  • AUTOMATIC
Where is the TCM in 2009 Elentra? And how does it look like?
Sunday, June 15th, 2014 AT 11:48 AM

8 Replies

Tiny
HMAC300
  • MECHANIC
  • 48,601 POSTS
Looks like a square box. See picture.
Was this
answer
helpful?
Yes
No
+1
Friday, June 9th, 2017 AT 8:55 PM
Tiny
DANAG1
  • MEMBER
  • 91 POSTS
  • 2006 HYUNDAI ELANTRA
  • AUTOMATIC
Where is the TCM located on the car listed above? The check engine code is PO885 TCM if that will help. Thanks!
Was this
answer
helpful?
Yes
No
+4
Tuesday, June 23rd, 2020 AT 5:07 PM (Merged)
Tiny
KEN L
  • MASTER CERTIFIED MECHANIC
  • 55,383 POSTS
Hello,

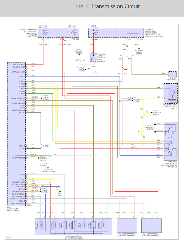
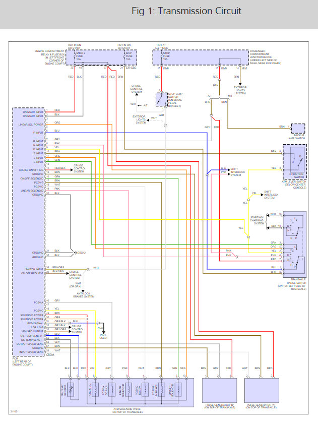
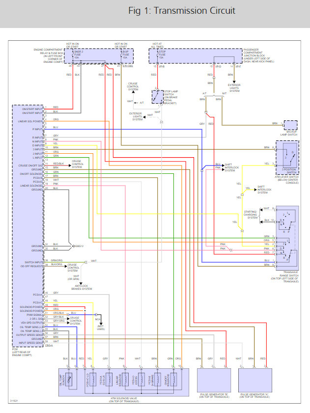
The TCM is the PCM on these cars, it is located under the dash on the drivers side. Here are some diagrams that shows its location. (Below) Please let us know if you need anything else to get the problem fixed.
Was this
answer
helpful?
Yes
No
+7
Tuesday, June 23rd, 2020 AT 5:07 PM (Merged)
Tiny
DION PARRILL
  • MEMBER
  • 1 POST
Engine light on 2011 Elantra Touring, code U0101; Lost communication with the TCM. Where is the TCM located on this car?
Was this
answer
helpful?
Yes
No
+3
Tuesday, June 23rd, 2020 AT 5:07 PM (Merged)
Tiny
KEN L
  • MASTER CERTIFIED MECHANIC
  • 55,383 POSTS
The TCM is the PCM. Here is a wiring diagram so you can see how the system works and the location of the ECM (PCM). I would try a used one but you may need to get it programmed for about $130.00.

Check out the diagrams (below).

Please let us know what happens.

Cheers, Ken
Was this
answer
helpful?
Yes
No
+1
Tuesday, June 23rd, 2020 AT 5:07 PM (Merged)
Tiny
RANDY BONNER
  • MEMBER
  • 1 POST
  • 2001 HYUNDAI ELANTRA
  • 2.0L
  • 4 CYL
  • FWD
  • AUTOMATIC
  • 170,000 MILES
Where is the TCM located? A code came up, PO740 and also PO705.
Was this
answer
helpful?
Yes
No
Tuesday, June 23rd, 2020 AT 5:07 PM (Merged)
Tiny
STEVE W.
  • MECHANIC
  • 15,688 POSTS
P0705 is the range selector input (aka the park/neutral/ gear position switch on the transmission) If it goes bad or "out of range" the P0740 can set because the TCM does not know what gear the transmission is actually in. Try testing the switch using the diagram below. If it passes check the connector for crud. Those are the two most common problems setting those codes.
Was this
answer
helpful?
Yes
No
+3
Tuesday, June 23rd, 2020 AT 5:07 PM (Merged)
Tiny
HMAC300
  • MECHANIC
  • 48,601 POSTS
ID connector has crud on it put dielectric grease on contacts before reinstalling. It keeps water out and gives better contact.
Was this
answer
helpful?
Yes
No
Tuesday, June 23rd, 2020 AT 5:07 PM (Merged)

Please login or register to post a reply.