My car runs but the gauges inside of the dash do not work?

Tiny
AUSTINBLH
  • MEMBER
  • 2009 FORD MUSTANG
My car runs but the gauges inside of the dash do not work. For example, lights, gas gauge, speedometer, thermoter and the air conditioner is now not working
I need to know if this is a blownfuse so that perhaps I will be able to fix it also where is the fuse located and is it more that 1 fuse. How do I know if the fuse is blown and will I be able to change it myself
Wednesday, August 7th, 2013 AT 10:02 AM

1 Reply

Tiny
SQM
  • MECHANIC
  • 6,383 POSTS
Hello,

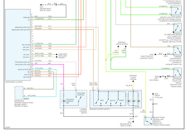
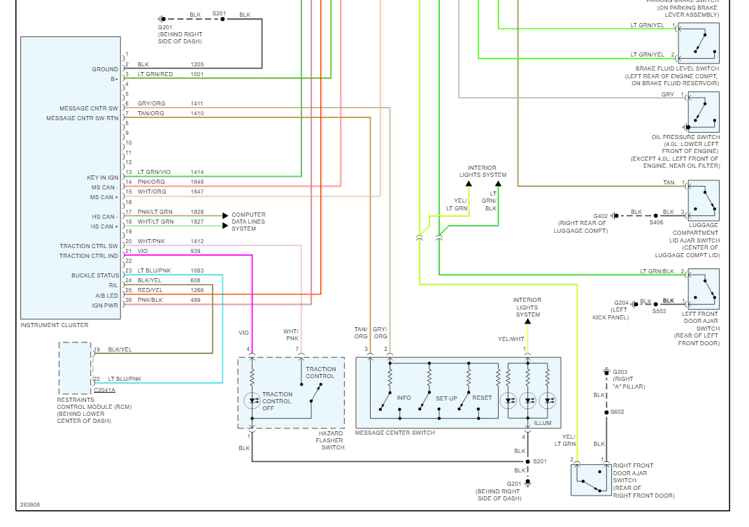
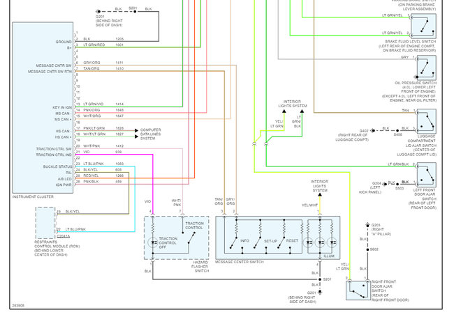
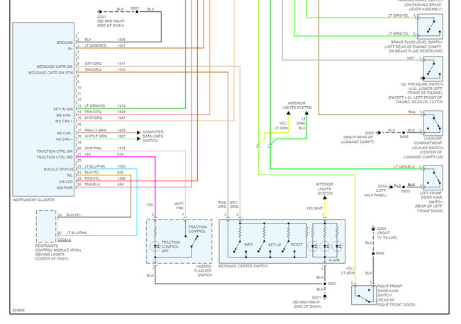
If none of the gauge is functioning, then the issue could be a faulty gauge cluster.
It can also be due to a wiring issue.
Do the gauges light up?

In order to figure out what could be the issue you will have to access the back of the gauge cluster and check for any wiring issues. Look for any pulled out pins or burnt connectors.

Check for power to the plug and make sure you are getting prover voltage.

https://www.2carpros.com/articles/how-to-check-wiring

It is also possible to have burn circuit boards of the gauge cluster.

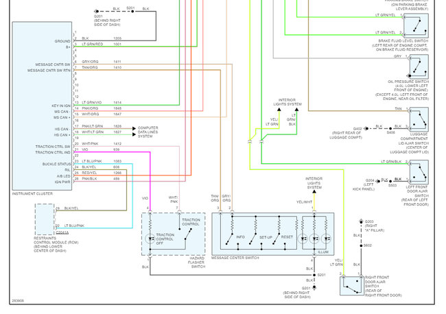
I have attached the wiring schematic below.

Please let me know if you have any questions.
Thank you.
Was this
answer
helpful?
Yes
No
Sunday, January 9th, 2022 AT 10:29 PM

Please login or register to post a reply.