I drive my car it a squeaking sound

2009 CHEVROLET IMPALA
68,000 MILES • 2.4L • 6 CYL • 2WD • AUTOMATIC
Avatar
SHMOOP
  • MEMBER
  • 1 POST
I have a 2009 chevrolet impala and when I drive my car it a squeaking sound?. Just while driving?
Apr 11, 2015 at 6:53 AM
Repair Safety Notice: This information is for general instructional purposes only. Vehicle repair can be dangerous. Verify all information, follow manufacturer service procedures, use proper tools and safety equipment, and consult a qualified repair shop when needed.
Advertisement
Avatar
JACOBANDNICKOLAS
  • CAR REPAIR CONTRIBUTOR
  • 110,190 POSTS
Hi,

The first thing I would suggest is to check the brakes. There are steel sensors on the pads which rub the rotor when the pads are bad. That is likely what you hear. Pay attention to see if the pitch changes when the brakes are applied.

If you find the pads are the issue, here is a link that shows in general how to replace pads and rotors. It's isn't too hard of a job.

https://www.2carpros.com/articles/how-to-replace-front-brake-pads-and-rotors-fwd

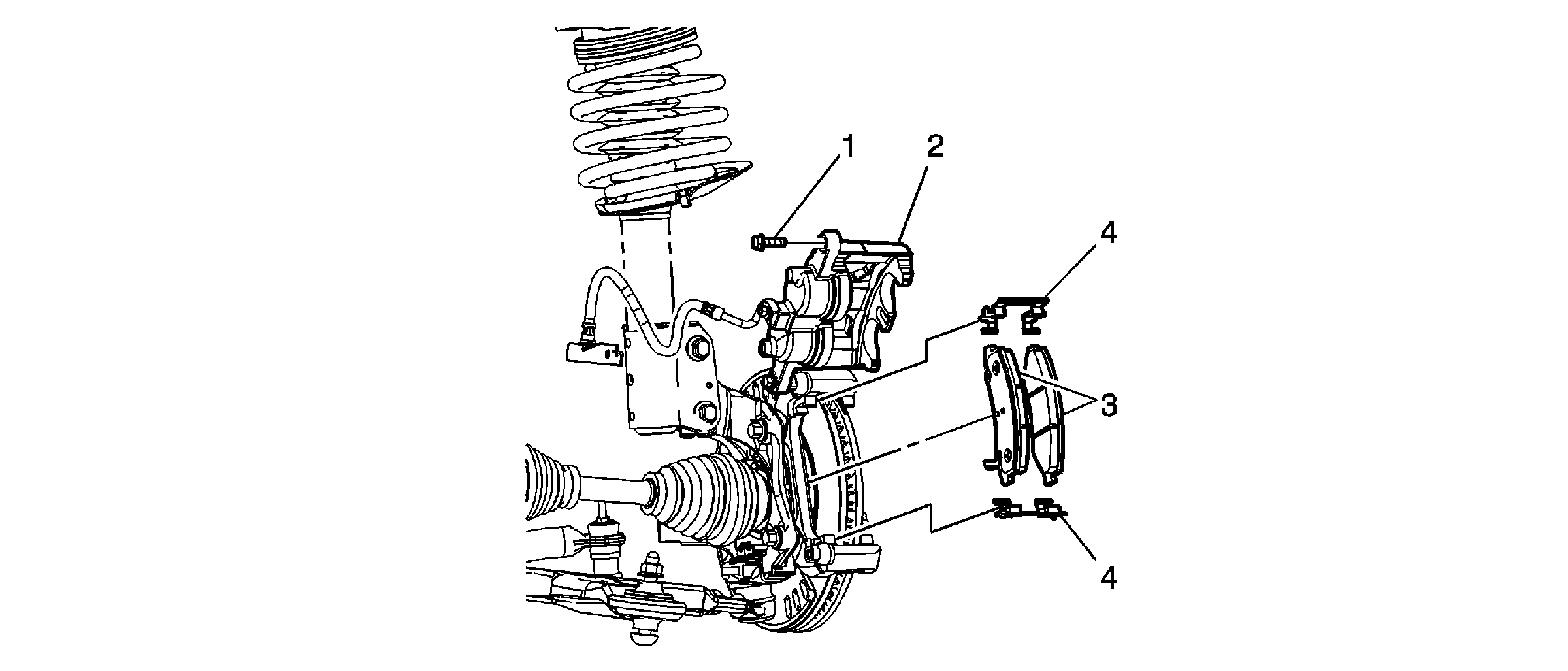
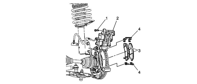
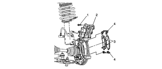
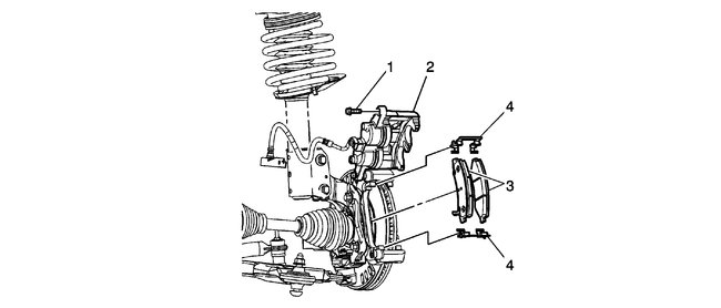
Here are directions specific to your vehicle, The actual directions are in the pictures.

I hope this helps. Let me know if you have questions or need help.

Take care and God Bless,

Joe
Mar 29, 2021 at 12:26 PM
Advertisement
Avatar
DANNY L
  • CAR REPAIR CONTRIBUTOR
  • 5,648 POSTS
Hello, I'm Danny.

Usually what we ask people to do when it comes to noises or rattles etc. we ask for you to make a video of the sound and upload it here. Here is a tutorial for you to view on how to change front brake pads and rotors:

https://www.2carpros.com/articles/how-to-replace-front-brake-pads-and-rotors-fwd

I've attached picture steps below on how to change the front brake pads and brake rotors on your vehicle. Hope this helps and thanks for using 2CarPros.
Mar 29, 2021 at 12:26 PM