Neutral safety switch location and testing?

Tiny
ANONYMOUS
  • MEMBER
  • 2009 CHEVROLET IMPALA
  • 80 MILES
Where is the neutral safety switch located?
Friday, February 8th, 2013 AT 7:50 PM

6 Replies

Tiny
KEN L
  • MASTER CERTIFIED MECHANIC
  • 55,335 POSTS
Hey,

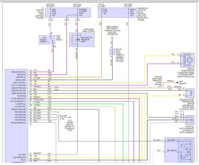
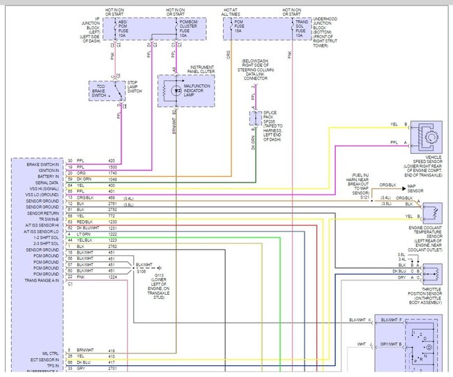
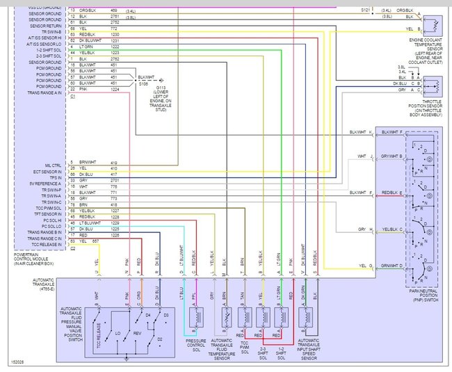
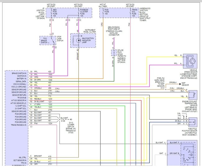
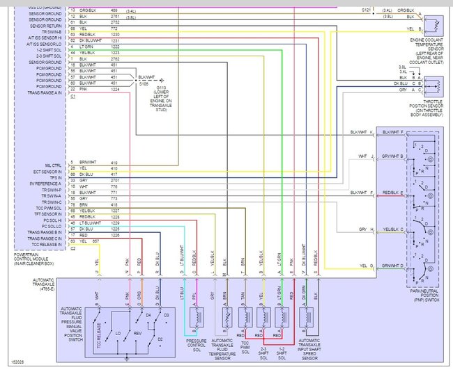
the neutral safety switch is located inside of the transmission right under the gear selector arm here is a wiring diagram so you can test the wiring to help fix the problem with the location of the internal mode switch as they call it below.

https://www.2carpros.com/articles/how-to-use-a-test-light-circuit-tester

Check out the diagrams (Below). Please let us know what you find.
Was this
answer
helpful?
Yes
No
+3
Thursday, December 29th, 2016 AT 6:19 PM
Tiny
LYNDA MORRISON WHITE
  • MEMBER
  • 2 POSTS
  • 2005 CHEVROLET IMPALA
  • 3.8L
  • 6 CYL
  • FWD
  • AUTOMATIC
  • 200,000 MILES
Mechanic told me I needed new NSS for no-start issue. Can the NSS be bypassed?
Was this
answer
helpful?
Yes
No
+3
Wednesday, March 17th, 2021 AT 4:06 PM (Merged)
Tiny
WRENCHTECH
  • MECHANIC
  • 20,761 POSTS
No, you cannot bypass it. It controls a lot more than just the starter circuit. It tells the computer what gear it is in so the computer can make decisions.
Was this
answer
helpful?
Yes
No
+3
Wednesday, March 17th, 2021 AT 4:06 PM (Merged)
Tiny
LYNDA MORRISON WHITE
  • MEMBER
  • 2 POSTS
Thank you.
Was this
answer
helpful?
Yes
No
-1
Wednesday, March 17th, 2021 AT 4:06 PM (Merged)
Tiny
STEVEN64.GRAINGER
  • MEMBER
  • 2 POSTS
  • 2001 CHEVROLET IMPALA
  • 6 CYL
  • FWD
  • AUTOMATIC
  • 160,000 MILES
Where is the neutral safety switch on a 2001 chevrolet impala located? I was told inside the transmission. That the transmission needs to come out to replace it. I'm about 99% sure thats incorrect. So "Help".
Was this
answer
helpful?
Yes
No
-1
Wednesday, March 17th, 2021 AT 4:06 PM (Merged)
Tiny
BLUELIGHTNIN6
  • MECHANIC
  • 16,542 POSTS
The park / neutral position switch is located INSIDE of your vehicle's transaxle and it will require a lot of labor hours to replace.
Was this
answer
helpful?
Yes
No
+4
Wednesday, March 17th, 2021 AT 4:06 PM (Merged)

Please login or register to post a reply.