HOME
ASK A QUESTION
REPAIR GUIDES
BECOME A MEMBER
LOG IN
Login with Facebook
OR
Remember me
NOT A MEMBER?
FORGOT PASSWORD?
CONTACT US
PRIVACY POLICY
TERMS AND CONDITIONS
☰
Home
Chevrolet
Impala
Brakes
Pads
Front
What does it take to replace the the front brake pads?
RSHERRER
MEMBER
2009 CHEVROLET IMPALA
6 CYL
FWD
AUTOMATIC
46,237 MILES
What does it take to replace the the front brake pads on my car? I had fault codes but I fixed that now this!
Sunday, December 19th, 2010 AT 1:51 AM
1 Reply
ASEMASTER6371
MECHANIC
52,796 POSTS
Good afternoon,
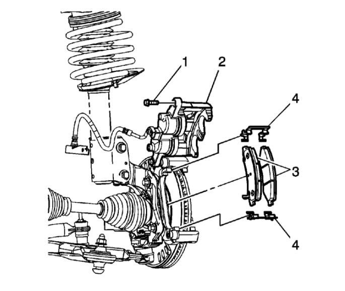
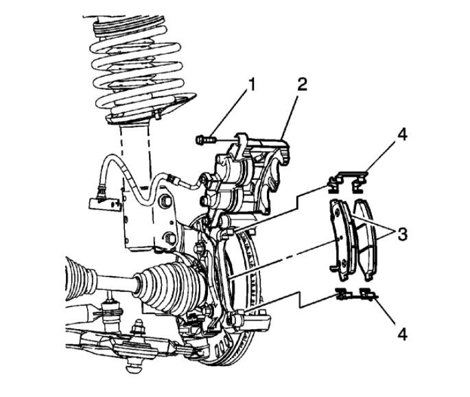
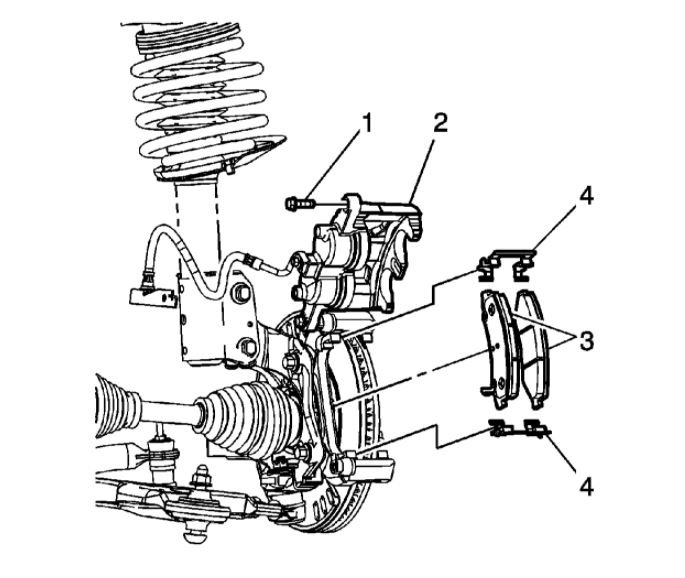
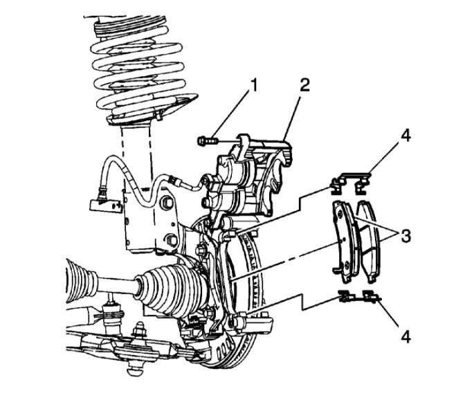
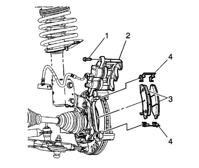
I attached the guide below for you to follow. I also attached the procedure with some pictures.
https://www.2carpros.com/articles/how-to-replace-front-brake-pads-and-rotors-fwd
Roy
Images (Click to make bigger)
Was this
answer
helpful?
Yes
No
Monday, March 29th, 2021 AT 12:26 PM
Please
login
or
register
to post a reply.
Related Brake Pad Front Content
I Drive My Car It A Squeaking Sound
I Have A 2009 Chevrolet Impala And When I Drive My Car It A Squeaking Sound. Just While Driving?
Asked by
Shmoop
·
2 ANSWERS
7 IMAGES
2009
CHEVROLET IMPALA
VIDEO
Brake Pad and Rotor Replacement
Instructional repair video
GUIDE
Brake Pad Replacement - Front
Replacing the front brake pads on your vehicle is a crucial maintenance task that ensures your brakes perform optimally. This guide includes bearing hub style of vehicles (...
2002 Chevy Impala Front Brake Pads
Does It Matter Which Side Of Rotor That You Install The Brake Pad Wear Indicator? Is It Just Used For Visual Check Or Is It Supposed To Make...
Asked by
blacklander
·
1 ANSWER
2002
CHEVROLET IMPALA
I Step On The Brakes Like There Are Not Working
My Car Hesitates When I Step On The Brakes Like There Are Not Working Right, The Pads Need To Be Replaced Can You Help Me?
Asked by
bigv2001
·
1 ANSWER
4 IMAGES
2008
CHEVROLET IMPALA
Brakes Have A Rapping Noise From The Dash It Goes Away...
The Brakes Have A Rapping Noise From The Dash It Goes Away When I Put The Brake On Do I Need Rotors?
Asked by
ve77er
·
1 ANSWER
4 IMAGES
2007
CHEVROLET IMPALA
Calipers Are Leaking?
I Changed My Rear Brake Pads, Rotors And Calipers After Having Taken It Somewhere To Have The Pads Changed, And Right After The Rear...
Asked by
stephen2161
·
1 ANSWER
2 IMAGES
2010
CHEVROLET IMPALA
VIEW MORE
Ask a Car Question. It's Free!
Front Brake Pad Rotor Replace Chevy
Replace Front Brake Pads and Rotors BMW 328
Brake Pad/Rotor Replacement Toyota Tacoma