Friday, June 30th, 2017 AT 5:55 PM
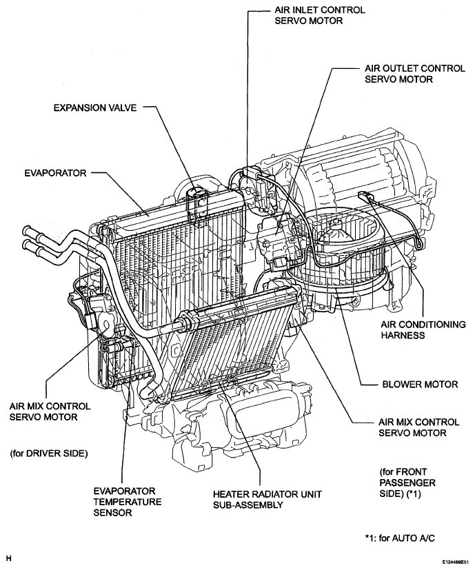
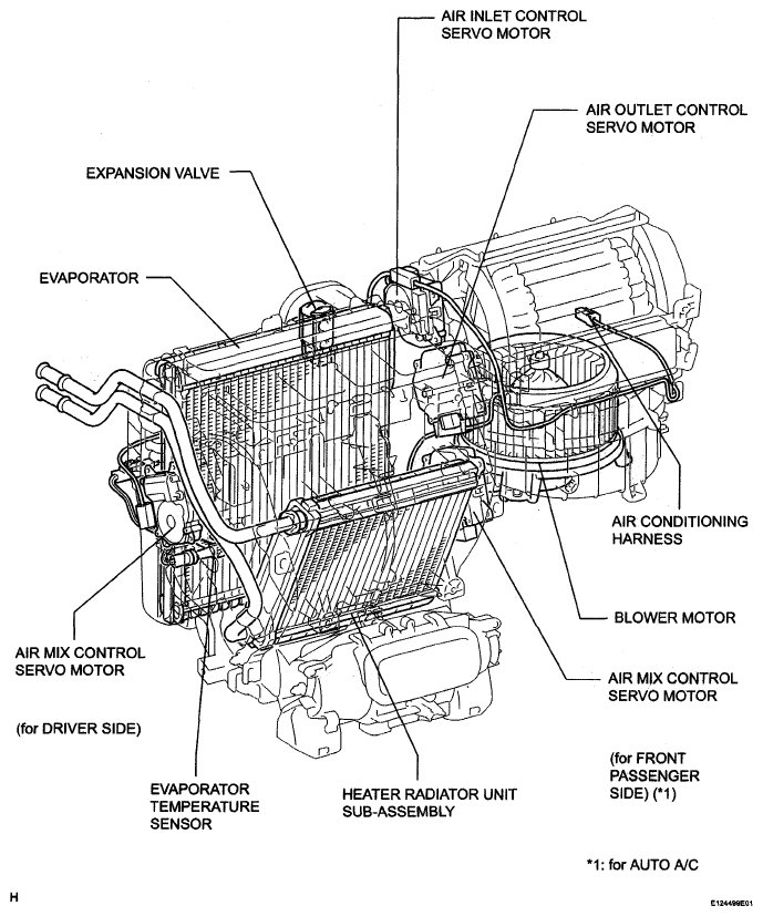
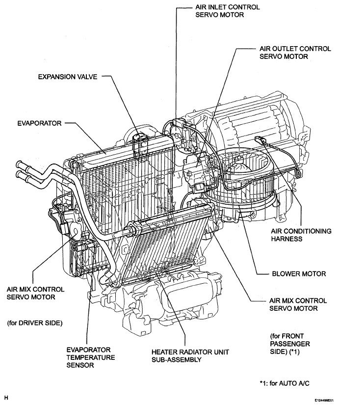
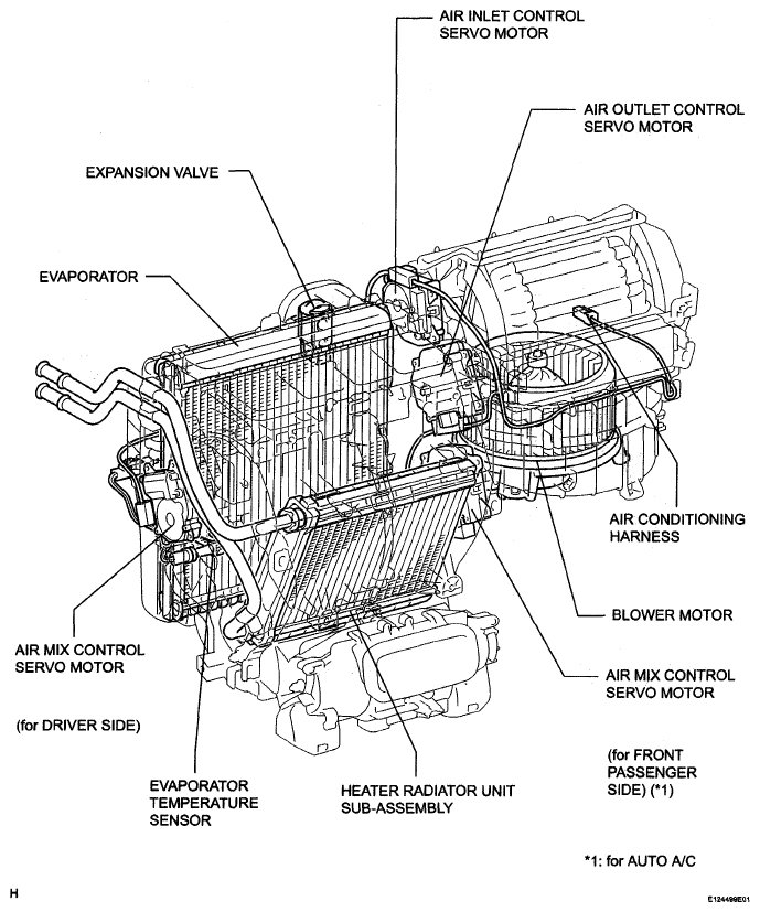
I need hep finding the driver side servo motor actuator. My car is blowing hot air on the driver side and cold on the passenger side. I cannot find a video or picture on Google or YouTube. I tried to find it under the driver side but is not there. Does anyone knows if both servos are in the passenger side?

