Fuel Filter replacement?

Tiny
DHAYDON
  • MEMBER
  • 2009 BUICK LUCERNE
  • 105,000 MILES
Where is the fuel filter? Where is the fuel pump? If, in tank, can it be replaced without removing tank?
Sunday, December 16th, 2012 AT 5:39 PM

6 Replies

Tiny
HMAC300
  • MECHANIC
  • 48,601 POSTS
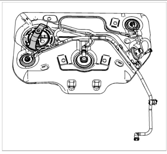
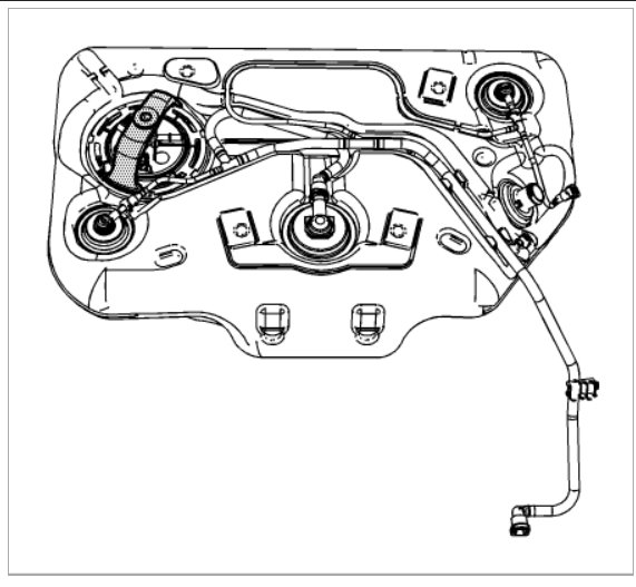
It's in the tank and you do need to remove the tank. This guide will help you with diagrams below to show you how on your car.

https://www.2carpros.com/articles/how-to-change-a-fuel-filter

Check out the diagrams (Below). Please let us know if you need anything else to get the problem fixed.
Was this
answer
helpful?
Yes
No
-1
Thursday, December 27th, 2018 AT 8:56 PM
Tiny
MPOLISHAK
  • MEMBER
  • 1 POST
  • 2007 BUICK LUCERNE
  • 3.8L
  • V6
  • FWD
  • AUTOMATIC
  • 26,000 MILES
I am trying to find and replace the fuel filter on my car it is a CXL model. I will be using an ACdelco fuel filter and gasket. What is the procedure to find and replace that part?
Was this
answer
helpful?
Yes
No
+2
Tuesday, August 11th, 2020 AT 5:39 PM (Merged)
Tiny
CARADIODOC
  • MECHANIC
  • 34,463 POSTS
It is in the tank in the fuel pump assembly. It should not need periodic replacement for general maintenance. Lucky you. You can relax and enjoy the work you do not have to go through!
Was this
answer
helpful?
Yes
No
+17
Tuesday, August 11th, 2020 AT 5:39 PM (Merged)
Tiny
CHRISV7777
  • MEMBER
  • 2 POSTS
  • 2006 BUICK LUCERNE
  • 4.6L
  • V8
  • FWD
  • AUTOMATIC
  • 120,000 MILES
Where is the fuel filter located on 06 Buick Lucerne cxs?
Was this
answer
helpful?
Yes
No
-3
Tuesday, August 11th, 2020 AT 5:39 PM (Merged)
Tiny
HMAC300
  • MECHANIC
  • 48,601 POSTS
Hello,

The fuel filter/strainer is in the fuel tank attached to the fuel pump. Here are diagrams and instruction below to help you with the job. Check out the diagrams (Below). Please let us know if you need anything else to get the problem fixed.
Was this
answer
helpful?
Yes
No
+9
Tuesday, August 11th, 2020 AT 5:39 PM (Merged)
Tiny
FREEMBA
  • MECHANIC
  • 1,152 POSTS
Your fuel filter (called the fuel strainer) is located in the gas tank at the end of the fuel sending unit.
Was this
answer
helpful?
Yes
No
+9
Tuesday, August 11th, 2020 AT 5:39 PM (Merged)

Please login or register to post a reply.